#1 14344004 18 Sty 2015 17:32 pawowski pawel pawowski pawel Poziom 2 #1 14344004 18 Sty 2015 17:32 poszukuje schematu ustawienia rozrzadu w mercedesie w210 e290 avangarde 98r
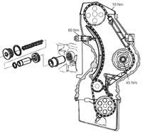
Pomocny post #2 14344162 18 Sty 2015 18:15 KMal KMal Poziom 34 Pomocny post? (+1) Pomocny post #2 14344162 18 Sty 2015 18:15 Witam. https://www.elektroda.pl/rtvforum/topic2363558.html#11232603
#3 15723023 05 Cze 2016 21:27 pawowski pawel pawowski pawel Poziom 2 Autor tematu Pomocny post? (+2) #3 15723023 05 Cze 2016 21:27 Ten schemat byl bardzo pomocny . Problem byl tylko z starym napinaczem slizgu lancuszka byl zapieczony i ciężko bylo go zdematowac