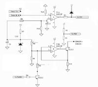
Witam potrzebuje wykonać płytkę PCB do prostego układu ze schematu, dodam również, że na tej płytce musi znaleźć się atmega8 w obudowie DIP28 z doprowadzonym filtrowanym zasilaniem na stabilizatorze napięcia 7805, wyprowadzenia pod złącza PD6, PD7 i PB0 są opisane na rysunku.
wyprowadzenia "sensor Vcc" i "sensor in" zakończone być powinny złączem ARK2 napięcie Vcc jest napięciem wspólnym całego układu
R6 i R5 są potencjometrami montażowymi leżącymi
"Sensor +" i "sensor -" również zakończone ARK2, "sensor -" połączony z masą układu
Ogólnie musi być jeszcze jedno złącze ARK2 doprowadzające zasilanie 12V.
Wszystkie elementy w technologi THT- przewlekanej, opisy rezystorów muszą znaleźć się na płytce
Oferty i pytania proszę kierować na PW, chciałbym zobaczyć jakieś realizacje jeśli to nie problem.
![[Zlecę] Wykonanie płytki PCB zgodnie ze schematem /nieaktualne [Zlecę] Wykonanie płytki PCB zgodnie ze schematem /nieaktualne](https://obrazki.elektroda.pl/9309818400_1422033198_thumb.jpg)
wyprowadzenia "sensor Vcc" i "sensor in" zakończone być powinny złączem ARK2 napięcie Vcc jest napięciem wspólnym całego układu
R6 i R5 są potencjometrami montażowymi leżącymi
"Sensor +" i "sensor -" również zakończone ARK2, "sensor -" połączony z masą układu
Ogólnie musi być jeszcze jedno złącze ARK2 doprowadzające zasilanie 12V.
Wszystkie elementy w technologi THT- przewlekanej, opisy rezystorów muszą znaleźć się na płytce
Oferty i pytania proszę kierować na PW, chciałbym zobaczyć jakieś realizacje jeśli to nie problem.
