logo elektroda
logo elektroda
X
logo elektroda
REKLAMA
REKLAMA
Adblock/uBlockOrigin/AdGuard mogą powodować znikanie niektórych postów z powodu nowej reguły.

President Johnny III - Brak modulacji przy nadawaniu

kogej 07 Lut 2015 20:54 3735 10
REKLAMA
  • #1 14415184
    kogej
    Poziom 11  
    Witam wszystkich,
    Problem to brak modulacji przy nadawaniu choć roger beep jest wysyłany i słychać go poprawnie.
    Mikrofon i połączenia sprawdzone. Może jest jakaś typowa usterka, która powoduje ten objaw.
    Łukasz

    Treść poprawiłem. Nie piszemy slangiem, to jest forum techniczne. /Olek II/
  • REKLAMA
  • #2 14415646
    Konto nie istnieje
    Poziom 1  
  • REKLAMA
  • #3 14415898
    Wawrzyniec
    Poziom 38  
    Novile napisał:
    O ile pamiętam, w tym radiu jest dwa układy TDA2003 i jeden z nich jest modulatorem AM.
    Ale przy okazji należy sprawdzić obydwa - wie kolega jak to zrobić?

    Aż tak dobrze to nie jest. President nigdy nie grzeszył rozrzutnością. Tam jest jeden TDA2003

    President Johnny III - Brak modulacji przy nadawaniu

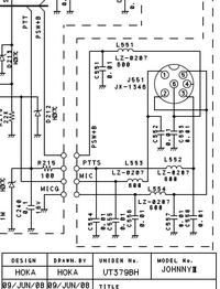
    Sprawdź dławiki na panelu w okolicach gniazda. Lubią się palić przy uszkodzonym kablu od mikrofonu lub przy próbie podłączenia niepasującego mikrofonu. Na gniazdo jest wyprowadzone pełne 12V i ono jest często powodem uszkodzenia radia. Potrzebne jest ono do zmiany kanałów (pin 6).

    President Johnny III - Brak modulacji przy nadawaniu President Johnny III - Brak modulacji przy nadawaniu President Johnny III - Brak modulacji przy nadawaniu
  • REKLAMA
  • #4 14416159
    kogej
    Poziom 11  
    Mikrofon ( cała gruszka) była przekładana z innego radia. Dławików nie sprawdzałem - sprawdzę i dam znać. Układ tda2003 jest sprawny ponieważ roger beep jest wysyłany a wzmocnienie tego sygnału odbywa się przez właśnie ten układ. Zastanawia mnie tylko jedno. Dlaczego po odłączeniu mikrofonu od panelu przedniego cały czas radio "szumi" . Zazwyczaj po odłączeniu mikrofonu radio zostaje wyciszone.
  • #5 14416268
    Wawrzyniec
    Poziom 38  
    kogej napisał:
    Dlaczego po odłączeniu mikrofonu od panelu przedniego cały czas radio "szumi"

    Uszkodzony przekaźnik President Johnny III - Brak modulacji przy nadawaniu
  • #6 14417703
    kogej
    Poziom 11  
    Przekaźnik jest dobry- sprawdzałem. q301 jest cały czas w stanie przewodzenia i dlatego przekaźnik jest zapięty.
  • #7 14418345
    Wawrzyniec
    Poziom 38  
    Źle napisałem, tak w tych radiach ma być. Przekaźnik rozpina tylko na czas nadawania, dlatego na nich można słuchać bez podpiętego mikrofonu.
  • REKLAMA
  • #8 14418529
    Konto nie istnieje
    Poziom 1  
  • #9 14418577
    kogej
    Poziom 11  
    Nośna jest. Sprawdzałem na AM , na FM niestety nie sprawdzałem. Moc nadawania zgodna z deklaracją producenta więc uznaję ,że jest OK. Przy odsłuchu w drugim radio słychać przydźwięk/ brum . Wszystko wskazuje ,że trzeba szukać w torze mikrofonu...
  • Pomocny post
    #10 14418843
    Konto nie istnieje
    Poziom 1  
  • #11 14422123
    kogej
    Poziom 11  
    Radio gra. Uszkodzona była dioda Zenera d212 ( HZK7C )
    Dziękuję wszystkim za pomoc !
REKLAMA