#1 14425008 10 Lut 2015 17:09 wasylhd1 wasylhd1 Poziom 9 #1 14425008 10 Lut 2015 17:09 szukam schematu podłączenia modułu zapłonowego w silniku zaburtowym yamaha 9.9.cztero takt .Z góry dziękuję
#2 14450093 17 Lut 2015 22:39 ZIWK ZIWK Poziom 13 Pomocny post? (0) #2 14450093 17 Lut 2015 22:39 Witam Może jakiś szczegół - np dokładny model i rocznik z tabliczki znamionowej? Silników o tej mocy było kilka model
#3 14450872 18 Lut 2015 10:22 wasylhd1 wasylhd1 Poziom 9 Autor tematu Pomocny post? (0) #3 14450872 18 Lut 2015 10:22 Witam dodaję dane i fotki tego silnika.Pozdrawiam Dodano po 9 [minuty]: wasylhd1 napisał: szukam schematu podłączenia modułu zapłonowego w silniku zaburtowym yamaha 9.9.cztero takt .Z góry dziękuję Załączniki: 27maj_2014_405.jpg Download (518.62 KB) 27maj_2014_407.jpg Download (440.92 KB)
#4 14451116 18 Lut 2015 11:43 wasylhd1 wasylhd1 Poziom 9 Autor tematu Pomocny post? (+3) #4 14451116 18 Lut 2015 11:43 nr F9.9AM L303757Y yAMAHA 9.9 CZTERO TAKT
#5 14452135 18 Lut 2015 17:18 Megawe Megawe Poziom 34 Pomocny post? (0) #5 14452135 18 Lut 2015 17:18 https://www.elektroda.pl/rtvforum/topic2877970.html Miałem problemy z takim silnikiem ale dwusuw, co mi było przydatne zamieściłem pod powyższym linkiem.
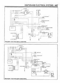
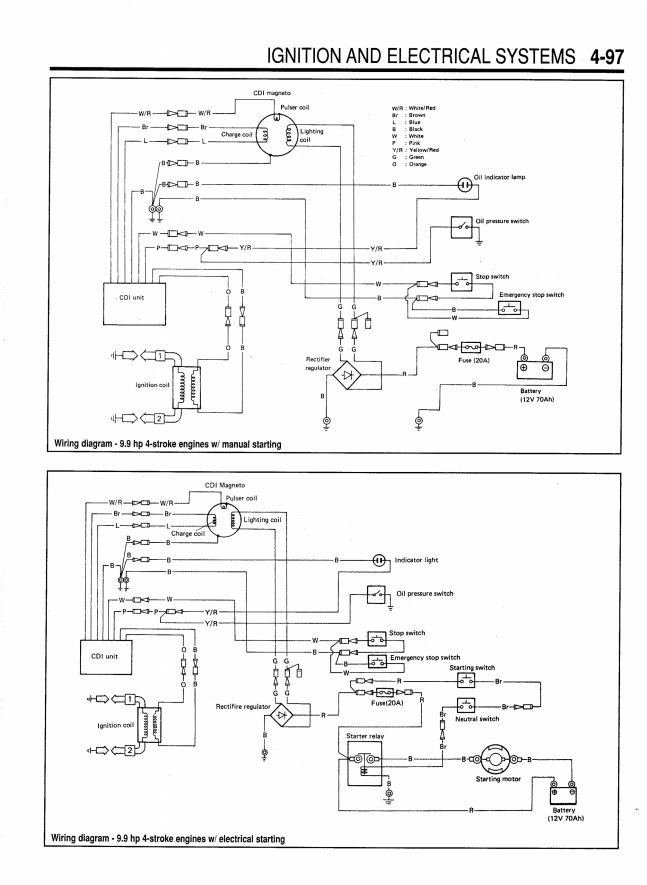
#6 14459931 20 Lut 2015 21:07 ZIWK ZIWK Poziom 13 Pomocny post? (+1) #6 14459931 20 Lut 2015 21:07 Schemat jest prosty - łączymy kolorami