Witam.
Dziś próbuję naprawić radio CB marki Gamma I AM.
Radio trafiło do mnie bez nadawania.
Odbiera całkiem nieźle.
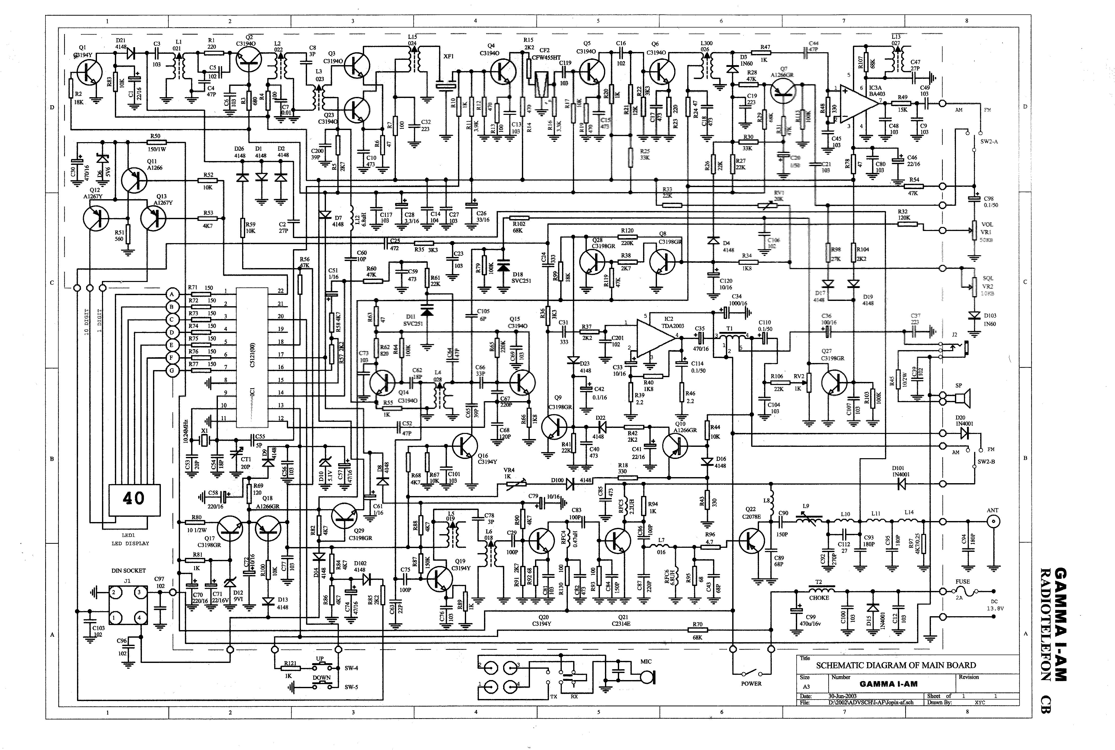
Po przeszukaniu wstępnym znalazłem uszkodzony driver 2SC2314, także końcówka mocy w.cz. jest uszkodzona. Jednak ktoś już w tym radiu chyba grzebał, bo tranzystorem końcowym w.cz. jest 2SC1974 a nie jak podaje schemat 2SC2078.
Nic więcej nie znalazłem( oprócz urwanych kabli we wtyku mikrofonu). Wymieniłem uszkodzone elementy na;
Za driver podstawiłem BD137( także BD135 testowo).
Za końcówkę dałem 2SC2078( raczej sprawny- na mierniku OK i pokazuje hfe 133).
Jednak radio nie nadaje jak należy. Moc jaką daje jest na poziomie 50mW.
Sprawdziłem pobieżnie wszystkie diody w radiu - dobre, TDA2003 ( chociaż brak tu związku z nadawaniem raczej) napięcia grają.Podejrzane tranzystory sprawdziłem , nie mam tropu... Nie mam schematu, bo ten dostępny na elektrodzie jest trochę inny( starszy typ).
Przy naciśniętym PTT na końcówce wydziela się ciepło, podobnie na driverze. Dioda D101 sprawna. Trafo modulacyjne ma zasilanie.
Może ktoś coś podpowie bo mi pomysłów brak.Totalnie nie wiem co ktoś wyrabiał z tym radiem.
Jeszcze jutro podstawię końcówkę ze sprawnego "szrota" dla pewności.
Co jeszcze sprawdzić, gdzie szukać?
Napięcia na kolektorach stopnia końcowego Q20,Q21,Q22 są na poziomie zasilającego napięcia. Stabilizator IC3( w tym modelu L78L05) pracuje prawidłowo, ładnie daje 5.1V.
Na Q20 na bazę przychodzi 1.56V( przy nadawaniu oczywiście), a na emiterze mam 1.05V. Dziwne, bo na bazę drivera przychodzi tylko 0.2V( to chyba za mało aby go spolaryzować?) a na bazę PA mam odczyt tylko 0.07V. Wygląda na to że nie mam 0.7V wymaganych do polaryzacji Drivera i PA. Ale dlaczego tak jest i czy tak jest faktycznie?( pomiar multimetrem cyfrowym).
Dziś próbuję naprawić radio CB marki Gamma I AM.
Radio trafiło do mnie bez nadawania.
Odbiera całkiem nieźle.
Po przeszukaniu wstępnym znalazłem uszkodzony driver 2SC2314, także końcówka mocy w.cz. jest uszkodzona. Jednak ktoś już w tym radiu chyba grzebał, bo tranzystorem końcowym w.cz. jest 2SC1974 a nie jak podaje schemat 2SC2078.
Nic więcej nie znalazłem( oprócz urwanych kabli we wtyku mikrofonu). Wymieniłem uszkodzone elementy na;
Za driver podstawiłem BD137( także BD135 testowo).
Za końcówkę dałem 2SC2078( raczej sprawny- na mierniku OK i pokazuje hfe 133).
Jednak radio nie nadaje jak należy. Moc jaką daje jest na poziomie 50mW.
Sprawdziłem pobieżnie wszystkie diody w radiu - dobre, TDA2003 ( chociaż brak tu związku z nadawaniem raczej) napięcia grają.Podejrzane tranzystory sprawdziłem , nie mam tropu... Nie mam schematu, bo ten dostępny na elektrodzie jest trochę inny( starszy typ).
Przy naciśniętym PTT na końcówce wydziela się ciepło, podobnie na driverze. Dioda D101 sprawna. Trafo modulacyjne ma zasilanie.
Może ktoś coś podpowie bo mi pomysłów brak.Totalnie nie wiem co ktoś wyrabiał z tym radiem.
Jeszcze jutro podstawię końcówkę ze sprawnego "szrota" dla pewności.
Co jeszcze sprawdzić, gdzie szukać?
Napięcia na kolektorach stopnia końcowego Q20,Q21,Q22 są na poziomie zasilającego napięcia. Stabilizator IC3( w tym modelu L78L05) pracuje prawidłowo, ładnie daje 5.1V.
Na Q20 na bazę przychodzi 1.56V( przy nadawaniu oczywiście), a na emiterze mam 1.05V. Dziwne, bo na bazę drivera przychodzi tylko 0.2V( to chyba za mało aby go spolaryzować?) a na bazę PA mam odczyt tylko 0.07V. Wygląda na to że nie mam 0.7V wymaganych do polaryzacji Drivera i PA. Ale dlaczego tak jest i czy tak jest faktycznie?( pomiar multimetrem cyfrowym).
