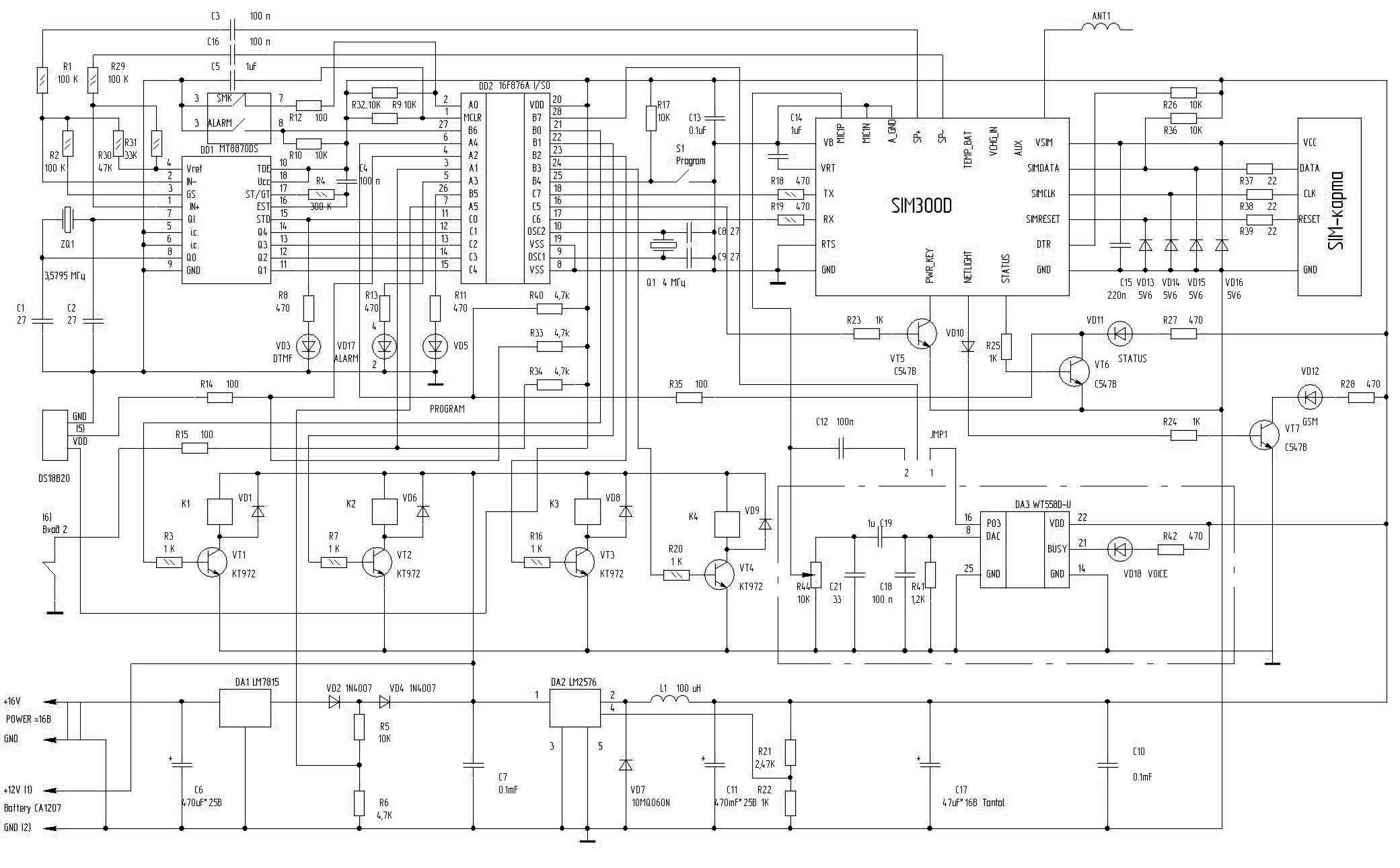
The device allows you to control various devices via the GSM network using cellular or regular phone. In addition, it serves as a security system controls the temperature, the state of the inputs and outputs, the balance of the SIM card.
Basic functions
1. Remote control loads (static and pulsed mode)
2. Burglar Alarms
3. Fire alarm
4. Monitor the status of inputs and outputs
5. Temperature Control
6. Control of AC power
7. Monitor the status of loads
8. Control of the account balance
9. Audio Monitoring protected object
10. Support GSM module SIM300D, SIM900D, M10
11. Support for voice modules WT-558D-U
Concept and design of the device shown in the photo:
Description of the device with firmware of the microcontroller can be found here - http://electromost.com/news/ustrojstvo_upravl...trolja_po_gsm_finalnaja_versija/2013-05-09-97
P.S. Site in Russian language but there is a translator of pages in Polish
Basic functions
1. Remote control loads (static and pulsed mode)
2. Burglar Alarms
3. Fire alarm
4. Monitor the status of inputs and outputs
5. Temperature Control
6. Control of AC power
7. Monitor the status of loads
8. Control of the account balance
9. Audio Monitoring protected object
10. Support GSM module SIM300D, SIM900D, M10
11. Support for voice modules WT-558D-U
Concept and design of the device shown in the photo:
Description of the device with firmware of the microcontroller can be found here - http://electromost.com/news/ustrojstvo_upravl...trolja_po_gsm_finalnaja_versija/2013-05-09-97
P.S. Site in Russian language but there is a translator of pages in Polish
Fajne? Ranking DIY
