logo elektroda
logo elektroda
X
logo elektroda
REKLAMA
REKLAMA
Adblock/uBlockOrigin/AdGuard mogą powodować znikanie niektórych postów z powodu nowej reguły.

Calibra C20NE - Ręczne sterowanie regulatorem biegu jałowego

rreeffiikk 08 Mar 2015 01:42 1620 4
REKLAMA
  • #1 14510401
    rreeffiikk
    Poziom 11  
    Witam,
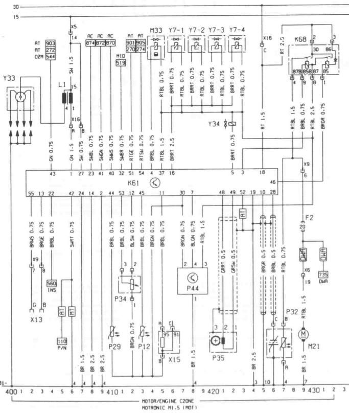
    poszukuję jakiegoś schematu bądź wytłumaczenia zasady działania regulatora biegu jałowego w oplu calibrze c20ne 2.0 8v. Chciałbym mieć ręczne sterowanie regulatorem np. za pomocą potencjometru. Puki co nie wiem jak się za to zabrać na jakiej zasadzie on działa. Wiem że w org wiązce ma podawane napięcie z jednego styku +12 a do drugiego od ecu masa. Tylko jak ecu tym steruje ? Ewentualnie poszukuję jakiś inny "zawór" sterowany na potencjometr który mógłbym podłączyć na węże zasilany najlepiej 12v.

    Na schemacie rozchodzi się o element M33

    Calibra C20NE - Ręczne sterowanie regulatorem biegu jałowego

    Bardzo proszę o pomoc Pozdrawiam.
  • REKLAMA
  • #2 14510420
    Mateusz@
    Poziom 18  
    A co nie trzyma wolnych obrotów?
    Zawór sterowany jest poprzez modulacje szerokości impulsów (PWM).
    Wpisz w wyszukiwarkę PWM, jest bardzo dużo informacji.

    Calibra C20NE - Ręczne sterowanie regulatorem biegu jałowego

    Zawór podłączasz w miejsce MOT1.
  • REKLAMA
  • #3 14510727
    rreeffiikk
    Poziom 11  
    Silnik znajduję sie w lanosie na org wiązce 1.5 8v z przepustnicą espero tak więc obroty są ok. Regulator wisi zaślepiony tak więc zamierzam zrobić z niego prowizoryczny tempomat.


    Dzięki wielkie!! Jak się uda to wszystko wysterować podłącze także wszystkie czujniki od pedałów żeby rozłączało układ po wciśnięciu czegokolwiek i dam znać jak to wszystko działa.
  • REKLAMA
  • #4 14513020
    jarciu_11
    Poziom 21  
    marne szanse prpo tego tempomatu na zaworze powietrza pod obciarzeniem 5 bieg wiecej jak 1500 obr nie uzyskasz.
  • #5 14513098
    rreeffiikk
    Poziom 11  
    Po odłączeniu całkowicie regulatora pozostawieniu samej rurki na 5b na prostej drodze było 120 km/h a na luzie prawie 4 tyś. Trzeba pamiętać że to C20NE w dość lekkim gołym lanosie. Do tego silnik krokowy też "daję" 900 obr
REKLAMA