logo elektroda
logo elektroda
X
logo elektroda
REKLAMA
REKLAMA
Adblock/uBlockOrigin/AdGuard mogą powodować znikanie niektórych postów z powodu nowej reguły.

bascom - sterowanie przyciskami na wspólnych pinach z wyświetlaczem

kisoft 14 Mar 2015 22:22 1068 3
REKLAMA
  • #1 14530090
    kisoft
    Poziom 14  
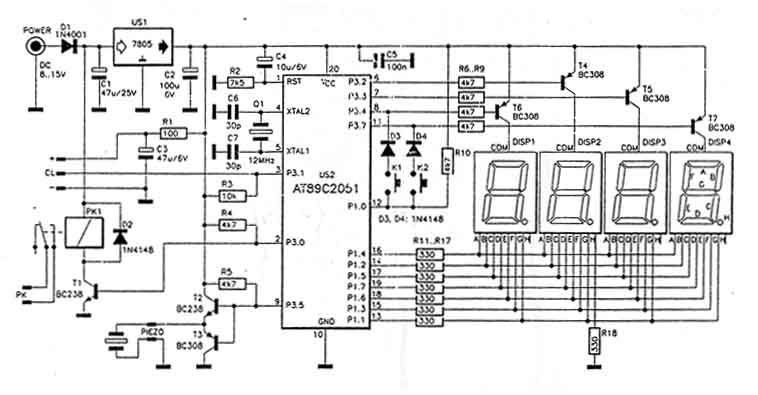
    Witam znalazłem w swoich szpargałach stary kit NORD EL. zegara dcf zmontowany i działający ( no nie do końca radio coś nie działa) i chciałem go przerobić na coś innego.
    bascom - sterowanie przyciskami na wspólnych pinach z wyświetlaczem

    Dokonałem już małych zmian, procesor na attiny2313 wywaliłem kondensator C4 i rezystor R2 ( robiły reset). Chciałem zostawić jednak te dwa przyciski K1 I K2 ale jak widać na schemacie podłączone są do wspólnych końcówek poru wraz z wyświetlaczami . Jak w bascomie dokonać zmiany konfiguracji końcówek portu z wejść na wyjścia (lub odwoitnie) w trakcie wykonywania się programu.
  • REKLAMA
  • #2 14530426
    Konto nie istnieje
    Poziom 1  
  • REKLAMA
  • #3 14530477
    piotrva
    VIP Zasłużony dla elektroda
    Akurat tu działa to nieco inaczej - zauważ, ze przyciski z drugiej strony podpięte są do P1.0.
    Zatem podczas sterowania wyświetlaczy wystarczy badać stan P1.0.

    Podobnie jest w wypadku klawiaturek matrycowych.
  • #4 14530627
    kisoft
    Poziom 14  
    Dziękuję za zainteresowanie, niebawem sprawdzę.
REKLAMA