Witam
Zakładam temat ponieważ, nigdzie nie mogę znaleźć tego schematu.W sumie to mój pierwszy post.
Ze stacyjki na czytnik idzie 5 kabelków w różnych kolorach (słabo znam się na elektronice), niestety ktoś tak na siłę próbował zgasić diodę, że ukręcił je wszystkie.
3 kabelki w jednym rzędzie - gaszone przez transponder w kluczyku i dwa niżej pewnie od masy(przypuszczam). Kolory kabelków to : biały, brązowy, różowy, zielony oraz żółty. Sterownik Bosch 5.1.1. Może ktoś miał już z tym do czynienia?
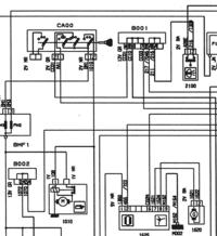
Wydaje mi się że na schemacie będzie to CA00

Zakładam temat ponieważ, nigdzie nie mogę znaleźć tego schematu.W sumie to mój pierwszy post.
Ze stacyjki na czytnik idzie 5 kabelków w różnych kolorach (słabo znam się na elektronice), niestety ktoś tak na siłę próbował zgasić diodę, że ukręcił je wszystkie.
3 kabelki w jednym rzędzie - gaszone przez transponder w kluczyku i dwa niżej pewnie od masy(przypuszczam). Kolory kabelków to : biały, brązowy, różowy, zielony oraz żółty. Sterownik Bosch 5.1.1. Może ktoś miał już z tym do czynienia?
Wydaje mi się że na schemacie będzie to CA00
