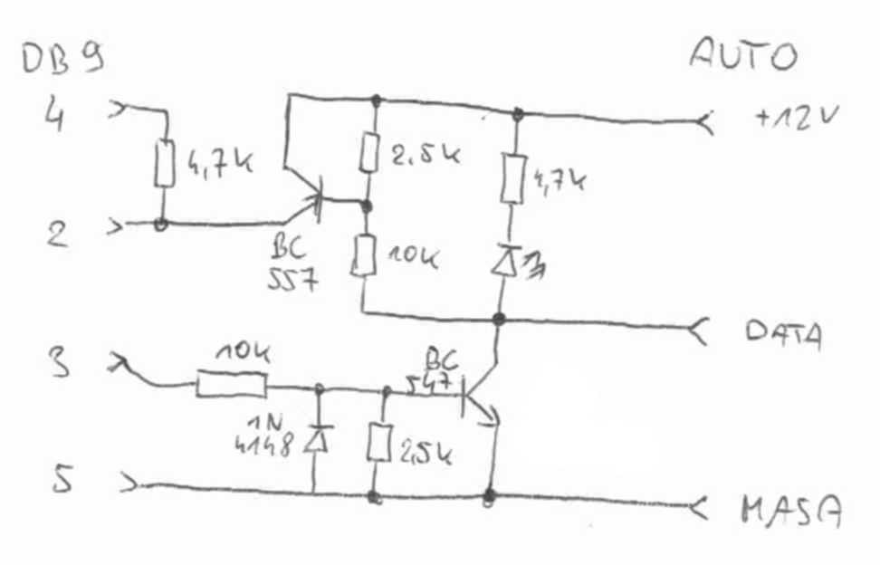
Zlutowałem interfejs do poloneza boscha wg poniższego schematu jednak nie łączy się z ECU przejście do ecu jest masa i zasilanie w gnieździe również. Mógłby ktoś zerknąć fachowym okiem co w tym schemacie jest zle bo coś mi nie pasuje ta dioda wlutowana świeci się cały czas czy tak ma być?
