Witam!
Od jakiegoś czasu mam zamiar skonstruować swoją płytkę startową
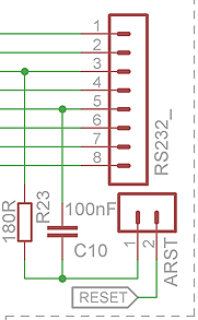
Jednak natrafiłem na problem: otóż nie za bardzo rozumiem schemat z przejściówką USB/RS232?
I jak się ma do tego podłączenie RS485 (SN75176A) do FT232RL?
Czy mógłbym prosić kogoś o objaśnienie schematu i całego układu na jakiej zasadzie działa?
Jest to część schematu zaczerpnięta z udostępnionego schematu od Pana Mirka (mirekk36) z jego wersji płytki testowej.
Z góry bardzo dziękuję i pozdrawiam
Od jakiegoś czasu mam zamiar skonstruować swoją płytkę startową
Jednak natrafiłem na problem: otóż nie za bardzo rozumiem schemat z przejściówką USB/RS232?
I jak się ma do tego podłączenie RS485 (SN75176A) do FT232RL?
Czy mógłbym prosić kogoś o objaśnienie schematu i całego układu na jakiej zasadzie działa?
Jest to część schematu zaczerpnięta z udostępnionego schematu od Pana Mirka (mirekk36) z jego wersji płytki testowej.
Z góry bardzo dziękuję i pozdrawiam