ESP8266 jest modułem Wi-Fi 802.11/b/g/n, który ostatnimi czasy stał się bardzo popularny dzięki jego możliwościom oraz prostocie implementacji w różnego rodzaju projektach. Oczywiście dla osób, które zaczynają wykorzystywać ten układ w swoich urządzeniach często pojawia się problem odpowiedniej obsług przy połączeniu z mikrokontrolerem lub komputerem PC. Wychodząc na przeciw tym problemom portal electro-labs.com przygotował niewielki zestaw uruchomieniowy przeznaczony do zabawy i eksperymentów z wspomnianym wyżej modułem.
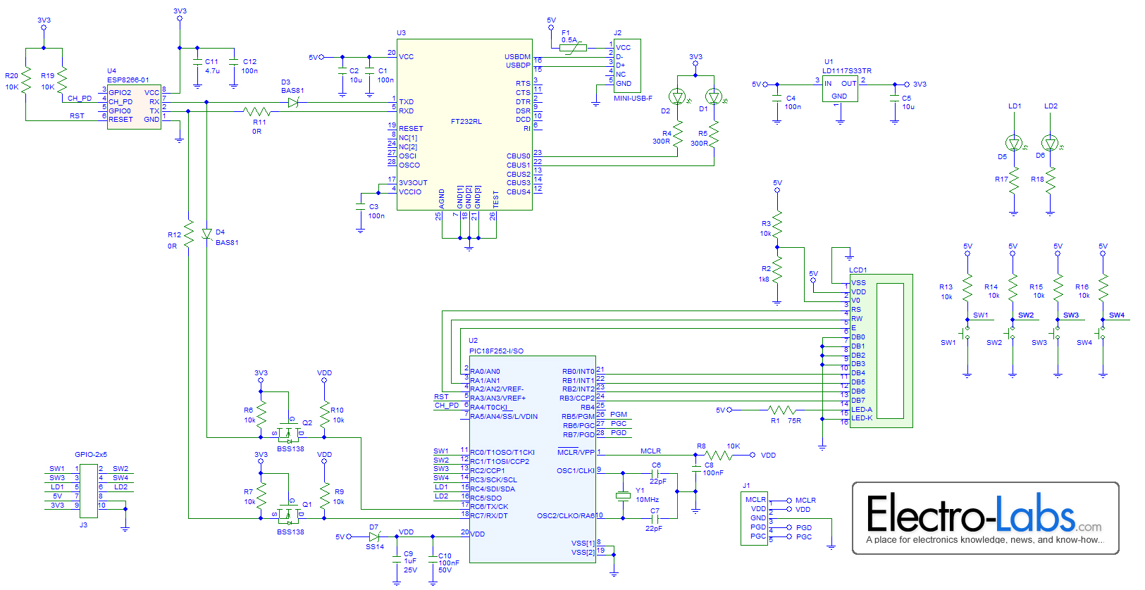
Zestaw uruchominieniowy (ESP8266 Development Board) zbudowany został w oparciu o mikrokontroler Microchip PIC. Jego konstrukcja umożliwia sterowanie modułem WiFi poprzez odpowiednio zaprogramowany mikrokontroler lub też za pomocą komputera komunikującego się przez port USB.
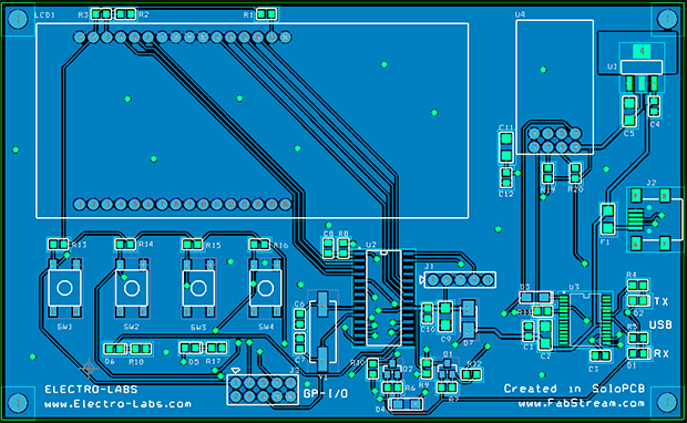
Jak sama nazwa wskazuje jest to zestaw uruchomieniowy, a więc na płytce drukowanej umieszczono kilka elementów peryferyjnych takich jak wyświetlacz LCD, przyciski, diody LED oraz wspomniany wcześniej port USB działający dzięki konwerterowi FT232RL USB-UART.
Więcej szczegółów znajdziecie na stronie źródłowej.
Źródło http://www.electro-labs.com/diy-esp8266-development-board/
Fajne? Ranking DIY
