logo elektroda
logo elektroda
X
logo elektroda
REKLAMA
REKLAMA
Adblock/uBlockOrigin/AdGuard mogą powodować znikanie niektórych postów z powodu nowej reguły.

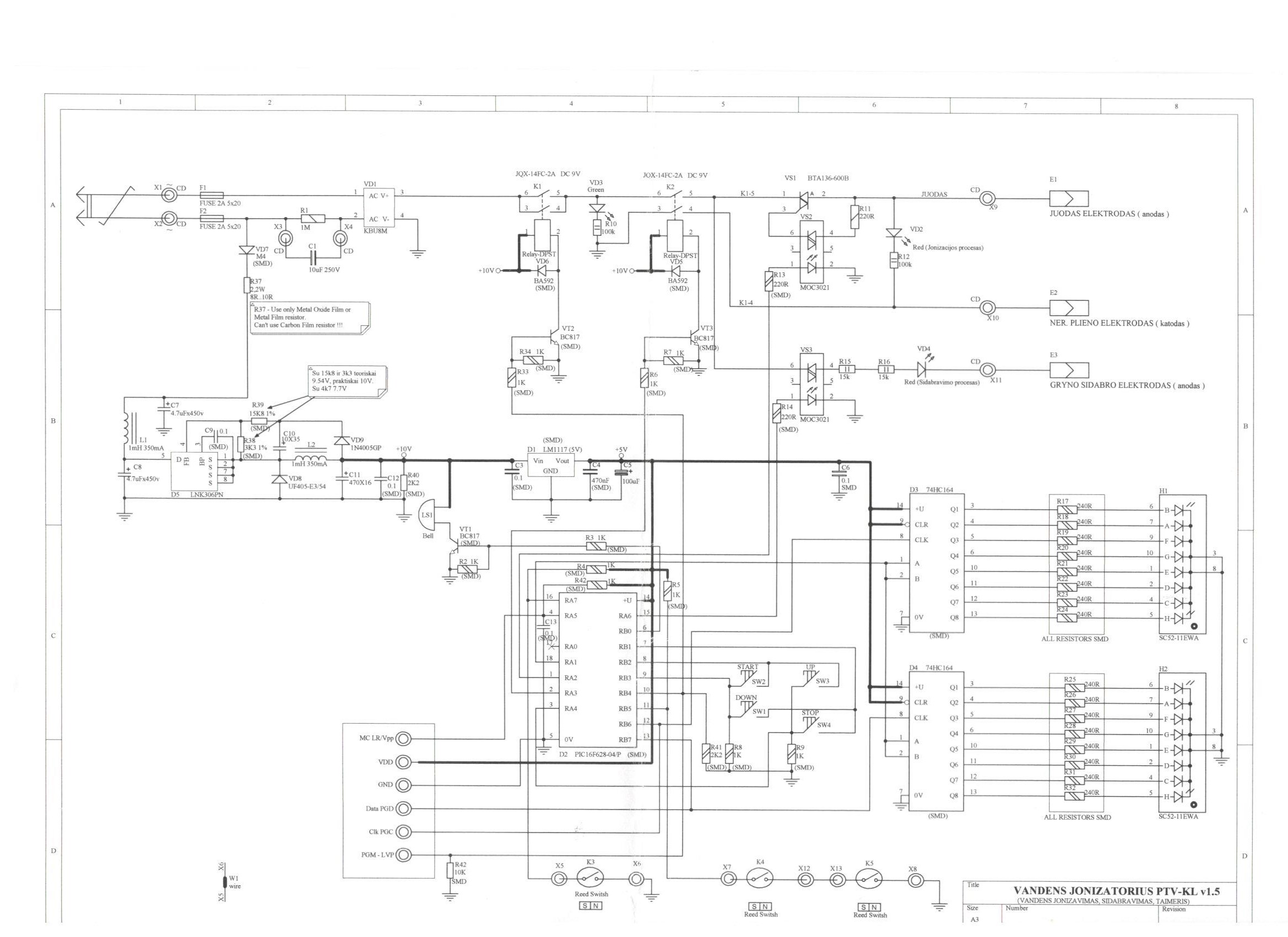
Jonizator wody - Wyłącza się przed czasem, nie sygnalizuje zakończenia pracy

dsxsoft 17 Kwi 2015 08:45 975 1
REKLAMA
  • #1 14623708
    dsxsoft
    Poziom 12  
    Jonizator wody - Wyłącza się przed czasem, nie sygnalizuje zakończenia pracy Witam posiadam jonizator wody i problem polega na tym ze urządzenie działa w 100% sprawnie ale nie zawsze. Mianowicie w urządzeniu nastawia się czas ile ma pracować przykładowo 10min po tym czasie ono się wyłącza sygnalizując to dźwiękiem zazwyczaj tak się dzieje ale nie zawsze bo niekiedy timer nie schodzi do 0 tylko wyłącza się przed czasem nic nie sygnalizując co to może być? Aktualnie wymieniłem przekaźniki elektromagnetyczne triaka ale mało to pomogło?
  • REKLAMA
  • #2 14629917
    dzimi
    Moderator
    Sprawdź LM1117 oraz C5 i pozostałe kondensatory wokół. Czy +5V jest stabilne?
REKLAMA