Witam,
mam silnik trabanta 601 z zapłonem elektronicznym. silnik dwusuwowy.
niestety nie mam do niego sterownika (czarna skrzynka)
zamiast tego chciał bym podłączyć moduł z żuka mam H161, GL118
na stole podłączyłem układ powyższy (z rezystorem bo testowałem go normalnie zwierając do masy. Rezystora się nie daje jak się podpina do halla) i wszystko działa tzn. jak zwieram "P" do masy to w tym momencie mam przeskok iskry . czyli wszystko ok.
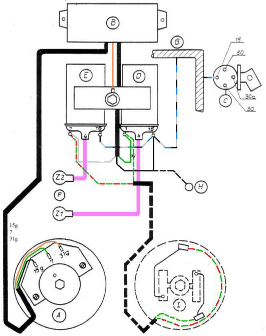
schemat podłączenie oryginału wygląda tak :
lewy to elektronik prawy platyniarz.
i teraz pytanie o czujnik halla i wyprowadzenia 15g, 7 i 31g czy mam rozumieć ze to są dwa czujniki ze wspólną masą? jak on dział w trabancie może ktoś ma schemat połączeń?
Czy działa on tak że raz załącza się jeden czujnik halla od jednej cewki a później z obrotem tarczki drugi czujnik halla do drugiej cewki?
czy układ na gl 118 może działać w trabancie czy są potrzebne dwa moduły gl118?
tu zamieszczam schemat oryginalnego modułu elektronicznego z trabanta

mam silnik trabanta 601 z zapłonem elektronicznym. silnik dwusuwowy.
niestety nie mam do niego sterownika (czarna skrzynka)
zamiast tego chciał bym podłączyć moduł z żuka mam H161, GL118
na stole podłączyłem układ powyższy (z rezystorem bo testowałem go normalnie zwierając do masy. Rezystora się nie daje jak się podpina do halla) i wszystko działa tzn. jak zwieram "P" do masy to w tym momencie mam przeskok iskry . czyli wszystko ok.
schemat podłączenie oryginału wygląda tak :
lewy to elektronik prawy platyniarz.
i teraz pytanie o czujnik halla i wyprowadzenia 15g, 7 i 31g czy mam rozumieć ze to są dwa czujniki ze wspólną masą? jak on dział w trabancie może ktoś ma schemat połączeń?
Czy działa on tak że raz załącza się jeden czujnik halla od jednej cewki a później z obrotem tarczki drugi czujnik halla do drugiej cewki?
czy układ na gl 118 może działać w trabancie czy są potrzebne dwa moduły gl118?
tu zamieszczam schemat oryginalnego modułu elektronicznego z trabanta