logo elektroda
logo elektroda
X
logo elektroda
REKLAMA
REKLAMA
Adblock/uBlockOrigin/AdGuard mogą powodować znikanie niektórych postów z powodu nowej reguły.

NISSAN NOTE 2006 - Skaner OBD2 BlueTooth nie łączy się z telefonem

wieswas 10 Maj 2015 13:18 9282 2
REKLAMA
  • #1 14682957
    wieswas
    Poziom 34  
    Samochód NISSAN NOTE 1,4 benzyna 2006 posiada złącze diagnostyczne OBD2.
    Kupiłem skaner jak na foto. W opisie skanera jest długa lista samochodów, z którymi współpracuje (wśród nich NISSAN NOTE)
    NISSAN NOTE 2006 - Skaner OBD2 BlueTooth nie łączy się z telefonem
    Po włączeniu do złącza OBD2, ustawieniu kluczyka w pozycji ON, włączam opcję BLUETOOTH w telefonie, wyszukuję urządzenia w pobliżu. Telefon odnajduje wśród dostępnych urządzeń - OBDII. Po kliknięciu na OBDII telefon pyta o kod dostępu. Szybko wpisuję "1234", Gotowe, OK. Dostaję odpowiedź, że urządzenie powiązane. Kolejne kliknięcie na OBDII otwiera jedynie menu: zmień nazwę lub rozłącz parę. Rozumiem, że urządzenia się połączyły i sparowały.
    Wychodzę z tych ustawień i startuję aplikację TORQUE, która po wybraniu jakiejkolwiek opcji informuje :"Podłączenie do ECU. Najpierw wykonaj podłączenie"
    oraz "Not connected to OBD interface ! Connect then try again"
    Próbowałem wiele razy trzema telefonami z systemem Android i zawsze mam podobny efekt. Gdzie może leżeć przyczyna ?
  • REKLAMA
  • #2 14682998
    MARIUSZ R
    Poziom 28  
    W zakładce Adapter status masz informacje o stanie urządzenia. Jeżeli masz połączenie z adapterem zaznaczone na tak a podłączenie do Ecu nie może to oznaczać że ten adapter nie obsługuje tego sterownika samochodu.
  • #3 14683782
    wieswas
    Poziom 34  
    Może ktoś ma doświadczenia ze skanerem włączonym do NISSANA NOTE ?
    Czy kolejność mojego uruchamiania jest prawidłowa ?
    Czy może są jeszcze jakieś dodatkowe wymagania (oszczędzanie akumulatorka telefonu wyłączyłem, sprawdzałem też z wyjętą kartą SIM, by łączność z GSM nie zakłócała, zaktualizowałem Androida na jednym z telefonów) ?
    Czy ktoś używa ten model skanera do innych samochodów i z jakim efektem ?
    Kod 1234 jest na pewno prawidłowy, gdyż przy wpisywaniu innych kodów np.:0000 czy 4567, 5678 dostaję komunikat o nieprawidłowym kodzie.
    Próba odczytu czegokolwiek programem ScanMasterELM-Demo przez BlueTootha spod Windows7 na netbooku też się nie powiodła. Komputer automatycznie znalazł urządzenie OBD2 i nie pytając o kod oczekiwał na wciśnięcie "connect" po czym wyświetlił 18:52:32 Connected on COM6 Niestety nawet opcja INFO wyświetliła wszystkie rubryki niewypełnione (Marka samochodu - nieznana, Model - nieznay Nr VIN - nieznany itd.
    Sprawdziłem też program: ForScan
    Interfejs - połączony ECU - niepołączony
    Złącze ODB2 w samochodzie ma styki tylko w pozycjach zaznaczonych na poniższym rysunku. Pozostałe dziurki nie zawierają blaszek stykowych.
    Wynika z tego, że może obsługiwać tylko magistralę CAN i K-Line.
    NISSAN NOTE 2006 - Skaner OBD2 BlueTooth nie łączy się z telefonem
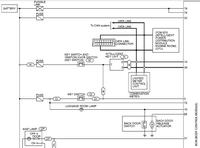
    Dodatkowo z instrukcji serwisowej wynika, że linie CAN są doprowadzone do gniazdka (rys)
    NISSAN NOTE 2006 - Skaner OBD2 BlueTooth nie łączy się z telefonem
    ------
    Chciałbym dorzucić dodatkowe pytanie w tym temacie:
    Czy protokół transmisji magistrali CAN NISSANA NOTE 1,4 2006 jest kompatybilny z protokołem opisywanym dla tego interfejsu ?
    NISSAN NOTE 2006 - Skaner OBD2 BlueTooth nie łączy się z telefonem
    Może wszelkie moje wysiłki są bezsensowne i komputer NISSANA nie ma szans dogadać się z tym interfejsem ?
    Czy program na telefonie lub zewnętrznym komputerze jest w stanie wymusić jakąkolwiek transmisję przy niekompatybilności interfejsu (choćby przez konsolę tekstową) ?
    Czy ma ktoś jakieś doświadczenia z odczytem parametrów NISSANA NOTE ?

    ------------------------
    15 maj 2015
    Sam sobie udzielę publicznej odpowiedzi, ale moje próby może komuś pomogą w dalszym rozpracowywaniu tematu.
    Na telefonie zainstalowałem kolejne 2 programy pracujące pod Androidem:
    1.NISSAN EconTool - połączył się z interfejsem, ale nie chciał się zobaczyć komputera samochodu.
    2.EOBD Facile - demo -(wersja polskojęzyczna). Połączył się z interfejsem, poprosił o wybranie z listy około 20 producentów samochodów (wybrałem NISSAN) i automatycznie zaczął testować protokoły transmisji z samochodem. Nie zdążyłem zapisać przy którym nawiązał połączenie, ale to był jeden z dwóch ostatnich na liście:
    -Tryb automatyczny
    -SAEJ1850 PWM 41,6Kbaud
    -SAEJ1850 VPWM 10,4Kbaud
    -ISO9141 (inicjalizacja 5baud)
    -ISO14230-4 (inicjalizacja 5baud)
    -ISO14230-4 (szybka inicjalizacja)
    -ISO15765-4 (11bit ID, 500Kbaud)
    -ISO15765-4 (29bit ID, 500Kbaud)
    -ISO15765-4 (11bit ID, 250Kbaud)
    -ISO15765-4 (29bit ID, 250Kbaud)
    Wprawdzie jako wersja demo miał zablokowane większość opcji i wyświetlił :
    0 aktualnych błędów
    0 zapamiętanych błędów
    mimo świecącej kontrolki CHECK ENGINE, ale ten test dał mi odpowiedż, że interejs jest w stanie pośredniczyć między komputerem samochodu a programem w telefonie. Pozostaje więc kwestia wybrania samochodu RENAULT (NISSAN NOTE powstał wspólnie z RENAULT i część silników pochodzi z RENAULT a część z NISSANA) lub znalezienia pełnej wersji tego programu lub znalezienia innego programu. W każdym bądź razie jest to optymistyczny wniosek.
    Będę nad tym dalej pracował.
    ----------------------------------------------
    24.05.2015.
    W końcu udało się. Program TORQUE PRO poprzez ten skaner połączył się z komputerem samochodu NISSAN NOTE 1.4 2006. Zegary wyświetlają prawidłowo aktualną prędkość, obroty, temperaturę silnika, zczytują nr i opis błędu kontrolki CHECK ENGINE i kasują. Pokazują zamrożone ramki.
    Udało się to za około 40 próbą. Nic w międzyczasie nie zmieniałem w programie.
    Może zbyt krótko czekałem na połączenie, może zbyt krótkie przerwy robiłem między próbami, może za blisko trzymałem telefon a może za daleko, może po każdej nieudanej próbie trzeba wyciągać skaner ze złącza. W każdym razie jest szansa na odczyt. Chętnie skorzystałbym z doświadczeń innych jak to uruchamiać, aby połączyć się przy pierwszej próbie. Może ma ktoś doświadczenia z pełniejszego wykorzystania możliwości programu TORQUE ? (testy podzespołów, zapis parametrów podczas jazdy i ich interpretacja itp.)
REKLAMA