logo elektroda
logo elektroda
X
logo elektroda
REKLAMA
REKLAMA
Adblock/uBlockOrigin/AdGuard mogą powodować znikanie niektórych postów z powodu nowej reguły.

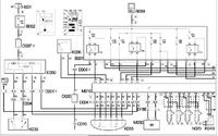
Fiat Ducato 15 2.3 JTD MAXI - Schemat bezpiecznikow

sztokula 15 Maj 2015 12:59 37530 3
REKLAMA
  • #1 14695175
    sztokula
    Poziom 8  
    Poszukuje schematu bezpiecznikow do Fiat Ducato 15 2.3 JTD Maxi (81kw)
  • REKLAMA
  • Pomocny post
    #2 14696227
    elektryk_siedlce
    Użytkownik obserwowany
    Witam.
    Nie jestem pewien ale wydaje mi się,że to to---> Fiat Ducato 15 2.3 JTD MAXI - Schemat bezpiecznikow ;)
    Sprawdź jeszcze to --> Fiat Ducato 15 2.3 JTD MAXI - Schemat bezpiecznikow
  • REKLAMA
  • #3 14696888
    sztokula
    Poziom 8  
    Dzieki za informacje.

    W samochodzie skrzynki z bezpiecznikami sa po 2 stronach (po stronie kierowcy i pasazera). Byc moze jakas skrzynka z bezpiecznikami znajduje sie pod maska ale jej nie znalazlem.

    Chodzilo mi o 2 odzielne schematy z danymi odnosnie napiecia elektrycznego bezpiecznikow.
    W starych samochodach byla tablica z opisem bezpiecznikow i napieciem.
REKLAMA