Mam problem z wykonaniem modelu falownika z modulacją szerokości impulsów.
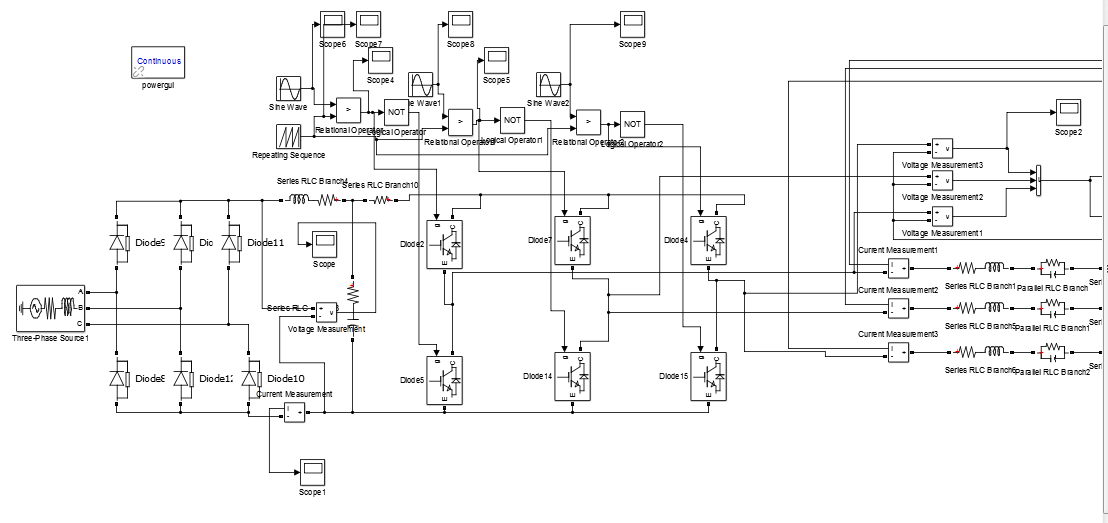
Mam mniej więcej działający schemat w simulinku, jednak przebiegi na wyjściu nie są sinusoidami. W jaki sposób powinno się wpisywac parametry sinusoidy i regulować głębokością modulacji i częstotliwością modulacji? Proszę o pomoc. Jak ewentualnie ktoś ma taki układ, to będę wdzięczny...
Mam mniej więcej działający schemat w simulinku, jednak przebiegi na wyjściu nie są sinusoidami. W jaki sposób powinno się wpisywac parametry sinusoidy i regulować głębokością modulacji i częstotliwością modulacji? Proszę o pomoc. Jak ewentualnie ktoś ma taki układ, to będę wdzięczny...