logo elektroda
logo elektroda
X
logo elektroda
REKLAMA
REKLAMA
Adblock/uBlockOrigin/AdGuard mogą powodować znikanie niektórych postów z powodu nowej reguły.

President Harry II ASC - Bardzo słaby odbiór, nadawanie w porządku.

ToJestNick 30 Maj 2015 18:30 6744 52
REKLAMA
  • #1 14732972
    ToJestNick
    Poziom 31  
    Witam. Posiadam to radyjko już 2 lata, kupione używane.
    Do wczoraj służyło bez żadnych problemów.
    Lecz niestety wczoraj zapanowała cisza, dzisiaj zaczęło mnie niepokoić że od kilkunastu godzin nikt się nie oddzywa a mieszkam przy ruchliwej ulicy.

    Po wyłączeniu blokady szumów, ustawieniu czułości RF Gain na maks, głośności na maks- szum w głośniku jest ledwie słyszalny, po odłączeniu anteny nie ma go w ogóle... Tylko jakieś dziwne ciche buczenie, ale ono było zawsze.

    Czasami usłyszę kogoś, odbiór jest wtedy czysty ale bardzo cichy, na skali nie zaświeca się żadna dioda, bądź pierwsza lekko miga...

    Nadawanie jest w porządku, na prawie 20km (radio pracuje na stacji bazowej), odbiór natomiast- do 100 metrów.


    Rozebrałem go, poprawiłem większość lutów- bez zmian.
    Wizualnie żadnych uszkodzeń nie zauważyłem.
    Mikrofon sprawdzony- sprawny.

    Ktoś ma jakieś pomysły co to może być?
    Jeśli sam tego nie naprawię, to warto chociaż wiedzieć co mówić w serwisie, aby nie naciągnęli na niepotrzebną wymianę sprawnych elementów w celu wyciągnięcia pieniędzy ;)


    Liczę na Pomoc. Pozdrawiam
  • REKLAMA
  • Pomocny post
    #2 14732998
    Konto nie istnieje
    Poziom 1  
  • #3 14733012
    ToJestNick
    Poziom 31  
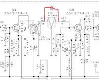
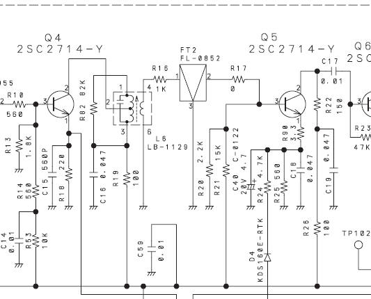
    Hm, oznaczenie tego filtra to CQ S455HT.
    Jak go sprawdzić? Tylko podmiana na inny?
  • REKLAMA
  • #4 14733023
    Rzuuf
    Poziom 43  
    Witam!
    To się zdarza, prawdopodobnie przestał kontaktować styk w gniazdku słuchawkowym. Ten styk odłącza głośnik po włożeniu słuchawek.
    Na schemacie: http://www.cbradia.waw.pl/zdjecia/pdf/schematy/president_harry_classic_schemat.gif oznaczony jako J3 (po prawej, na brzegu schematu).
    Co można zrobić: "siknąć" WD40, a następnie włożyć i wyjąć kilka razy wtyczkę słuchawkową (przy okazji sprawdź, jak odbiera na słuchawki)
  • REKLAMA
  • #5 14733027
    ToJestNick
    Poziom 31  
    Mam głośnik zewnętrzny, na nim niestety bez zmian... Więc to chyba nie to?
    Poza tym dźwięk przełączania kanału jest głośny tak jak był wcześniej.
    Wspomnę, że radio gdy poleży trochę, to po włączeniu przez jakieś 5 sekund szumi głośno, a potem szumy ustają całkowicie...
  • #7 14733123
    ToJestNick
    Poziom 31  
    Dotykałem palcem i żadne elementy nie są wyraźnie gorące, są raczej chłodne.

    Dodano po 0 [sekundy]:

    Dotykałem palcem i żadne elementy nie są wyraźnie gorące, są raczej chłodne.
  • Pomocny post
    #8 14733168
    Wawrzyniec
    Poziom 38  
    Normalka, tak się nieraz te filtry zachowują. Sprawdź jak jest na FMie. Jak mocno szumi to filtr. Na wyjściu filtra powinno być napięcie powyżej 1V. Jak jest mniej to filtr uszkodzony. President Harry II ASC - Bardzo słaby odbiór, nadawanie w porządku. President Harry II ASC - Bardzo słaby odbiór, nadawanie w porządku.
  • #10 14733185
    ToJestNick
    Poziom 31  
    Tzn w którym miejscu mam to napięcie sprawdzić? Na FM szumi niemiłosiernie nawet bez anteny. Zresztą zaraz wrzucę nagranie.
  • Pomocny post
    #11 14733195
    Wawrzyniec
    Poziom 38  
    Zaznaczyłem czerwoną kropą. President Harry II ASC - Bardzo słaby odbiór, nadawanie w porządku.
    Schemat 3 posty wyżej. Uszkodzony filtr obniża napięcie na bazie Q5 i tranzystor nie pracuje. Po wylutowaniu filtra napięcie na tej ścieżce powinno wzrosnąć. Jak zamiast filtra dasz kondensator kilka nano radio ruszy, ale straci znacznie selektywność.
  • #12 14733198
    ToJestNick
    Poziom 31  
    Już sprawdzam.

    Dodano po 11 [minuty]:

    To tak, na FM szum bez anteny jest niezmiernie mocny i głośny.
    Na AM przez parę sekund szumi głośno, potem prawie wcale.

    Napięcie na wyjściu filtru zaraz po uruchomieniu radia wynosi prawie 2V, po chwili spada do 0 i tak się utrzymuje, czyli filtr uszkodzony?
  • Pomocny post
    #13 14733254
    Wawrzyniec
    Poziom 38  
    Tak, na 100%. Powinno być cały czas napięcie w okolicach 1.2, 1.4V
    Nie może spadać bo wtedy Q5 przestaje pracować - patrz na fragment schematu.
  • REKLAMA
  • #14 14733256
    ToJestNick
    Poziom 31  
    To na pewno tylko to, czy może być coś więcej?

    Dodano po 55 [sekundy]:

    I pytanie: Można go wylutować lutownicą transformatorową?
  • #15 14733271
    Wawrzyniec
    Poziom 38  
    Można, ale uważaj. Tam jest druk dwustronny z przelotkami. Jak za mocno przygrzejesz to wyjdą przelotki. Zgnieć filtr kombinerkami i wyjmuj nóżki pojedynczo.
    Tylko filtr.
  • #16 14733274
    Konto nie istnieje
    Konto nie istnieje  
  • #17 14733297
    Wawrzyniec
    Poziom 38  
    SQ6OES napisał:
    Witam. A włóż we wtyk antenowy jakiś kawałek przewodu może być np 1m i zobacz czy wzrośnie poziom szmów jeśli tak to cos z anteną.Tam zawsze ostatnia "sekcja" pada. A jak nie to filtr do wymiany. W prosty sposób wytłumaczone. Pozdrawiam.

    Po co? Ewidentnie filtr. Zatyka się Q5 bo napięcie na bazie spada do 0V Po prostu wyjście filtra zwiera do masy. Przy okazji poznasz budowę tego filtra. :D
  • Pomocny post
    #18 14733311
    Konto nie istnieje
    Konto nie istnieje  
  • #19 14733320
    ToJestNick
    Poziom 31  
    Wkładając drut w gniazdo antenowe nie ma żadnej reakcji ze strony radia na to, szumy nie zwiększają się.

    Co do wylutowywania filtra to mam odsysacz, więc może poradzę sobie bez gniecenia go?

    Wspomnę, że radio bez anteny co jakiś czas lekko charczy.
  • Pomocny post
    #20 14733335
    Konto nie istnieje
    Konto nie istnieje  
  • Pomocny post
    #21 14733339
    Konto nie istnieje
    Poziom 1  
  • #22 14733340
    Wawrzyniec
    Poziom 38  
    Spróbuj, a jak będzie szło ciężko to go zgnieć. Jest ewidentnie uszkodzony.
  • #23 14733344
    ToJestNick
    Poziom 31  
    Radio mi służyło 2 lata, a u poprzedniego właściciela jakieś 4 więc chyba faktycznie dla filtra to już za dużo :) Zakupię Murata, przez internet bo sklepu takiego niestety nie mam. Zapewne dojdzie końcem tygodnia, wtedy też napiszę czy problem rozwiązany. Do tego czasu proszę o nie zamykanie tematu :) Dziękuję serdecznie za wszelkie rady, za uratowanie mojego radia, a przede wszystkim... portfela :D
  • Pomocny post
    #25 14733488
    kriss51
    VIP Zasłużony dla elektroda
    Zanim dojdzie filtr to po wyciągnięciu filtra jego wejście z wyjściem na płycie złącz kondensatorem np. 1nF i zobacz czy będzie normalny szum w AM. Przy okazji zmierz jeszcze raz napięcie na bazie bez filtra- tylko z kondensatorem.
  • #26 14733596
    Wawrzyniec
    Poziom 38  
    Wawrzyniec napisał:
    Po wylutowaniu filtra napięcie na tej ścieżce powinno wzrosnąć. Jak zamiast filtra dasz kondensator kilka nano radio ruszy, ale straci znacznie selektywność.
  • #27 14733691
    ToJestNick
    Poziom 31  
    Naniesie ktoś na schemat jak to dokładnie połączyć po wylutowaniu filtra?
  • #28 14733704
    Wawrzyniec
    Poziom 38  
    President Harry II ASC - Bardzo słaby odbiór, nadawanie w porządku.
    Proszę bardzo.
  • #29 14733708
    ToJestNick
    Poziom 31  
    Dzięki serdeczne, biorę się za wylutowywanie... A bez kondensatora nie będzie działać?
  • #30 14733713
    Wawrzyniec
    Poziom 38  
    Nie. President Harry II ASC - Bardzo słaby odbiór, nadawanie w porządku.
    Po wyjęciu filtra masz przerwę w torze sygnałowym, więc musisz go zastąpić kondensatorem.
REKLAMA