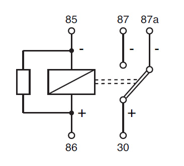
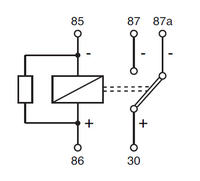
Witam. W moim fordzie w zapalniczce mam stałe 12V. Zależy mi aby zasilanie było po stacyjce. Kupiłem więc przekaźnik. Co prawda nie mieli takiego który załącza i rozłącza obwód ale taki który przełącza z jednego obwodu na drugi. Chce go podłączyć pod przewody idące do zapalniczki. Sterowany będzie plusem po stacyjce np z zasilania radia. Proszę o pomoc w rozszyfrowaniu schematu jego podłączenia bo nie rozumiem co pod jaki styk mam podłączyć.
