logo elektroda
logo elektroda
X
logo elektroda
REKLAMA
REKLAMA
Adblock/uBlockOrigin/AdGuard mogą powodować znikanie niektórych postów z powodu nowej reguły.

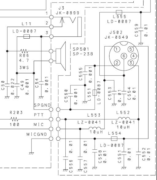
President JOHNNY III ASC brak L551 i L 554

slawekzako 13 Cze 2015 02:49 3852 21
REKLAMA
  • #1 14766985
    slawekzako
    Poziom 10  
    Witam zakupiłem radio President JOHNNY III ASC. Przy zmianie podświetlania na biało. Okazało się ze brakuje mi dwóch elementów , przy mikrofonie.Takich jak L551 i .I elementu L554 i czym to można zastąpić. Proszę o pomoc pozdrawiam.
  • REKLAMA
  • #2 14767050
    ArturAVS
    Moderator
    Na L552 są napisane wartości? Jak nie, to jakikolwiek dławik ( np. osiowy) o indukcyjności kilkunastu-kilkudziesięciu uH.
  • #3 14767056
    Wawrzyniec
    Poziom 38  
    To są dławiki: Part code BLDY0087001 SPEC LD-087 BF04-3*5*1
    Jeden podaje masę na gniazdo mic, a drugi sygnał na głośnik. Czym zastąpić? np dławikiem 10 mikrohenrów, lub ostatecznie zworą, ale wtedy należy się liczyć z możliwością przenikania zakłóceń poprzez kabel mikrofonowy. President JOHNNY III ASC brak L551 i L 554
  • #4 14767837
    kriss51
    VIP Zasłużony dla elektroda
    slawekzako napisał:
    Przy zmianie podświetlania na biało.Okazało się ze brakuje mi dwóch elementów , przy mikrofonie.


    Coś mi tu nie pasuje. Chciałeś wymieniać podświetlanie w radiu które było głuche?

    Jeśli chodzi o zastąpienie dławików to faktycznie może być zwora jeżeli radio pracuje w domu na antenie stacjonarnej to nic złego nie będzie się dziać, ale jeśli w samochodzie to może "gwizdać" podczas nadawania.
  • #6 14777544
    Konto nie istnieje
    Konto nie istnieje  
  • #7 14777891
    Wawrzyniec
    Poziom 38  
    Kod błędu napisał:
    Nie odróżniać Johnny dwa od Johnny trzy
    Fakt, pomyłka. President JOHNNY III ASC brak L551 i L 554 President JOHNNY III ASC brak L551 i L 554
    Jak nie korzystasz z mikrofonu ze zmianą kanałów to L551 nie musi być.
  • REKLAMA
  • #8 14779040
    Konto nie istnieje
    Konto nie istnieje  
  • #9 14779266
    Wawrzyniec
    Poziom 38  
    Kod błędu napisał:
    Te wszystkie trzy rozkazy góra/dół/Tx idą po tej samej żyle.
    Tak. Po PTT (3). W przypadku mikrofonu od Harrego III. Przy oryginalnym nie ma zmiany kanałów. Przy spalonym L551 lub braku nie ma zmiany kanałów w górę. W dół jest. Przy uszk L554 nie powinno być nadawania. Porównaj mikrofony: President JOHNNY III ASC brak L551 i L 554 President JOHNNY III ASC brak L551 i L 554

    Dodano po 10 [minuty]:

    Kod błędu napisał:
    A jeżeli to wada konstrukcji, co dalej ?
    Według mnie, gdyby ten opornik i dioda zenera President JOHNNY III ASC brak L551 i L 554 zamiast w mikrofonie były w radiu nie dochodziło by do takich uszkodzeń. A tak mamy pełne 12V na 6 pinie, co w przypadku zwarcia do masy daje takie efekty i to się dosyć często dzieje w przypadku ukręcenia przewodów we wtyku a jeszcze częściej w przypadku podłączenia przypadkowego mikrofonu na zasadzie "taka sama wtyczka to podłącz".
  • #10 14779552
    Konto nie istnieje
    Konto nie istnieje  
  • #11 14779621
    Wawrzyniec
    Poziom 38  
    W masie nic nie daje, w torze mikrofonowym jest potrzebny.
  • #12 14796727
    slawekzako
    Poziom 10  
    koledzy po wymianie dławika i pod podłączeniu radia dławik L554 drugi raz się spalił proszę o powdowieć co możne być wina dioda zenera d212 była spalona zmostkowałem l554 c557 bo nie było połączenia a na schemacie jest.
  • REKLAMA
  • #13 14796761
    ArturAVS
    Moderator
    Spalił się z podłączonym mikrofonem, czy bez?
  • REKLAMA
  • #15 14796836
    kriss51
    VIP Zasłużony dla elektroda
    Prawdopodobnie coś zwiera w mikrofonie pin 6 (PSW+B) z pinami 5 lub 2 które podłączone są do masy poprzez palący się dławik L554. Musisz poszukać w mikrofonie. Miernik do ręki i zmierz czy jest przejście między pinem 6 i 5 lub 6 i 2. Zobacz czy bez mikrofonu też będzie się palił kolejny dławik.


    Kod błędu napisał:
    Ale w odprowadzanie zakłoceń przez dławik masowy tylko głupek uwierzy w to.
    Jak może całe w.cz. popłynąc do masy przez opór falowy (dławik) - podstawowa zasada ekranowania wspólny potencjał w.cz.
    Ludzie trzymajcie mnie.


    Oj jeszcze wiele się musisz nauczyć. Nie pomyślałeś że chodzi o przenikanie sygnału wcz. z radia do mikrofonu, a nie na odwrót i to ma sens stosowanie dławika na masie.

    Tu następny kolega myśli tak samo.

    Wawrzyniec napisał:
    W masie nic nie daje, w torze mikrofonowym jest potrzebny.


    Jesteście w wielkim błędzie jeśli chodzi o dławik w masie.
  • #17 14797027
    kriss51
    VIP Zasłużony dla elektroda
    slawekzako napisał:
    nawet bez mikrofonu pali dławik


    W takim razie masz zwarcie gdzieś w samym gniazdku mikrofonowym lub w pobliżu. Zmierz czy nie ma zwarć w gniazdku między omawianymi pinami. Cudów nie ma. Zwarcie gdzieś tam musi być. Musisz zauważyć że po odłączeniu mikrofonu wszystkie piny w gniazdku są w powietrzu, a dławik nadal się pali więc któreś mają zwarcie do środkowego pinu 6.
  • #19 14797108
    kriss51
    VIP Zasłużony dla elektroda
    slawekzako napisał:
    jest ewidentne zwarcie na pinach 6i5 6i1


    Tak być nie może. Coś chyba za dużo polutowałeś, albo cyna gdzieś skapnęła. Teraz już wszystko zależy od Ciebie. My tego nie widzimy. Sprawdź w którym miejscu są te zwarcia. Daj może fotografie lutowań gniazda do płytki i okolic tam gdzie było lutowane.

    Zwarcie 6 i 5 powodowało palenie dławika, a 6 i 1 mogło spalić wkładkę mikrofonową. Tylko o tym przekonasz się jak już nie będzie zwarć. Zobaczysz czy Ciebie będzie słychać. Dodatkowo po usunięciu zwarć sprawdź jeszcze diodę D212 oraz dławik L553. Jest wielce prawdopodobne że któryś z tych elementów się spalił, albo oba.
  • #21 14797313
    kriss51
    VIP Zasłużony dla elektroda
    slawekzako napisał:
    kolego masz od dennie licencje na wróżkę


    Nie jestem wróżką. To było proste nawet na odległość można było stwierdzić co mogło się stać. Poczytaj mój post wyżej, bo go edytowałem i nie będę pisał dwa razy. Tam masz napisane co dale masz sprawdzić. Jak teraz masz usunięte zwarcie między pin 5 i 6 to dławik L554 już nie będzie się palił. Pisz zdania z dużych liter. Pozostało zwarcie między 6 i 1.
REKLAMA