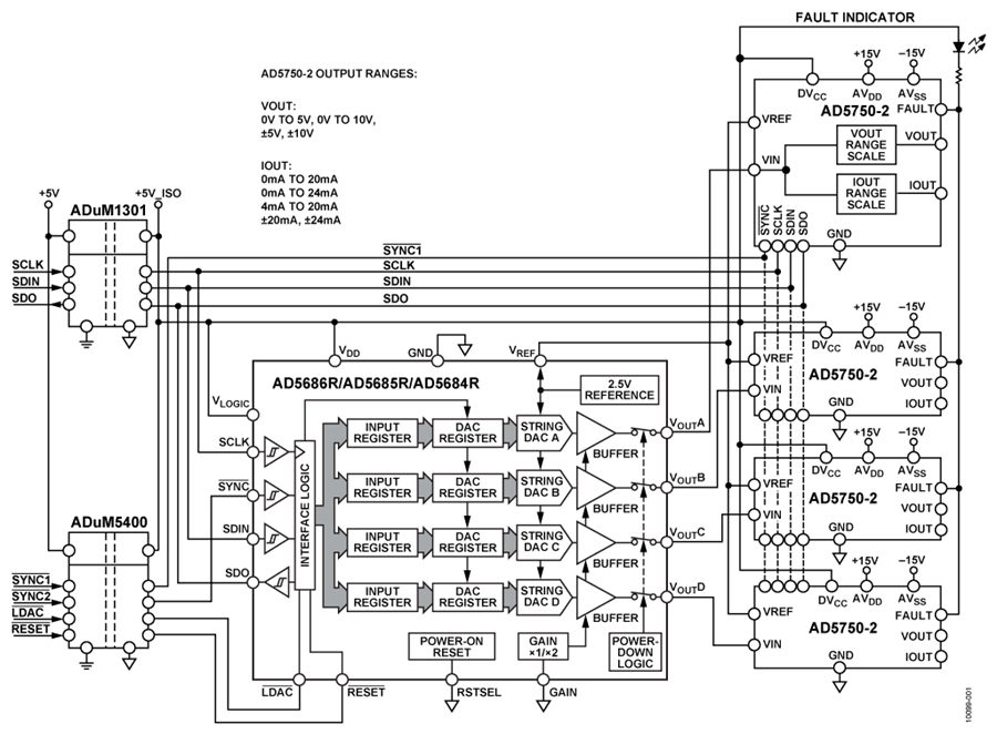
Zaprezentowany poniżej układ jest wielokanałową, elastyczną platformą wyjść analogowych, wykorzystującą jedynie dwa układy analogowe. Spełnia on większość wymagań dla wielokanałowych kart IO, modułów wyjściowych sterowników przemysłowych PLC czy rozproszonych systemów kontrolno-pomiarowych. Układ wykorzystuje czterokanałowy przetwornik cyfrowo-analogowy (DAC) AD5686R o rozdzielczości 16 bit. Jest to układ z serii nanoDAC+wyposażony w buforowane wyjścia rail-to-rail, które podłączone są do przemysłowych sterowników wyjściowych AD5750-2, obsługujących wszystkie prądy i napięcia z zakresu 16 bitowej pracy DAC. Układ oferuje wysoką liniowość (0,05%) i błąd wyjściowy poniżej 0,1%. Uproszczony schemat systemu pokazany jest na rysunku pierwszym.
W układzie zintegrowano źródło napięcia odniesienia 2,5 V o ultraniskim dryfcie termicznym (2 ppm/°C) i o znacznej wydajności prądowej (?5 mA). Źródło to zintegrowane jest z przetwornikiem DAC i zapewnia napięcie odniesienia dla przetwornika i układów AD5750-2. Gwarantuje to wysoką dokładność, niski poziom szumu i niewielki dryft termiczny systemu.
Układy ADuM1301 oraz ADuM5400 zapewniają izolację galwaniczną do 2500 Vrms zasilania oraz wszystkich niezbędnych sygnałów kontrolnych i danych, pozwalających na komunikację modułu z kontrolerem.
W aplikacjach wielokanałowych, gdzie konieczna jest większa niż 4 ilość kanałów wyjściowych, kilka układów AD5686R może zostać połączone szeregowo, co nie wymaga żadnych dodatkowych układów w systemie. Taka możliwość znacznie zmniejsza kosztochłonność konstrukcji wielokanałowego systemu sterującego, szczególnie, gdy wymagana jest duża liczba izolowanych galwanicznie wyjść analogowych.
Zaprezentowany układ zawiera także kluczowe funkcje, jakich wymaga się od systemów przemysłowych, takie jak zintegrowana detekcja błędów, sprawdzanie błędów pakietów poprzez algorytm CRC, elastyczne systemy oszczędzania prądu oraz zabezpieczenie ESD (4 kV dla AD5686R i 3 kV dla AD5750-2). Taki zestaw funkcji czyni prezentowany system idealnym do zastosowań przemysłowych. Nie są wymagane żadne precyzyjne rezystory ani procedury kalibracyjne, aby otrzymać powtarzalny produkt masowy, co pozwala na łatwą integrację prezentowanego rozwiązania na przykład w modułach PLC.
Opis układu
Układy AD5750/AD5750-1/AD5750-2 są jednokanałowymi, ekonomicznymi i precyzyjnymi driverami wyjść prądowych i napięciowych do systemów przemysłowych. Zakres wyjściowy tych układów może być programowo skonfigurowany do jednego z standardów przyjętych w przemyśle: 0 V do 5 V, 0 V do 10 V, ?5 V do +5 V oraz ?10 V do +10 V. Dodatkowo zapewniono możliwość zwiększenia napięcia o 20%, co pozwala skonfigurować układy do pracy z napięciami w zakresie: 0 V do +6 V, 0 V do +12 V, ?6 V do +6 V oraz ?12 V do +12 V. Wyjście prądowe, dostępne na osobnym wyprowadzeniu układu, może być zaprogramowane do pracy w standardzie: +4 mA do +20 mA, 0 mA do +20 mA, ?20 mA do +20 mA, 0 mA do +24 mA lub ?24 mA do +24 mA. Zapewniona jest możliwość ustawienia wyjścia z 2% zwiększeniem zakresu. Ponieważ wymienione układy scalone są w stanie pracować z prądem płynącym w obu kierunkach, są one kompatybilne z szerokim zakresem sensorów i siłowników. Wyjścia napięciowe i prądowe układów w opisywanym systemie mogą zostać połączone ze sobą, aby zapewnić jednokanałową pracę, jeśli zachodzi taka potrzeba.
W ogólności, wyjście prądowe wymaga co najmniej jednego precyzyjnego rezystora do pomiaru płynącego prądu. Precyzja wyjścia i jego dryft termiczny zależą częściowo od zastosowanego opornika jak i od źródła napięcia odniesienia. Opisywane układy posiadają precyzyjny rezystor o niskim dryfcie termicznym wbudowany w swoją strukturę, jednakże nadal, jeśli jest taka potrzeba, można korzystać z zewnętrznego rezystora. Zewnętrzny opornik może być podłączony do pinów REXT1 i REXT2 układu, a jego wykorzystanie skonfigurowane z pomocą rejestrów wewnętrznych układu. Jeśli układ korzysta z wewnętrznego rezystora, wejścia REXT należy zostawić niepodłączone.
AD5686R to czterokanałowy przetwornik nanoDAC+ o rozdzielczości 16 bit. Jest on zintegrowany ze źródłem napięcia odniesienia, które może być wykorzystane przez inne układy. Dzięki niskiej impedancji źródła, równej 0.05 ?, prąd płynący przez nie może być dosyć wysoki. Układ ma wbudowany system resetu przy załączaniu, przez co zawsze po załączeniu na wyjściu jest 0 V do czasu zapisania wartości poprzez interfejs cyfrowy.
Interfejs pomiędzy DACem i driverem wyjściowym jest bardzo prosty i nie wymaga dodatkowych elementów. Wyjście z DAC wynosi od 0 do 2,5 V, co doskonale zgadza się z zakresem wejściowym AD5750-2. Dodatkowo, podawane jest na ten układ napięcie odniesienia z przetwornika.
Układ ADuM1301 to trójkanałowy izolator galwaniczny, a ADuM5400 to czterokanałowy izolator galwaniczny z wbudowaną przetwornicą DC/DC. Oba te układy oparte są o technologię iCoupler? i wykorzystane są w opisywanym systemie do zapewnienia izolacji galwanicznej pomiędzy modułem wyjść, a procesorem układu. Układ ADuM5400 zapewnia izolowane napięcie 5 V na wyjściu, które zasila układy po wtórnej stronie systemu - cały moduł wyjściowy.
Urządzenia takie jak sterowniki PLC wymagają zabezpieczeń ESD i in. Układy AD5686R oraz AD5750-2 mają wbudowane zabezpieczenia ESD w swoją strukturę. Jednakże środowisko przemysłowe może generować przepięcia większe niż te, do których przystosowane są zabezpieczenia tych układów scalonych. Dlatego też w okładzie zastosowano transile o napięciu 54 V i mocy 600 W, jako pierwszy stopień ochrony przed ESD. Dodatkowo umieszczono w układzie diody Schottky-ego z opornikami 1 k? 0,5 W jako zabezpieczenia i bezpieczniki polimerowe na wyjściach VOUT i IOUT. Systemy te, dające dodatkowy poziom zabezpieczeń, nie są pokazane na uproszczonym schemacie na rysunku 1.
Układ zrealizowany zostać powinien na wielowarstwowej płytce drukowanej z dużą powierzchnią wylewki masy. Należy zadbać o odpowiednie prowadzenie ścieżek, architekturę prowadzenia masy oraz odsprzęganie i filtrowanie napięcia zasilającego, aby uzyskać optymalne parametry systemu. Odpowiednia dokumentacja dostępna w sieci (i na Elektrodzie) pozwala nauczyć się, jak projektować tego rodzaju obwody drukowane.
Pomiary układu
Zmierzono całkowitą nieliniowość układu (INL) oraz nieliniowość różnicową (DNL), a także całkowity błąd wyjściowy. Wyniki pomiarów pokazano na rysunkach 2, 3 i 4. Są to najważniejsze parametry dla aplikacji w sterownikach PLC. Pomiarów dokonano w temperaturze 25°C. AD5750-2 pracował w trybie 0 V do 5 V. Wyniki otrzymane dla innych zakresów umieszczone są w tabelce pod wykresami.
Rys.2. Zniekształcenia nieliniowe wyjścia w zakresie od 0 do 5 V.
Rys.3. Różnicowe zniekształcenia nieliniowe w zakresie od 0 do 5 V.
Rys.4. Błąd wyjściowy w zakresie od 0 do 5 V.
Pomiary zebrane w tabelce powyżej wykonano w temperaturze 25°C dla pierwszego kanału układu. Układ zasilany był z zasilacza Agilent E3631A, pomiarów dokonano multimetrem Agilent 34401A. Warto zwrócić uwagę, że zakresy wyjściowe wynoszą 3,92 mA do 20,4 mA, 0 mA do 20,4 mA i 0 mA do 24.5 mA. Wynika to z faktu, że układ trzeba skalibrować, aby prądy te zgadzały się z odpowiednimi standardami. Błąd wyjściowy FSR wynoszący 1.86% zawiera w sobie już błąd wzmocnienia układu, który łatwo wyeliminować poprzez kalibrację układu.
Źródło:
http://www.analog.com/en/design-center/refere...DB_NONE_AL_MQL&70132000000l9nY#rd-description
W układzie zintegrowano źródło napięcia odniesienia 2,5 V o ultraniskim dryfcie termicznym (2 ppm/°C) i o znacznej wydajności prądowej (?5 mA). Źródło to zintegrowane jest z przetwornikiem DAC i zapewnia napięcie odniesienia dla przetwornika i układów AD5750-2. Gwarantuje to wysoką dokładność, niski poziom szumu i niewielki dryft termiczny systemu.
Układy ADuM1301 oraz ADuM5400 zapewniają izolację galwaniczną do 2500 Vrms zasilania oraz wszystkich niezbędnych sygnałów kontrolnych i danych, pozwalających na komunikację modułu z kontrolerem.
W aplikacjach wielokanałowych, gdzie konieczna jest większa niż 4 ilość kanałów wyjściowych, kilka układów AD5686R może zostać połączone szeregowo, co nie wymaga żadnych dodatkowych układów w systemie. Taka możliwość znacznie zmniejsza kosztochłonność konstrukcji wielokanałowego systemu sterującego, szczególnie, gdy wymagana jest duża liczba izolowanych galwanicznie wyjść analogowych.
Zaprezentowany układ zawiera także kluczowe funkcje, jakich wymaga się od systemów przemysłowych, takie jak zintegrowana detekcja błędów, sprawdzanie błędów pakietów poprzez algorytm CRC, elastyczne systemy oszczędzania prądu oraz zabezpieczenie ESD (4 kV dla AD5686R i 3 kV dla AD5750-2). Taki zestaw funkcji czyni prezentowany system idealnym do zastosowań przemysłowych. Nie są wymagane żadne precyzyjne rezystory ani procedury kalibracyjne, aby otrzymać powtarzalny produkt masowy, co pozwala na łatwą integrację prezentowanego rozwiązania na przykład w modułach PLC.
Opis układu
Układy AD5750/AD5750-1/AD5750-2 są jednokanałowymi, ekonomicznymi i precyzyjnymi driverami wyjść prądowych i napięciowych do systemów przemysłowych. Zakres wyjściowy tych układów może być programowo skonfigurowany do jednego z standardów przyjętych w przemyśle: 0 V do 5 V, 0 V do 10 V, ?5 V do +5 V oraz ?10 V do +10 V. Dodatkowo zapewniono możliwość zwiększenia napięcia o 20%, co pozwala skonfigurować układy do pracy z napięciami w zakresie: 0 V do +6 V, 0 V do +12 V, ?6 V do +6 V oraz ?12 V do +12 V. Wyjście prądowe, dostępne na osobnym wyprowadzeniu układu, może być zaprogramowane do pracy w standardzie: +4 mA do +20 mA, 0 mA do +20 mA, ?20 mA do +20 mA, 0 mA do +24 mA lub ?24 mA do +24 mA. Zapewniona jest możliwość ustawienia wyjścia z 2% zwiększeniem zakresu. Ponieważ wymienione układy scalone są w stanie pracować z prądem płynącym w obu kierunkach, są one kompatybilne z szerokim zakresem sensorów i siłowników. Wyjścia napięciowe i prądowe układów w opisywanym systemie mogą zostać połączone ze sobą, aby zapewnić jednokanałową pracę, jeśli zachodzi taka potrzeba.
W ogólności, wyjście prądowe wymaga co najmniej jednego precyzyjnego rezystora do pomiaru płynącego prądu. Precyzja wyjścia i jego dryft termiczny zależą częściowo od zastosowanego opornika jak i od źródła napięcia odniesienia. Opisywane układy posiadają precyzyjny rezystor o niskim dryfcie termicznym wbudowany w swoją strukturę, jednakże nadal, jeśli jest taka potrzeba, można korzystać z zewnętrznego rezystora. Zewnętrzny opornik może być podłączony do pinów REXT1 i REXT2 układu, a jego wykorzystanie skonfigurowane z pomocą rejestrów wewnętrznych układu. Jeśli układ korzysta z wewnętrznego rezystora, wejścia REXT należy zostawić niepodłączone.
AD5686R to czterokanałowy przetwornik nanoDAC+ o rozdzielczości 16 bit. Jest on zintegrowany ze źródłem napięcia odniesienia, które może być wykorzystane przez inne układy. Dzięki niskiej impedancji źródła, równej 0.05 ?, prąd płynący przez nie może być dosyć wysoki. Układ ma wbudowany system resetu przy załączaniu, przez co zawsze po załączeniu na wyjściu jest 0 V do czasu zapisania wartości poprzez interfejs cyfrowy.
Interfejs pomiędzy DACem i driverem wyjściowym jest bardzo prosty i nie wymaga dodatkowych elementów. Wyjście z DAC wynosi od 0 do 2,5 V, co doskonale zgadza się z zakresem wejściowym AD5750-2. Dodatkowo, podawane jest na ten układ napięcie odniesienia z przetwornika.
Układ ADuM1301 to trójkanałowy izolator galwaniczny, a ADuM5400 to czterokanałowy izolator galwaniczny z wbudowaną przetwornicą DC/DC. Oba te układy oparte są o technologię iCoupler? i wykorzystane są w opisywanym systemie do zapewnienia izolacji galwanicznej pomiędzy modułem wyjść, a procesorem układu. Układ ADuM5400 zapewnia izolowane napięcie 5 V na wyjściu, które zasila układy po wtórnej stronie systemu - cały moduł wyjściowy.
Urządzenia takie jak sterowniki PLC wymagają zabezpieczeń ESD i in. Układy AD5686R oraz AD5750-2 mają wbudowane zabezpieczenia ESD w swoją strukturę. Jednakże środowisko przemysłowe może generować przepięcia większe niż te, do których przystosowane są zabezpieczenia tych układów scalonych. Dlatego też w okładzie zastosowano transile o napięciu 54 V i mocy 600 W, jako pierwszy stopień ochrony przed ESD. Dodatkowo umieszczono w układzie diody Schottky-ego z opornikami 1 k? 0,5 W jako zabezpieczenia i bezpieczniki polimerowe na wyjściach VOUT i IOUT. Systemy te, dające dodatkowy poziom zabezpieczeń, nie są pokazane na uproszczonym schemacie na rysunku 1.
Układ zrealizowany zostać powinien na wielowarstwowej płytce drukowanej z dużą powierzchnią wylewki masy. Należy zadbać o odpowiednie prowadzenie ścieżek, architekturę prowadzenia masy oraz odsprzęganie i filtrowanie napięcia zasilającego, aby uzyskać optymalne parametry systemu. Odpowiednia dokumentacja dostępna w sieci (i na Elektrodzie) pozwala nauczyć się, jak projektować tego rodzaju obwody drukowane.
Pomiary układu
Zmierzono całkowitą nieliniowość układu (INL) oraz nieliniowość różnicową (DNL), a także całkowity błąd wyjściowy. Wyniki pomiarów pokazano na rysunkach 2, 3 i 4. Są to najważniejsze parametry dla aplikacji w sterownikach PLC. Pomiarów dokonano w temperaturze 25°C. AD5750-2 pracował w trybie 0 V do 5 V. Wyniki otrzymane dla innych zakresów umieszczone są w tabelce pod wykresami.
Rys.2. Zniekształcenia nieliniowe wyjścia w zakresie od 0 do 5 V.
Rys.3. Różnicowe zniekształcenia nieliniowe w zakresie od 0 do 5 V.
Rys.4. Błąd wyjściowy w zakresie od 0 do 5 V.
Pomiary zebrane w tabelce powyżej wykonano w temperaturze 25°C dla pierwszego kanału układu. Układ zasilany był z zasilacza Agilent E3631A, pomiarów dokonano multimetrem Agilent 34401A. Warto zwrócić uwagę, że zakresy wyjściowe wynoszą 3,92 mA do 20,4 mA, 0 mA do 20,4 mA i 0 mA do 24.5 mA. Wynika to z faktu, że układ trzeba skalibrować, aby prądy te zgadzały się z odpowiednimi standardami. Błąd wyjściowy FSR wynoszący 1.86% zawiera w sobie już błąd wzmocnienia układu, który łatwo wyeliminować poprzez kalibrację układu.
Źródło:
http://www.analog.com/en/design-center/refere...DB_NONE_AL_MQL&70132000000l9nY#rd-description
Fajne? Ranking DIY
