Witam.
Mam taki problem u siebie w samochodzie:
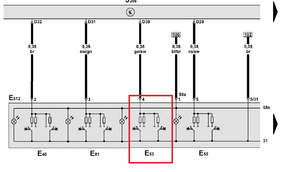
Szyba pasażera otwiera się i zamyka z przełącznika w prawych drzwiach.
Sterując ją z drzwi kierowcy otwiera się, ale zamknąć już się nie chce.
Na schemacie wygląda to tak:
Może mi ktoś wyjaśnić ten schemat?
Jednym przewodem z przełącznika idzie sygnał zamykania i otwierania?
W jaki sposób?
Zmiana napięcia?
Mam taki problem u siebie w samochodzie:
Szyba pasażera otwiera się i zamyka z przełącznika w prawych drzwiach.
Sterując ją z drzwi kierowcy otwiera się, ale zamknąć już się nie chce.
Na schemacie wygląda to tak:
Może mi ktoś wyjaśnić ten schemat?
Jednym przewodem z przełącznika idzie sygnał zamykania i otwierania?
W jaki sposób?
Zmiana napięcia?