logo elektroda
logo elektroda
X
logo elektroda
REKLAMA
REKLAMA
Adblock/uBlockOrigin/AdGuard mogą powodować znikanie niektórych postów z powodu nowej reguły.

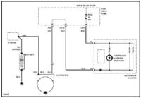
Vw Passat B5 - brak napięcia wzbudzenia alternatora

lukasb4 15 Lip 2015 11:59 29352 52
REKLAMA
  • #1 14849826
    lukasb4
    Poziom 12  
    Witam, mam problem tego typu, że alternator wytwarza mi 14,4V tylko po podaniu napięcia na zacisk wzbudzenia. Sprawdziłem całą wiązkę wzbudzenia i jest cała aż do licznika. Tam moja wiedza się kończy. Nie wiem jak ugryźć temat. Moje pytanie : czy stacyjka steruje wzbudzeniem, czy już tylko z licznika ma wyjść napiecie?

    Alternator po remoncie, w warsztacie wymienili regulator, na stole po podaniu napięcia wzbudzenia pracuje jak należy.

    Gdzie może być problem? licznik? stacyjka?

    Słyszałem,że działa to na takiej zasadzie,że jak alternator nie jest wzbudzony to podaje masę na niebieski kabel, a jak się wzbudzi to podaje napięcie i wtedy kontrolka gaśnie. u mnie gaśnie ,ale jak podam mu napiecie np. z akumulatora.
  • REKLAMA
  • #2 14849918
    czapelka
    Poziom 12  
    Rozumiem że lampka od ładowania się świeci, zanim zapalisz silnik? Jeśli odłączysz kabel prowadzący od altka do lampki, powinna ona zgasnąć, jak go późnij przyłożysz do masy - zapalić się. Czy tak jest?
  • REKLAMA
  • #3 14849933
    lukasb4
    Poziom 12  
    Tak. Przy zwieraniu do masy lampka zapala się, przy rozwarciu gaśnie.
  • #4 14850068
    Strumien swiadomosci swia
    Poziom 43  
    lukasb4 napisał:
    Tak. Przy zwieraniu do masy lampka zapala się, przy rozwarciu gaśnie.


    To logiczne że masz problem w alternatorze, skoro jest ciągłość przewodu wzbudzenia.
  • #5 14850161
    carrot
    Moderator Samochody
    W zegarach są rezystory do wzbudzenia alternatora
    Vw Passat B5 - brak napięcia wzbudzenia alternatora
  • #6 14850313
    lukasb4
    Poziom 12  
    Po podaniu napięcia 12V na zacisk wzbudzenia w kręcącym się alternatorze wytwarza się katalogowe 14,4V.

    Dalej uważasz, że problem tkwi w alternatorze?

    Dla mnie logiczne by było, że alternator jest sprawny, ale nie dostaję prądu wzbudzenia ze strony licznika. Mógłbym to zrobić po przekaźniku, ale taką sztukę zostawiam dla druciarzy.
  • #7 14850343
    abart64
    Poziom 33  
    Zobacz jaki jest prąd pobierany przez kontrolkę ładowania,tzn zewrzyj niebieski do masy przez żarówkę 1,2W czy się zaświeci na włęczonym zapłonie .
    Czy wcześniej,przed wymianą regulatora kontrolka gasła normalnie i było ładowanie?

    Dodano po 1 [minuty]:

    Tzn czy się zaświeci ta 1,2W żarówka bo kontrolka napewno.
  • #8 14850358
    grala1
    Specjalista grupy V.A.G.
    Co innego lampka w liczniku a co innego wzbudzenie.
    Tam nie masz 12V na wzbudzenie tylko 12V przez rezystor.
  • #9 14850365
    lukasb4
    Poziom 12  
    Czyli wzbudza go mniejsze napięcie, a jak upalony to może przerwa i stąd brak napięcia. Czyli ten rezystor jest gdzies w liczniku?
  • #10 14850366
    abart64
    Poziom 33  
    No właśnie. To nie jest zacisk wzbudzenia tylko wyjście na kontrolkę ,w starych alternatorach to było to samo w nowszych już niekoniecznie.
    Podejrzewam że jest niewłaściwy regulator założony,w tablicy jest sama dioda led i nie będzie to chodziło poprawnie
  • REKLAMA
  • #11 14850377
    lukasb4
    Poziom 12  
    Ok. To ja to rozumiem teraz tak. w Passacie z 1998 roku jest alternator, który po wejściu na obroty wzbudza się sam, nie potrzebuje podania napięcia z zewnatrz . Mój alternator potrzebuje tego napięcia , więc mam jakieś uszkodzenie w obwodzie wzbudzenia po stronie alternatora ?
  • REKLAMA
  • #12 14850382
    grala1
    Specjalista grupy V.A.G.
    Abart64 - nie pisz głupot.
    Ten zacisk jest jednocześnie wzbudzeniem i wyjściem na kontrolkę.
    Nie masz wzbudzenia i przez to nie ma ładowania póki nie przegazujesz.
    Musisz wyjąc licznik i sprawdzić go.
    To jest zrobione na 2 diodach i jednym rezystorze.
    Jedna dioda z plusa (zacisk 1) na rezystor (oznaczenie chyba 123)
    a z tego rezystora na diodę BAS21 (oznaczenie JSs) i z tej diody idzie na zacisk 12 licznika.
    Sprawdź czy obie diody mają przejście i czy rezystor ma jakąś rezystancje.
    Oczywiście mówie o pinach 1 i 12 niebieskiego złącza licznika.
  • #13 14850388
    lukasb4
    Poziom 12  
    Ok. sprawdzę i dam znać.
  • #14 14850393
    grala1
    Specjalista grupy V.A.G.
    Rezystor ma symbol 132 a nie 123 jak napisałem wcześniej - wszystko jest przy niebieskim złączu licznika pod tarczką.
  • #15 14850400
    abart64
    Poziom 33  
    Jak jest valeo to wzbudza się bez kontrolki tylko impulasami i otwiera sam sobie prąd wzbudzenia bo jest podłączony do + 30 i jednocześnie podaje plus na wyjściu do zgaszenia kontrolki .Nie potrzebuje obciążenia na kontrolce do wzbudzenia się.
  • #16 14850538
    czapelka
    Poziom 12  
    No, to już raczej jasne. Możesz jeszcze - dla pewności - odpiąć kabalek od kontrolki i na krótko przez jakąś większą żarówkę - np 5w, zacisk wzbudzenia podłączyć pod plus akumulatora. Zapalasz silnik, jeśli żarówka zgaśnie to masz odpowiedź - przez licznik nie wzbudza się bo za mały prąd przechodzi przez licznik czyli pewnie upalony ten wspomniany rezystor lub dioda. Chociaż wadliwego regulatora też bym od razu nie wykluczał.
  • #17 14850750
    T5
    Admin grupy Samochody
    lukasb4 napisał:
    Alternator po remoncie, w warsztacie wymienili regulator
    czapelka napisał:
    Chociaż wadliwego regulatora też bym od razu nie wykluczał.
    Pytanie czy jest właściwie dobrany.
  • #18 14852853
    lukasb4
    Poziom 12  
    Vw Passat B5 - brak napięcia wzbudzenia alternatora

    Zaznaczony tranzystorek na zdjęciu powyżej przewodzi(0,566V) w jedną stronę między nóżką chyba emitera i bazy , ale nie ma przewodności w żadna ze stron miedzy bazą a kolektorem(możliwe ,że pomyliłem kolektor z emiterem)

    Tam gdzie zaznaczyłem białym markerem nie ma przewodzenia w żadnym kierunku

    To jest mosfet?
  • #19 14853680
    grala1
    Specjalista grupy V.A.G.
    To nie tranzystorek tylko dioda.
    Po drugiej stronie masz jeszcze jedną w innej obudowie podłączoną do plusa po stacyjce i rezystor.
  • #20 14857824
    lukasb4
    Poziom 12  
    Ok, sprawdziłem wszystkie komponenty. Każdy rezystor ma jakąś tam oporność, diody przewodzą i zapierają, wyniki powtarzalne, sprawdzałem z bliźniaczymi komponentami.

    Moje pytanie ,czy mogę pociągnąć plusa po stacyjce i podać go na zacisk wzbudzenia alternatora, tak by podawane było na niego napiecie po przekręceniu kluczyka?( i cały czas podczas jazdy)
    Powoli już wymiękam i mam ochotę pójść na skróty:(

    Ile powinno wynosić to napięcie wzbudzenia dochodzące z licznika?

    grala1 napisał:

    Nie masz wzbudzenia i przez to nie ma ładowania póki nie przegazujesz.


    Ja nie mam ładowania nawet po przegazowaniu. Nigdy. Dopiero jak sam podam mu 12V z akumulatora osobnym kabelkiem
  • Pomocny post
    #21 14857997
    grala1
    Specjalista grupy V.A.G.
    Daj plusa po stacyjce ale przez żarówkę 5W.
    Jeżeli to zadziała to problem w liczniku.
    lukasb4 napisał:
    Każdy rezystor ma jakąś tam oporność

    Tam jest tylko jedne rezystor od tego i ma mieć on odpowiednią oporność a nie jakąś tam.
    Przerwa w obwodzie to też jakaś tam oporność.
  • #22 14861215
    lukasb4
    Poziom 12  
    Dałem plusa przez żarówkę ,ale bezpośrednio z klemy aku. Auto ma ładowanie. Szukam używanego licznika. Napiszę finalnie czy to pomogło.
  • #23 14861377
    andrzej20001
    Poziom 43  
    Założyli mu czajna-czajna regulator, załóż przynajmniej as,cargo i będzie ok.
  • #24 14861452
    lukasb4
    Poziom 12  
    Jest cargo.
  • #25 14861479
    carrot
    Moderator Samochody
    Cytat:
    Szukam używanego licznika

    Weź pod uwagę, że w liczniku jest immo, na innym samochód nie zapali
  • #26 14861693
    andrzej20001
    Poziom 43  
    Cargo startuje na diodzie bez tematu.
  • #27 14862300
    lukasb4
    Poziom 12  
    to co jeszcze potrzebne? pastylka z kluczyka wystarczy?

    ewentualnie, podpowiedzcie, który z układów trzeba przelutować,albo jak pominąć immo.
  • #28 14862848
    grala1
    Specjalista grupy V.A.G.
    Jaki to rocznik Passata?
    Jak immo2 to wystarczy jak kupisz licznik z transponderem z klucza.
    Zawsze można odczytać PIN i dopisać swoje klucze.
  • #29 14863539
    goldwinger
    VIP Zasłużony dla elektroda
    Panowie dajcie spokój. Z braku wzbudzenia będziecie immo mieniać?
    Gdzie sens, gdzie logika?
  • #30 14863629
    lukasb4
    Poziom 12  
    Jeżeli moznaby było tylko transponder z licznikiem to calkiem spoko pomysł. Kolego Goldwinger , masz lepszy pomysł?
REKLAMA