logo elektroda
logo elektroda
X
logo elektroda
REKLAMA
REKLAMA
Adblock/uBlockOrigin/AdGuard mogą powodować znikanie niektórych postów z powodu nowej reguły.

[Zlecę] Przekaźnik/sterownik

hondacube 21 Lip 2015 09:51 912 1
REKLAMA
  • #1 14863907
    hondacube
    Poziom 2  
    Witam,

    potrzebny przekaźnik/sterownik, który będzie zwierał przy napięciu 10V, natomiast rozłączał przy spadku do 6V. Możecie mi pomóc? [ew. zlecę wykonanie]

    Nie mogłem znaleźć bardziej odpowiedniego działu, proszę administratora o przeniesienie wątku jeżeli jest lepsze miejsce na ten temat.

    Pozdrawiam
    Kuba
  • REKLAMA
  • #2 14864259
    kristofsid

    Poziom 14  
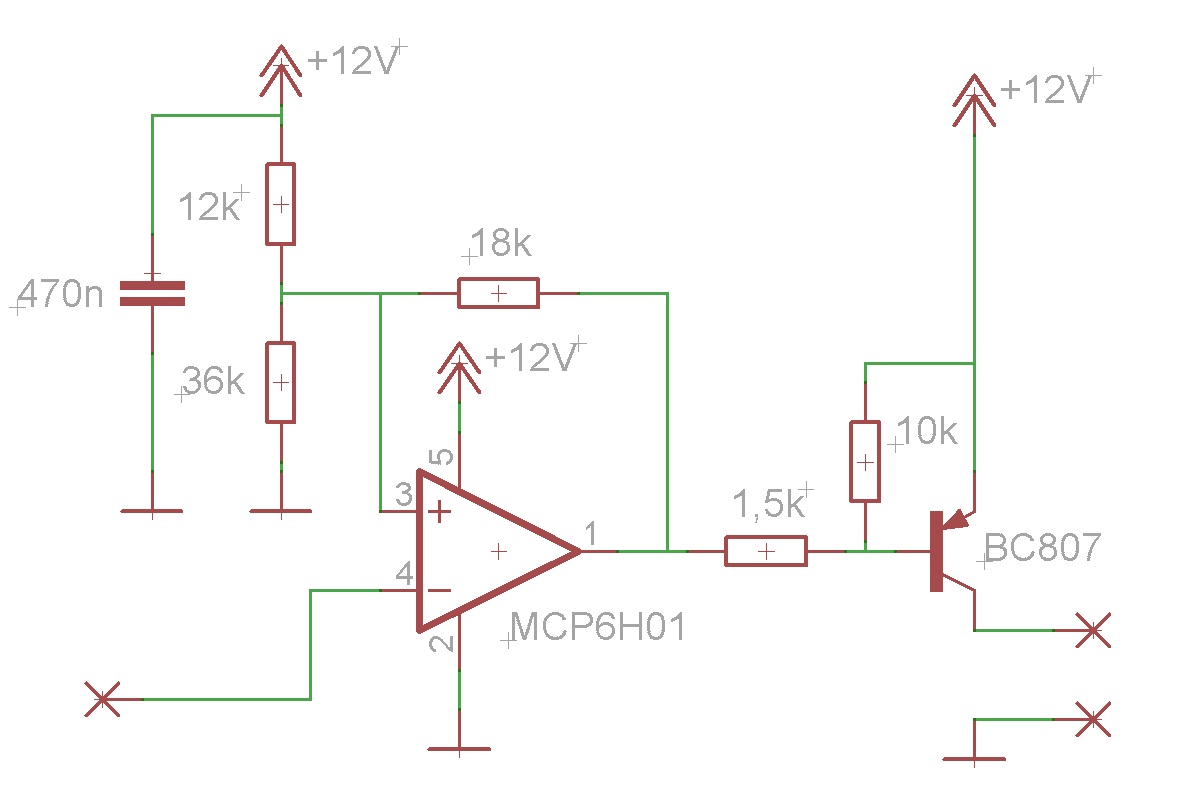
    Spróbuj coś takiego, powinno działać.
    Nie zapomnij na cewce przekaźnika dodać diody anty-przepięciowej



    [Zlecę] Przekaźnik/sterownik
REKLAMA