logo elektroda
logo elektroda
X
logo elektroda
REKLAMA
REKLAMA
Adblock/uBlockOrigin/AdGuard mogą powodować znikanie niektórych postów z powodu nowej reguły.

Manta MM269C - Ładuje się tylko z laptopa

mapcel 24 Lip 2015 08:45 2016 5
REKLAMA
  • #1 14871255
    mapcel
    Poziom 8  
    Witam, mam następujący problem. Potrzebowałem małego, poręcznego odtwarzacza MP3 na siłownię i wyjazdy rowerowe. Wszystko jest ok tylko pojawił się problem z ładowaniem, gdy podpinam urządzenie do kontaktu bądź power banka to mruga dioda i podpinając słuchawki mogę normalnie słuchać muzyki (nie ładuje), dopiero podpinając pod laptopa dioda się świeci i następuje ładowanie. Wiem, że nie można cudów oczekiwać od urządzenia, które kosztowało 20zl, ale na dniach wyjeżdżam do pracy za granicę i nie ukrywam że fajnie by było jakby urządzenie dało się tam naładować (brak dostępu do laptopa). Macie jakieś sugestie?
  • REKLAMA
  • #2 14871285
    panicz74
    Poziom 13  
    Rozumiem, że ładowarka jest dwuczęściowa (kabel usb + wtyczka) i że podczas ładowania nie da się słuchać muzyki.

    Jeśli używasz tego samego kabla usb zarówno z wtyczką jak i z laptopem, to należałoby sprawdzić jakie napięcie na wyjściu ma wtyczka. Sprawdź tez czy powerbank ładuje inne urządzenia.

    PS. Szkoda, że wyjeżdżasz z tego kraju ;(
  • REKLAMA
  • #3 14871353
    mapcel
    Poziom 8  
    Powerbank laduje normalnie telefony. Kabla uzywam, ktory byl w zestawie z urzadzeniem. Ladujac z zasilania uzywam wtyczki od telefonu sony.
  • REKLAMA
  • #4 14871369
    panicz74
    Poziom 13  
    jaki to model tego mp3 i jaki model ładowarki sony?
  • REKLAMA
  • Pomocny post
    #5 14871382
    Zygaqra
    Poziom 35  
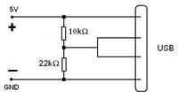
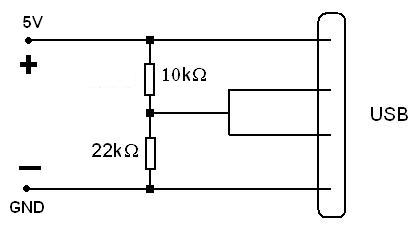
    Najprawdopodobniej do ładowania tej MP3 jest potrzebna polaryzacja styków do przesyłu danych(dwa wewnętrzne). Możesz to zrobić tak jak na załączonym rysunku Manta MM269C - Ładuje się tylko z laptopa
  • #6 14882408
    mapcel
    Poziom 8  
    moglbys wytlumaczyc dokladniej jak to zrobic? nigdy sie nie interesowalem elektronika
REKLAMA