logo elektroda
logo elektroda
X
logo elektroda
REKLAMA
REKLAMA
Adblock/uBlockOrigin/AdGuard mogą powodować znikanie niektórych postów z powodu nowej reguły.

Opel Meriva A 1.6 16V + KLIMA - Nie działa 2 bieg wentylatora chłodnicy

kubas10 25 Sie 2015 19:23 18429 33
REKLAMA
  • #1 14947012
    kubas10
    Poziom 25  
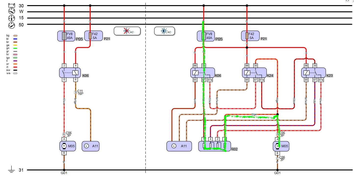
    Witam, w oplu meriva nie działał wentylator. Uszkodzony był opornik wstępny, po wymianie działa 1 i 3 bieg, niestety 2 nie działa. Po załączeniu testerem słychać cykanie przekaźnika, jedyny błąd w silniku to P1482 - przekaźnik wentylatora chłodnicy 2, nieprawidłowe działanie. W załączniku jest schemat układu chłodzenia, nie mogę zrozumieć w którym momencie pojawia się zasilanie na "30" przekaźnika 2 wentylatora chłodnicy.

    K06 1 bieg
    K23 2 bieg
    K24 3 bieg
  • REKLAMA
  • #2 14947296
    kubas10
    Poziom 25  
    Czy żeby załączył się 2 bieg musi być załączony 1 ?
  • REKLAMA
  • #4 14947398
    kubas10
    Poziom 25  
    Uruchamiałem je testerem, pierwszy przekaźnik klika i się załącza wiatrak, drugi klika ale nie załącza wentylatora, trzeci nie klika a wentylator chodzi :)
  • #6 14947428
    kubas10
    Poziom 25  
    Z koro to takie banalne to powiedź mi jak płynie prąd przez opornik na 1 biegu ? 1-2 czy 1-3 ?
  • #7 14947564
    Strumien swiadomosci swia
    Poziom 43  
    kubas10 napisał:
    Z koro to takie banalne to powiedź mi jak płynie prąd przez opornik na 1 biegu ?

    Załączony K6.

    Dodano po 32 [sekundy]:

    I co zatkało kakało?
  • #8 14947987
    kubas10
    Poziom 25  
    Kolego sympatyczny, ja się pytałem jak płynie prąd przez opornik (rezystory) na 1 biegu. To że płynie przez przekaźnik K6 to my wszyscy wiemy. A co dalej ?
  • #9 14947993
    emeryt2
    Poziom 42  
    Kubas , sprawdź sterowanie z ECU (A11) na przekaźnik 23 , ten przekaźnik przełącza szybkość przy odpowiedniej konfiguracji oporników.
  • #10 14948067
    kubas10
    Poziom 25  
    Błąd się kasuje tak że raczej nie ma przerwy między ECU A11 a przekaźnikiem K23 a po wejściu w tryb uruchamiania podzespołów testerem, przekaźnik wzbudza się i nie zapisuje się żaden kod błędu. Przekaźnik puka ale nie załącza, a czy żeby włączył się przekaźnik K23 nie potrzeba żeby był włączony K06 ???
  • #11 14948901
    jokerro
    Poziom 34  
    Ale problem rozebrac podszybie i zasterowac sobie wszystko z reki zeby wyeliminowac duzo watpliwosci.
  • #12 14948954
    emeryt2
    Poziom 42  
    Kubas , no nie , zadajesz takie pytania , że płakać sie chce , a piszesz o elektryce samochodowej dosyc dużo.Pytasz , czy musi się włączyć PIeRWSZY przekażnik aby właczyć bieg 2 i trzeci - n ie nie musi!
    Reszte masz na schemacie , jak nie umiesz czytać schenmmatów , to porada Jokerra jest na miejscu.
    Sprawdź jeszczce raz czy dobrze został wymieniony oprnik w dzielniku!!!
  • REKLAMA
  • #13 14949367
    kubas10
    Poziom 25  
    emeryt2 napisał:
    .Pytasz , czy musi się włączyć PIeRWSZY przekażnik aby właczyć bieg 2 i trzeci - n ie nie musi!

    Mówisz że nie umiem czytać schematów ?

    Dodano po 1 [minuty]:

    Emerty2 Przeczytaj trzeci post od dołu, tam jest poprawnie sformułowane pytanie.
  • #14 14949528
    emeryt2
    Poziom 42  
    Ja o niebie Ty o chlebie.
    Odpowiedziałem ,że nie musi !!
    Sprawdzanie czy puka czy nie puka , to o kant kota rozbić, nie masz jakiejs kontrolki(żarówki) na 12V? Jak masz , to do roboty i podaj konkrety - przełącza - nie przełacza , jest sterowany - nie jest sterowany i to każdy przekaźnik. Mam nadzieje ,że masz dostęp do dzielnika oporowego w tym układzie , tam też sprawdzisz.
  • #15 14949561
    kubas10
    Poziom 25  
    Pierwszy bieg MUSI być załączony żeby ruszył drugi.
  • #16 14950323
    emeryt2
    Poziom 42  
    Wszystkie (trzy) przekaźniki nieależnie od siebie, są sterowane przez ECU w zależności od temperatury(czujników) i włączonej klimy. Dlatego Twoje MUSI schowaj miedzy bajki!
  • Pomocny post
    #17 14950471
    kkknc
    Poziom 43  
    @kubas10 Ze schematu wynika że są 4 biegi a nie 3. Masz wypalone styki na przekażniku. Trzy przez opornicę i jeden bezpośredni.
    Rozrysuj sobie na kartce kombinacje to zrozumiesz.
    Bo K06 załącza 1,2 i 3 bieg. A kombinacje K23 i K24 dają poszczególne kombinacje biegów.
  • #18 14950495
    jokerro
    Poziom 34  
    Są 3 biegi,dwie merivy ostatnio robiłem na to samo,jedna pb druga diesel i obydwie z klimami.
    przekazniki w bcmie pod podszybiem,dosłownie kilka minut na postawienie diagnozy oco kaman.
  • #20 14950627
    jokerro
    Poziom 34  
    I tak odpala 3 biegi.Wystarczy spojrzec na dokladny schemat strerowania silnikiem i umiec go przeczytać.
    Zresztą nie ma sie co pocić,bedziem tu miesiac dyskutować i dalej nic z tego,my swoje,autor swoje.
    Najszybciej i najtaniej to dać auto komuś kompetentnemu bo te oszczednosci kończą sie zazwyczaj wydatkami a na końcu trzeba i tak jeszcze raz kase wydac.Przerabiam na codzien internetowców.
  • #21 14950648
    kubas10
    Poziom 25  
    Samo załączenie przekaźnika K23 (II biegu) bez załączenia K06 (I biegu) nie załączy prądu obciążenia dla K23.

    Dodano po 29 [minuty]:

    kkknc napisał:
    @kubas10Bo K06 załącza 1,2 i 3 bieg. A kombinacje K23 i K24 dają poszczególne kombinacje biegów.


    Dokładnie tak.
  • REKLAMA
  • #22 14950778
    kkknc
    Poziom 43  
    jokerro napisał:
    I tak odpala 3 biegi.Wystarczy spojrzec na dokladny schemat strerowania silnikiem i umiec go przeczytać.
    .

    Z chęcią ten dokładny schemat obejrzę.

    jokerro napisał:

    Zresztą nie ma sie co pocić,bedziem tu miesiac dyskutować.

    Z tym się zgadzam ale czekam na ten dokładny schemat bo jak widzisz tabelke z której winikają 4 biegi załączyłem. Post #19
  • #23 14950805
    emeryt2
    Poziom 42  
    Kkknc , Twoja tabela zawiera się w tej kombinacji ; 1.1.0 , 1.0.0, 1.0.1 ,0.1.0..
    Jak popatrzysz na schemat w I poście , to ta kombinacja nie odpowiada temu schematowi - błąd na schemacie?
  • #24 14950855
    kkknc
    Poziom 43  
    @emeryt2 Cztery biegi wiozłem z tego schematu. Kombinacja mi pasuje. K06 podaje napięcie na wejście nr1 R02 i 3 wychodzi najbardziej obniżone do silnika. Przy czym K24 musi być załączony. I to jest 1bieg. Dalej masz kombinacje K06 i wyłączony K24 i K23 i Przez wyjście nr2 R02 idzie przez K23 i K24 do silnika. Trzeci bieg to znowu K06 wyłączony K24 i załączony K23 daje przez R02 i wyjście nr4 trzeci bieg. No i czwarty bezpośredni załączony sam K24.


    Opel Meriva A 1.6 16V + KLIMA - Nie działa 2 bieg wentylatora chłodnicy
    To pierwszy bieg.
    Opel Meriva A 1.6 16V + KLIMA - Nie działa 2 bieg wentylatora chłodnicy
    To drugi bieg.
    Opel Meriva A 1.6 16V + KLIMA - Nie działa 2 bieg wentylatora chłodnicy
    To 3bieg
    Opel Meriva A 1.6 16V + KLIMA - Nie działa 2 bieg wentylatora chłodnicy
    No i 4 bezposredni.
  • #25 14951563
    kubas10
    Poziom 25  
    Małe sprostowanie:

    I BIEG: Załącza się K06, prąd przez opornik wstępny płynie przez opornik:

    - wyjście opornika (4) do przekaźnika K23 na styk 87;
    - wyjście opornika (2) do przekaźnika K23 na styk 87a;
    - wyjście opornika (3) na wentylator;

    II BIEG: Na załączonym K06 uruchamia się K23 i prąd płynie przez:

    - wyjście opornika (4) do przekaźnika K23 na styk 87 --> 30 --> K24 87a --> 30 i dalej na wentylator;


    III BIEG jest najprostszy i nie będę nic pisać bo już chyba każdy wie o co chodzi, musi być wyłączony K06 a reszta analogicznie.

    Kolega kkknc popełnił mały błąd. Wracając do I BIEGU:



    I BIEG: Załącza się K06, prąd przez opornik wstępny płynie przez opornik:

    tu pojawi się napięcie ale nie popłynie prąd

    - wyjście opornika (2) do przekaźnika K23 na styk 87a;

    popłynie natomiast tutaj

    - wyjście opornika (3) na wentylator;

    wynika to z wartości opornika wstępnego, mówiąc kolokwialnie prąd pójdzie na skróty.
  • #26 14952066
    jokerro
    Poziom 34  
    Jak naprawisz to auto to napisz ile biegow ci działa bo mi sie juz niechce pisać.
  • Pomocny post
    #28 14952288
    kkknc
    Poziom 43  
    Sterownik może mieć zaprogramowane tylko 3 biegi, ale ja pokazałem że da się z tego układu zrobić 4 biegi. dlatego w dalszym ciągu czekam na dokładny schemat od kolegi @jokerro W którym pokaże wyrażnie jak napisał te 3 biegi. Bo ja do niego dostępu nie mam w oplach zresztą jakoś nie gustuję. :)

    kubas10 napisał:

    Kolega kkknc popełnił mały błąd. Wracając do I BIEGU:
    I BIEG: Załącza się K06, prąd przez opornik wstępny płynie przez opornik:
    tu pojawi się napięcie ale nie popłynie prąd
    - wyjście opornika (2) do przekaźnika K23 na styk 87a;
    popłynie natomiast tutaj
    - wyjście opornika (3) na wentylator;
    wynika to z wartości opornika wstępnego, mówiąc kolokwialnie prąd pójdzie na skróty.

    Jak załączysz K 24 to prąd popłynie Przez styk 3 R02 do wentylatora i to będzie najniższy możliwy w tym układzie bieg.
  • #29 15362743
    kubas10
    Poziom 25  
    W samochodzie były 3 biegi.

    Bieg 1 załączony przekaźnik K06 K23 K24
    Bieg 2 załączony przekaźnik K26
    Bieg 3 załączony przekaźnik k06 K23

    Dodano po 1 [minuty]:

    emeryt2 napisał:
    Kubas , no nie , zadajesz takie pytania , że płakać sie chce , a piszesz o elektryce samochodowej dosyc dużo.Pytasz , czy musi się włączyć PIeRWSZY przekażnik aby właczyć bieg 2 i trzeci - n ie nie musi!
    Reszte masz na schemacie , jak nie umiesz czytać schenmmatów , to porada Jokerra jest na miejscu.
    Sprawdź jeszczce raz czy dobrze został wymieniony oprnik w dzielniku!!!


    Zgadzasz się nadal ze swoją tezą ? przy okazji obrażając mnie ?
  • #30 15363718
    emeryt2
    Poziom 42  
    Koń ma cztery nogi i się potknie.
    Jeżeli czujesz sie obrażony to Przepraszam - w Nowym Roku.
    Gratuluję usunięcia usterki!
    Jednak dla trzeciego biegu nie musi być włączony przekażnik PIERWSZY.
REKLAMA