logo elektroda
logo elektroda
X
logo elektroda
REKLAMA
REKLAMA
Adblock/uBlockOrigin/AdGuard mogą powodować znikanie niektórych postów z powodu nowej reguły.

Samochodzik sterowany za pomocą sygnałów DTMF

kmmepl 28 Wrz 2015 20:52 7290 12
REKLAMA
  • Samochodzik sterowany za pomocą sygnałów DTMF Budując pojazd zdalnie sterowany zwykle decydujemy się na użycie fal radiowych jako sposobu do bezprzewodowej wymiany danych. Autor chcąc wyróżnić się z pośród twórców, zdecydował się na rozwiązanie znacznie mniej popularne.

    Główną wadą nadajników radiowych jest ich ograniczony zasięg działania, więc zamiast nich, konstruktor zdecydował się na wykorzystanie telefonu komórkowego. Dzięki niemu zasięg jest o wiele większy oraz trwałość połączenia według autora jest dużo lepsza.

    Opis projektu

    Samochodzik sterowany za pomocą sygnałów DTMF


    Robot jest sterowany przez telefon komórkowy, który jest sprzężony z komórką zamocowaną w samochodziku. Jeśli podczas rozmowy zostaje naciśnięty jakikolwiek klawisz to odpowiadający mu dźwięk jest słyszalny w drugim telefonie. Dźwięki o których mowa noszą nazwę DTMF (ang. Dual Tone Multi Frequency).

    Następnie, otrzymane sygnały DTMF są przetwarzane przez mikrokontroler Atmega16 przy pomocy dekodera MT8870. Układ ten zamienia sygnał z telefonu na odpowiadającą mu cyfrę zapisaną w kodzie dwójkowym, a następnie wysyła ją do mikroprocesora. Po otrzymaniu kodów od MT8870 procesor wykonuję odpowiednie funkcję zależne od otrzymanego słowa.

    Technika DTMF jest głównie używana podczas:
    • wybierania numeru
    • nawigacji po menu głosowych
    • programowania automatycznych sekretarek.

    Tony DTMF powstają z nałożenia na siebie dwóch sinusoidalnych fal dźwiękowych o częstotliwościach przypisanych danemu przyciskowi. Przykładowo, naciśnięcie przycisku z numerem 5 spowoduje wytworzenie tonu zbudowanego z fal o częstotliwości 1336Hz oraz 770Hz w drugiej komórce.

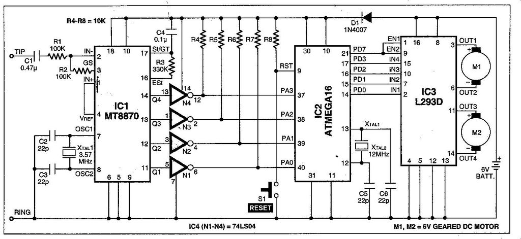
    Schemat

    Samochodzik sterowany za pomocą sygnałów DTMF


    Opis elementów:
    ic1 - mt8870
    ic2 - atmega16
    ic3 - l293d
    ic4 – 74LS04
    r1,r2 - 100kΩ
    r3 - 330kΩ
    r4-r8 - 10kΩ
    c1- 0.47 µF
    c2,c3,c5,c6 - 22pF
    c4 - 0.1µF
    xtal1 – kwarc 3.57 Mhz
    xtal2 – kwarc 12 MHz
    s1 - przełącznik
    m1,m2 - silnik 6V 50 obr./min
    batt- bateria 6V

    Soft

    Samochodzik sterowany za pomocą sygnałów DTMF

    Mikrokontroler AVR został zaprogramowany w środowisku WIN AVR. Wsad programu jest dostępny na końcu artykułu lub pod tym linkiem.

    Działanie

    Samochodzik sterowany za pomocą sygnałów DTMF


    W celu kontroli nad pojazdem należy nawiązać połączenie z telefonem zamontowanym w robocie. Komórka jest podłączona z konstrukcją za pomocą systemu głośnomówiącego. Wskazane jest ustawienie auto odbierania, aby nie trzeba było za każdym razem ręcznie odbierać rozmów.

    Obsługa

    Po naciśnięciu 2 robot pojedzie do przodu.
    Po naciśnięciu 4 robot pojedzie w lewo.
    Po naciśnięciu 8 robot pojedzie do tyłu.
    Po naciśnięciu 6 robot pojedzie w prawo.
    Po naciśnięciu 5 robot się zatrzyma.

    źródło: http://www.instructables.com/id/Cellphone-operated-Robot/?ALLSTEPS

    Fajne? Ranking DIY
    O autorze
    kmmepl
    Poziom 13  
    Offline 
    kmmepl napisał 73 postów o ocenie 320, pomógł 7 razy. Jest z nami od 2013 roku.
  • REKLAMA
  • #2 15028465
    Euzebiusz23091998
    Poziom 15  
    Sam kiedyś brałem się za budowę takiego pojazdu na podwoziu starej zabawki-czołgu. Mankamentem tego połączenia jest, że nie da się regulować płynnie prędkości, oraz chwilowe opóźnienie sygnału.
  • REKLAMA
  • #5 15029034
    tmf
    VIP Zasłużony dla elektroda
    IMHO to poroniony pomysł. Jak już mamy telefon to dlaczego go nie połączyć normalnie z układem, np. przez RS232 w starszych modelach telefonów? Przepływ danych o wiele większy. Poza tym moduły WiFi, czy inne radiowe mają w otwartej przestrzeni zasięg nawet kilkaset metrów, a przecież nie sterujemy pojazdem poza zasięgiem wzroku... Modulik jest mały i lekki, co jest dodatkową zaletą. A jeśli się uprzeć na DTMF, to przecież dekoder można zrobić na ATMega16, która wszystkim steruje. Miałoby to przynajmniej jakieś walory edukacyjne.
  • #6 15029234
    Konto nie istnieje
    Konto nie istnieje  
  • REKLAMA
  • #7 15029235
    Freddy
    Poziom 43  
    tmf napisał:
    IMHO to poroniony pomysł.
    Może i tak, ale ludzie robią różne rzeczy, dla praktyki, dla wykorzystania posiadanych układów, dla zabawy ...
    Cytat:
    Jak już mamy telefon to dlaczego go nie połączyć normalnie z układem,
    Myślę, że tak autorowi wyszło prościej i szybciej, poza tym pewnie wykorzystał tzw. przydasie z szuflady :).
  • #9 15029830
    Freddy
    Poziom 43  
    Milek79 napisał:
    Ciekawi mnie dlaczego nikt jeszcze nie włożył do takiego samochodziku telefonu z funkcją wideorozmów ;).
    Bo potroiłby wartość samochodziku :P.
  • REKLAMA
  • #10 15038151
    patryk_b82
    Poziom 11  
    Jejku prawie moja praca dyplomowa o ja kręce to już tyle lat.... Tak EdW'99 to zamieszczone... hmm ale tak wszędzie wsadzać mikroprocka? Troszku przesada
  • #11 15042465
    Atlantis86
    Poziom 19  
    No cóż... Przypominają się programy dla młodzieży z lat dziewięćdziesiątych i samego początku XXI wieku, gdzie widzowie mogli dzwonić do studia i sterować przebiegiem gry komputerowej, a nawet mechanicznymi zabawkami za pośrednictwem klawiatury telefonu z wybieraniem tonowym. :)
    Tylko jak na dziś, to trochę dziwne rozwiązanie. Po pierwsze po co używać telefonu, skoro za kilka-kilkanaście dolarów można dostać niewielki moduł GSM? No i po co używać DTMF, skoro taki moduł oferuje możliwość transmisji danych przez TCP/IP? Nie sądziłem, że coś takiego jeszcze zobaczę. :)

    Dodano po 3 [minuty]:

    Aż przypomniały mi się stare czasy, kiedy w TV leciały programy dla młodzieży, w trakcie których widz mógł zadzwonić do studia i sterować przebiegiem gry komputerowej (a nawet jakąś mechaniczną zabawką) ze swojego telefonu z wybieraniem tonowym. :)
    Tylko zastanawiam się dlaczego autor skorzystał z telefonu komórkowego i DTMF, skoro dzisiaj za kilka-kilkanaście dolarów można dostać mały modulik GSM, który od razu posiada zaimplementowaną obsługę stosu TCP/IP.
    Naprawdę nie sądziłem, że jeszcze coś takiego zobaczę w czasach Raspberry Pi i shieldów do Arduino. :)
  • #12 15047863
    tomek10861
    Poziom 27  
    Ja robiłem DTMF bez mikrokontrolera i działa super :) Tylko dekoder DTMF i 2 rejestry przesuwne ;)
    IMHO, robienie dekodera DTMF na Atmedze 16 mając gotowy układ to dopiero poroniony pomysł.





    Pozdrawiam

    Dodano po 5 [minuty]:

    Po co ten inwerter między atmegą, a dekoderem DTMF?
  • #13 15086659
    prosiak_wej
    Poziom 39  
    radekdjredi napisał:
    Witam, to chyba o ten projekt koledze prosiak_wej chodziło
    http://elportal.pl/pdf/K06/45_14.pdf


    Tak, dokładnie o to mi chodziło. Jeden z wielu 'niepożytecznych' projektów śp. Zbigniewa Raabe. I jak widać - trzy proste scalaki wystarczyły. Wzmacniacz dla mikrofonu, układ specjalizowany - dekoder DTMF i kilka bramek, które pełnią tylko funkcję zabezpieczenia.
REKLAMA