Witam
nie włączaja się wentylatory w Ibizie z2001 z klimatronikiem. Nie działają zarówno od przy klimie jak i przy zwieraniu czujnika na chłodnicy.
Sterownik podmieniony brak zmian, kabelki przejrzane.
Czy jest jeszcze jakiś przekaźnik od wentylatorów ???
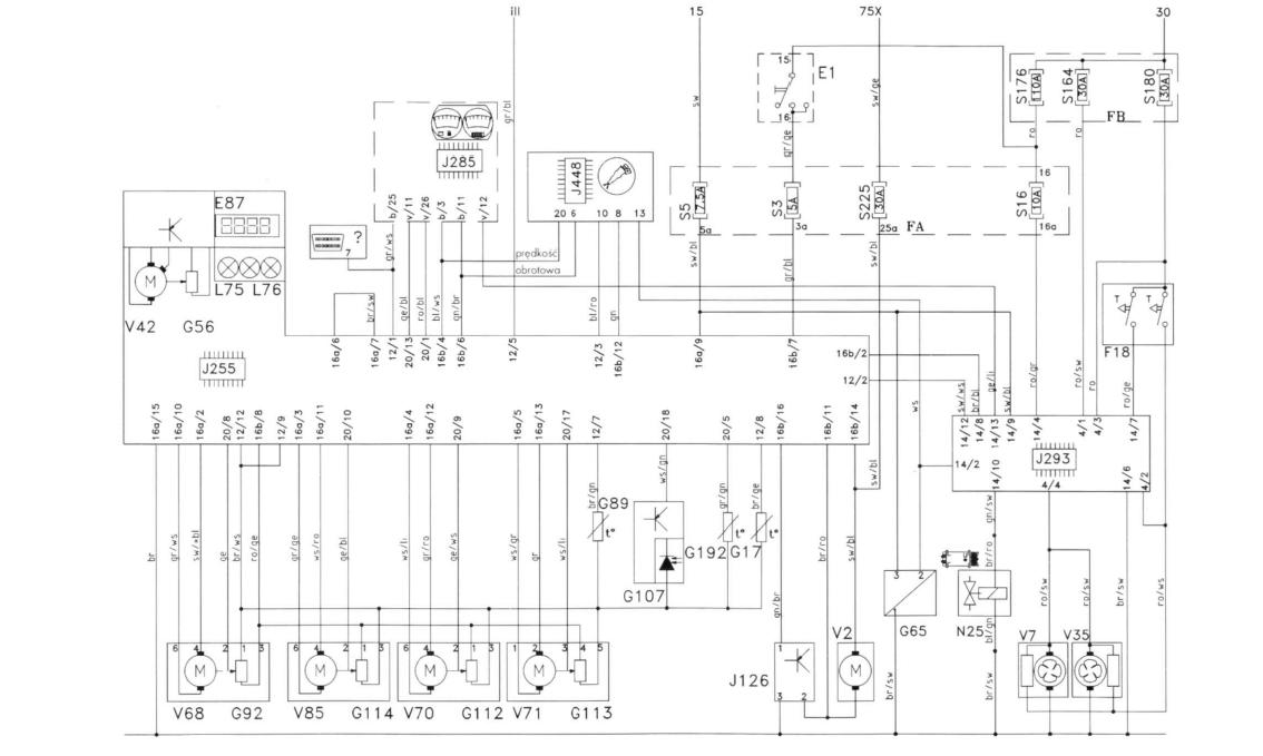
Może ma ktoś schemat
vin VSSZZZ6KZ2R104921
numer przekaźnika IJ0919506G
pozdrawiam
nie włączaja się wentylatory w Ibizie z2001 z klimatronikiem. Nie działają zarówno od przy klimie jak i przy zwieraniu czujnika na chłodnicy.
Sterownik podmieniony brak zmian, kabelki przejrzane.
Czy jest jeszcze jakiś przekaźnik od wentylatorów ???
Może ma ktoś schemat
vin VSSZZZ6KZ2R104921
numer przekaźnika IJ0919506G
pozdrawiam