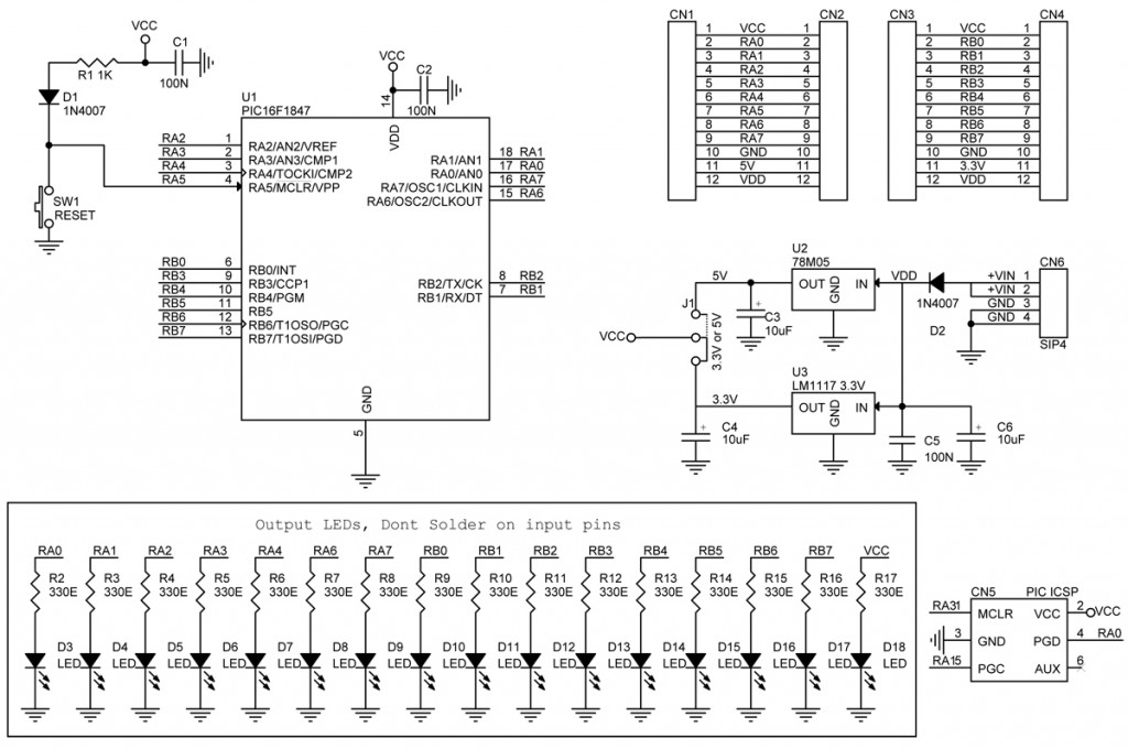
W sieci można znaleźć wiele projektów zestawów uruchomieni owych dla mikrokontrolerów. Poniżej zamieszczam link do kolejnego, prostego zestawu dla mikrokontrolera PIC16F1847. Płytka nie ma w sobie ani nic rewolucyjnego. Jest to prosty i niewielki moduł dla wspomnianych wyżej mikrokontrolerów w obudowie DIP18. Na płytce umieszczono oprócz gniazda na mikrokontroler, przycisk resetujący układ, zasilanie oparte na regulatorach 5V i 3.3V (wybierane poprzez zmianę ustawienia jumpera na płytce), dwa gniazda z wyjściami/wejściami mikrokontrolera, gniazdo programowania ICSP dla programatorów PICKIT2, rezonator kwarcowy oraz pady umożliwiające bezpośrednie wlutowanie diod LED na dowolnych wyjściach.
Na stronie źródłowej nie znajdziecie niestety plików ze schematem i pcb. Zamiast tego autor umieścił schematy oraz wzory warstw w pdfie i plikach graficznych w formacie png. Cóż, nie widzę w tym większego sensu przy takiej prostocie układu, ale i tak na stronie jest komplet informacji niezbędny do odtworzenia płytki lub zbudowaniu w oparciu o zamieszczone schematy własnej wersji.
Źródło http://www.electronics-lab.com/project/18-pin-pic-development-board/
Fajne? Ranking DIY
