Witam
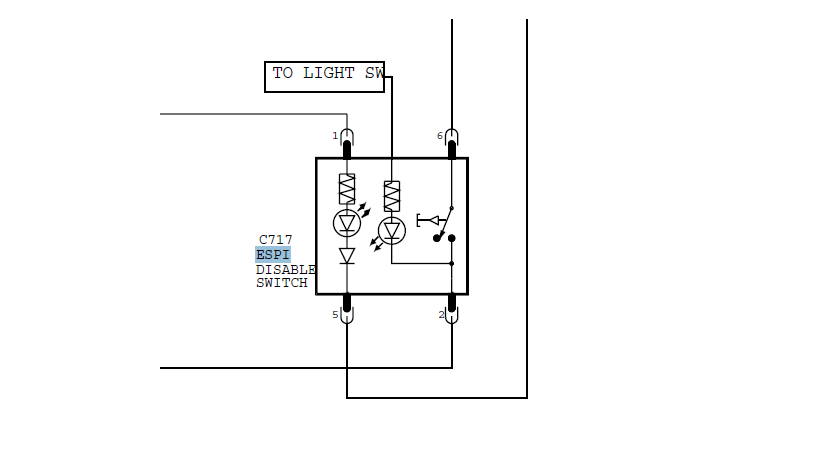
Jakiś czas temu zamontowałem sobie światła dzienne które zapalają się po przekręceniu stacyjki. Wymyśliłem sobie jednak żeby mimo wszystko użyć dodatkowo włącznika/wyłącznika co by np. przy włączonej stacyjce przez dłuższy czas niepotrzebnie nie rozładowywać aku na zgaszonym silniku. Zakupiłem sobie jakiś najprostszy włącznik i wszystko śmiga. Jako że mam wolne miejsce pod dodatkowe przycski w panelu sterowania wymysliłem żeby może użyć przycisku od ESP bądź podgrzewania przedniej lub tylnej szyby. Czy ktoś jest w stanie powiedzieć mi czy mogę użyć tych przycisków które dołożę dodatkowo do już posiadanych. Próbowałem się pod nie podłączyć ale coś mi to nie działa, pewnie dlatego że te przyciski są orginalnie sterowane/powiązane z gem (ja bym to nazwal komputer sterujacy poszczególnymi modułami). Wymienione przyciski chcę użyć jako włącznik/wyłącznik on/off. W załączniku znajduje się schemat przykładowego przycisku od esp oraz jego połączenia. Ma on dodatkowo podświetlenie no i diodę sygnalizująca włączenie/wyłączenie. Jest w stanie to ktoś ogranąć i powiedzieć jak to podłączyć żeby swiatła dzienne można było włączyć i wyłączać takim przyciskiem bo na krótko jak próbuje podłączyć to świecą cały w pozycji on i off:( nie jestem elekrtykiem i jakoś trudno mi to ogarnąć. Oczywiście jeśli będzie trzeba coś sprawdzić albo jakieś dodatkowe informacje podać to oczywiście odpowiem.
Pozdrawiam
Jakiś czas temu zamontowałem sobie światła dzienne które zapalają się po przekręceniu stacyjki. Wymyśliłem sobie jednak żeby mimo wszystko użyć dodatkowo włącznika/wyłącznika co by np. przy włączonej stacyjce przez dłuższy czas niepotrzebnie nie rozładowywać aku na zgaszonym silniku. Zakupiłem sobie jakiś najprostszy włącznik i wszystko śmiga. Jako że mam wolne miejsce pod dodatkowe przycski w panelu sterowania wymysliłem żeby może użyć przycisku od ESP bądź podgrzewania przedniej lub tylnej szyby. Czy ktoś jest w stanie powiedzieć mi czy mogę użyć tych przycisków które dołożę dodatkowo do już posiadanych. Próbowałem się pod nie podłączyć ale coś mi to nie działa, pewnie dlatego że te przyciski są orginalnie sterowane/powiązane z gem (ja bym to nazwal komputer sterujacy poszczególnymi modułami). Wymienione przyciski chcę użyć jako włącznik/wyłącznik on/off. W załączniku znajduje się schemat przykładowego przycisku od esp oraz jego połączenia. Ma on dodatkowo podświetlenie no i diodę sygnalizująca włączenie/wyłączenie. Jest w stanie to ktoś ogranąć i powiedzieć jak to podłączyć żeby swiatła dzienne można było włączyć i wyłączać takim przyciskiem bo na krótko jak próbuje podłączyć to świecą cały w pozycji on i off:( nie jestem elekrtykiem i jakoś trudno mi to ogarnąć. Oczywiście jeśli będzie trzeba coś sprawdzić albo jakieś dodatkowe informacje podać to oczywiście odpowiem.
Pozdrawiam