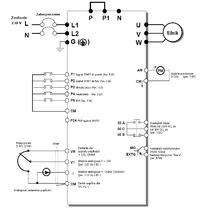
Witam posiadam falownik sv015ic5 oraz silnik MSG 802-4 B5 Firmy Kacperek o mocy 0.75/09 kW oraz dwa pedały sterujące przód(trzy żyłowe) i tył i mam pytanie dotyczące podłączenia jak wykonać czy te pedały podpinamy bezpośrednio pod falownik czy może przez jakie przekaźniki? i jak podłączyć silnik do tego wszystkiego żeby to grało a mianowicie gdy puszcze pedał silnik ma się zatrzymać i gdy ponownie nacisnę ma ruszyć z nastawioną prędkością tak samo do przodu jak i do tyłu
