logo elektroda
logo elektroda
X
logo elektroda
REKLAMA
REKLAMA
Adblock/uBlockOrigin/AdGuard mogą powodować znikanie niektórych postów z powodu nowej reguły.

Atmega16 - Jak obsłużyć przyciski monostabilne i USART w BASCOM AVR?

wampirek 09 Lis 2015 20:46 1089 4
REKLAMA
  • #1 15136941
    wampirek
    Poziom 18  
    Szanowni forumowicze
    pisze ten post z wilka prośba o nakierowanie mojego toku myślenia i rozwiązania problemu który mnie nurtuje od jakiegoś czasu.
    Otóż już mówie w czym mam problem. Zbudowałem prosty układ w oparciu o mikrokontroler Atmega16. Zasada działania w/w układu jest bardzo prosta tzn.
    układ bada stan przycisków podłączonych do jednego z portów. W momencie naciśniecia jednego z przycisków zapamietuje on który to przycisk został naciśniety.
    To jeszcze nie problem dla mnie, ale problem sie pojawia tu tzn. do portu uart podpietych jest kilka mikrokontrolerów tworzy on swoistą magistrale (kilka mam na mysli 3)jeden z nich odpytuje pozostałe dwa mikrokontrolery o stan przycisków a w zasadzie nie tyle o ich stan co o to czy został którykolwiek naciśniety. I tu właśnie pojawia sie problem. Jak sprawic aby mikrokontroler spradzał użycie przycisku i odpowiadal jednoczesnie na zapytania wysyłane portem usart.
    Program chciałbym napisac w Bascom AVR.


    Zapomniałe o najważniejszym mikrokontroler wywoluje pozostale dwa losowo i w roznych okresach czasu.
    Opis komuikcji
    1. kontroler 1 wywołuje konktroler2
    2 kontroler 1 pyta kontroloer 2 czy nastąpiło użycie klawisza
    3. kontroler2 odpowiada kontroler1 tak nastapilo uzycie klawisza o nr x
    3x kontroler2 odpowiada kontroler1 nie nie było użycia przycisku.
    4 kontroler2 i kontroler 1 koncza komunikacje

    P.S. Informacja dla moderatorów mam problem z polskimi znakami w moim laptopie wiec jeśli nie sprawi to wiekszego problemu prosze o poprawinie pisowni.
  • REKLAMA
  • #2 15138180
    Konto nie istnieje
    Konto nie istnieje  
  • REKLAMA
  • #3 15138820
    wampirek
    Poziom 18  
    mikrokontroler master to nic innego jak terminal z oprogramowaniem napisanym przeze mnie w qb64. Mikrokontrolery podłączone do niego są poprzez port rs232 tj. linia rxd terminala jest dołączona do linii txd atmeg a linia txd terminala jest spieta z linia rxd admeg. Komunikacja pomiedzy nimi odbywa sie w formacie ascii tzn terminal wysyła adres atmegi i komede powodujaca zdanie raportu z naciśnietego przycisku. Po odczycie raportu z danej atmegi zeruje bufor informujac ja że odebrał juz raport.
  • REKLAMA
  • #4 15141603
    ArtXs
    Poziom 24  
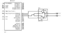
    Specyfikacja RS232 nie dopuszcza dwóch urządzeń podłączonych jednocześnie do tego samego portu. Musiałbyś stworzyć specjalny protokół i dostosować odpowiednio układy. Proponowałbym przejść na RS-485/RS-422. Wystarczy podłączyć do USART układ SN75176B lub MAX485 i możesz wykorzystywać do 32 urządzeń.

    Atmega16 - Jak obsłużyć przyciski monostabilne i USART w BASCOM AVR? Atmega16 - Jak obsłużyć przyciski monostabilne i USART w BASCOM AVR? Atmega16 - Jak obsłużyć przyciski monostabilne i USART w BASCOM AVR?
  • #5 15143176
    wampirek
    Poziom 18  
    protokół już mam poza tym da sie wiecej niż jedno urządzenie podlaczyc jesli sie zastosuje odpowiednie połączenie. Poza tym tne koszty a to ma byc mały układ
REKLAMA