logo elektroda
logo elektroda
X
logo elektroda
REKLAMA
REKLAMA
Adblock/uBlockOrigin/AdGuard mogą powodować znikanie niektórych postów z powodu nowej reguły.

Aiwa LCX-330 - podłączenie subwoofera pod wieżę

KubszaK 14 Lis 2015 20:45 2430 18
REKLAMA
  • #1 15151312
    KubszaK
    Poziom 8  
    Witam. Chciałbym podłączyć subwoofer z zestawu komputerowego Creative LS21 do wieży Aiwa, czy jest taka możliwość? Mam podłączone już 2 głośniki Grundig 25W (nie pochodzą z zestawu). Z tyłu wieży jest wyjście/wejście(?) SUPER WOOFER, jakim kablem tam wejść, żeby wyszło pod jack 3,5mm. Podłączyłem subwoofer pod wyjście na głośniki (lewe lub prawe) i działa, tylko boję się że coś mogę spalić.
  • REKLAMA
  • #2 15152106
    SERVICE-AV
    Poziom 39  
    Super Woofer to właśnie wyjście którego szukasz - na wyjściu 0,6V lub 0,8V (dla destynacji K - zasilanie 230V 80W) .
    To nie jest mini jack? Nie można spiąć z LS21 ?
  • REKLAMA
  • #5 15157571
    sosarek

    Poziom 43  
    Włączenie T-Bass w samej wieży zmienia cokolwiek?
    Pomogłem? Kup mi kawę.
  • #7 15161207
    SERVICE-AV
    Poziom 39  
    Trzeba zatem zmniejszyć wartość oporności tłumika na wyjściu SUPER WOOFER :)
  • REKLAMA
  • #8 15161240
    skrzypas@
    Poziom 12  
    Według instrukcji wieża powinna mieć na wyjściu dla subwoofera 0,6V - 0,8V (w zależności od wersji). U mnie z karty dźwiękowej po ustawieniu głosu na maksimum jest tyle samo. U autora tematu subwoofer głośno gra podłączony do komputera a do wieży prawie niesłyszalnie. Dlatego najpierw radzę sprawdzić poprawność przewodzenia w samym gnieździe mini-jack. Styki mogą być zaśniedziałe i mogą wytwarzać dodatkową rezystancję. Można też zmierzyć napięcie na wyjściu przed i za gniazdem. Gdyby to nie pomogło to dopiero wtedy trzeba zająć się elementami tłumika i wymienić uszkodzone bądź wszystkie na nowe a gdyby okazały się sprawne to poprawić jego punkty lutownicze.
  • #11 15174407
    skrzypas@
    Poziom 12  
    KubszaK, czy znasz się na elektronice? Czy potrafisz lutować? Przeglądając forum w poszukiwaniu odpowiedzi trafiłem na wątek gdzie radą jest podłączenie subwoofera do gniazda słuchawkowego. To jest dobre rozwiązanie ale wymaga także ingerencji w elektronice. Gniazdo słuchawkowe w Twojej wieży przełącza sygnał audio z wzmacniacza. Gdy wepniesz tam słuchawki to tor audio do kolumn zostaje odłączony i sygnał zostaje przekierowany do słuchawek przez dzielnik. W takim wypadku należałoby po prostu polutować złącza gniazda rozwierające tor do kolumn. Na poniższym rysunku z prawej strony zaznaczyłem punkty, które trzeba razem zlutować. Po lewej punkty na schemacie.

    Aiwa LCX-330 - podłączenie subwoofera pod wieżę
  • #13 15178155
    skrzypas@
    Poziom 12  
    To co opisałem powyżej to nie jest wcale trudne zwłaszcza że wystarczy wykonać dokładnie dwa połączenia. Zanim jednak to zrobisz sprawdź czy gniazdo słuchawkowe w ogóle działa. Podłącz tam subwoofer i posłuchaj czy to Ci odpowiada. Jeśli będzie OK to rozkręć obudowę i na płycie głównej zlokalizuj gniazdko słuchawkowe. Płyta główna to ta pionowa z gniazdami do podłączania anteny i głośników. Na poniższym zdjęciu schematu zaznaczyłem pozycję gniazda słuchawkowego:

    Aiwa LCX-330 - podłączenie subwoofera pod wieżę

    Mimo wszystko i tak cały czas obstawiam że gniazdko mini-jack oznaczone jako Super Woofer jest po prostu zaśniedziałe - styki posiadają nalot, który zwiększa oporność i stąd cichy dźwięk.
  • #15 15178534
    skrzypas@
    Poziom 12  
    Przecież w komputerze też jest wyjście słuchawkowe.

    Czy masz tam u siebie jakieś słuchawki? Podłącz je pod gniazdo słuchawkowe w wieży i napisz jak grają?
    Chodzi mi o to czy też grają za cicho?

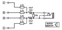
    Jeśli nie chcesz grzebać w wieży to skonstruuj sobie nowy ale zewnętrzny dzielnik dla subwoofera. Poniżej zamieściłem schemat z dzielnikiem z Twojej wieży. Podłączasz go pod wyjścia audio w wieży jak zaznaczono na schemacie. Na końcu jest gniazdo mini-jack do którego podłączasz subwoofer. Dzięki temu możesz na końcach podlutować długie kable.
    Aiwa LCX-330 - podłączenie subwoofera pod wieżę

    Mógłbyś też sam się trochę wysilić i trochę poszukać/poczytać o tym jak podłączyć subwoofer do wieży. Znowu tracę czas ale robię to też dla siebie. Tutaj masz najprostszy sposób na podłączenie aktywnego subwoofera. Daleko nie musiałem szukać - ot opcja szukaj i odpowiednie tagi.
  • REKLAMA
  • #17 15184487
    skrzypas@
    Poziom 12  
    Do wieży Aiwa powinien być podłączony dedykowany subwoofer aktywny Aiwa. Logitech LS21 to nie jest ani dedykowany ani nawet odpowiedni subwoofer. Zapewne dla Logitech'a potrzebny jest większy prąd ale to tylko moje przypuszczenia. Moim skromnym zdaniem szkoda z tym zabawy. Gdzieś na forum przeczytałem że na początek zamiast dawać rezystory o stałej wartości można podłączyć potencjometry i regulując nimi dostosować odpowiednią rezystancję. Mowa oczywiście o sposobie stąd.
  • #18 15184852
    SERVICE-AV
    Poziom 39  
    skrzypas@ napisał:
    Zapewne dla Logitech'a potrzebny jest większy prąd ale to tylko moje przypuszczenia. Moim skromnym zdaniem szkoda z tym zabawy.

    Nie pisz takich bzdur o prądzie , potrzebna amplituda sygnału która z LCX-330 jest niedostateczna i trzeba zmodyfikować tłumik jak podawałem .
    Jeśli autor tego sam nie zrobi to przecież za niego tego nie wykonamy ;)
REKLAMA