logo elektroda
logo elektroda
X
logo elektroda
REKLAMA
REKLAMA
Adblock/uBlockOrigin/AdGuard mogą powodować znikanie niektórych postów z powodu nowej reguły.

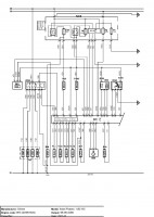
Citroen xara picasso 2007 - Schemat przepustnicy EGR

Aniol555 02 Gru 2015 01:26 3702 3
REKLAMA
  • #1 15203308
    Aniol555
    Poziom 13  
    Witam
    Moje auto to Xara Picasso 2007 1.6 HDI 90KM
    Mam problem z bledem... nie pamietam nr. Jutro dopisze kod bledu
    Chodzi o zwarcie do masy PRZEPUSTNICY egr.
    Podmienialem EGRy i przepusnice kilka sztuk bez rezultatu.
    Auto jezdzi OK tylko lampka swieci, co jakis czas gasnie i znow w nieoczekiwanym momencie sie zapala (engine fault)

    Czy mialby ktos schemat elektryczny podlaczenia przepustnicy, bo podejrzewam ze moze gdzies kabel luzny lub przetarty, bo juz mi sie pomysly koncza.
  • REKLAMA
  • REKLAMA
  • #3 15206520
    Aniol555
    Poziom 13  
    Dzieki wielkie
    sprawdze ASAP, tylko ze pewnie najszybciej na weekend.
    edit.

    Sprawdzone wszystkie kable do przepustnicy i... nic.
    wygloada ze wszystko z kablami OK
  • #4 15302416
    Aniol555
    Poziom 13  
    Komputer pokazuje bląd:

    P2141
    *Sterowanie rozdzielaczem powietrza : Zwarcie z masą

    Jakies sugestje?

    Sprawdzone kable do EGR i przepustnicy, podmienilem 2 EGRy i 2 przepustnice
REKLAMA