Witam!
Ustawiłem fusebity Atmegi8A w programie mkAVRCalculator w taki sposób:
Wybrałem opcję zaznaczoną na obrazku i nadpisałem ustawienia. Gdy podłączam kwarc 3,686 Mhz lub 8 Mhz to dostaję błędy przy znajdowaniu procesora:
Kwarc podłączam według schematu:
Wartości kondensatorów to 22pF, próbowałem kwarc 3,686 i 8 Mhz.
Programator jest dobrze podłączony, bo sprawdzałem na innym procesorze.
Co robię nie tak?
Ustawiłem fusebity Atmegi8A w programie mkAVRCalculator w taki sposób:
Wybrałem opcję zaznaczoną na obrazku i nadpisałem ustawienia. Gdy podłączam kwarc 3,686 Mhz lub 8 Mhz to dostaję błędy przy znajdowaniu procesora:
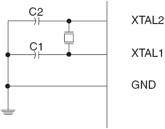
Kwarc podłączam według schematu:
Wartości kondensatorów to 22pF, próbowałem kwarc 3,686 i 8 Mhz.
Programator jest dobrze podłączony, bo sprawdzałem na innym procesorze.
Co robię nie tak?