napięcie na x3 5.04v
Jest cały czas nie zmienne jak przełączasz modulacje i oczywiście Voice Lock na 12 godzinę ustawiony?
Po co podałeś tyle częstotliwości? Tylko mi oczy zamydliłeś

.
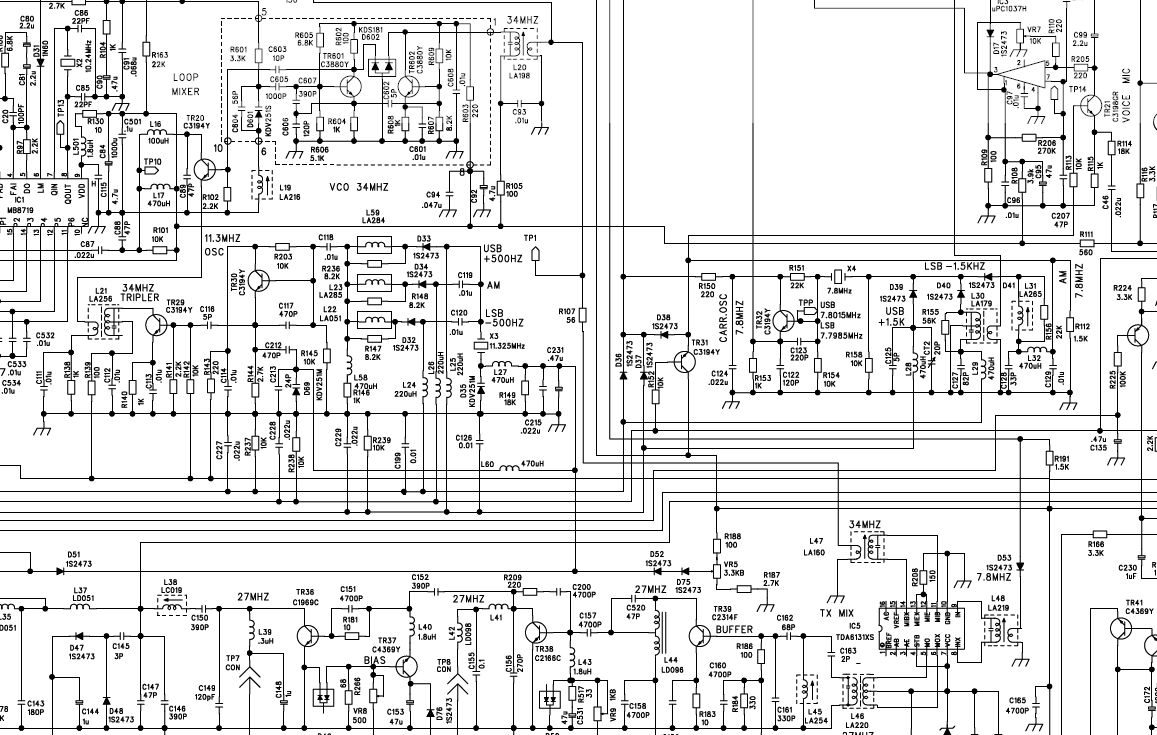
Najpierw ustaw generator 7,8 MHz tak:
AM- 7,8000 MHz- ustaw L31.
USB- 7,801500 MHz- ustaw trymerem CT2.
LSB- 7,79850 MHz- ustaw L30.
I to będzie niezależne od zer czy piątek.
Na czas zestrajania wywal układy FM, by nie mieszać.
Trzeba iść po kolei.
Daj znać jak ustawisz.
Ps.
Na dobry początek masz "rozjechane BFO" sądząc po podanych f. i to ustaw jak pisałem. Inaczej filtr kwarcowy nie spełnia swego zadania i całe radio robi się "szumofonem". Generalnie W LSB ma być niżej od 7,8 MHz o 1,5 KHz, a w USB wyżej. Wynika to jednoznacznie z tabeli którą zamieściłeś ponieważ dla LSB częstotliwość VCO pierwszego kanału wynosi 34,76350 MHz, więc wystarczy obliczyć 34,76350-7,79850=26,965 MHz.
Tak samo dla USB i pierwszego kanału 26,965 MHz obliczamy:
34,76650-7,8015=26,965 MHz.
Tylko na razie daj spokój generatorowi referencyjnemu 11 MHz który jest przestrajany do zer.
Ustaw tylko i wyłącznie jak pisałem 7,8 MHz. Reszta potem

.