logo elektroda
logo elektroda
X
logo elektroda
REKLAMA
REKLAMA
Adblock/uBlockOrigin/AdGuard mogą powodować znikanie niektórych postów z powodu nowej reguły.

Piano GEM pRP - Dziwne "przesterowanie" dźwięku i szum na wyjściu

myszy9 27 Gru 2015 23:29 2301 16
REKLAMA
  • #1 15274782
    myszy9
    Poziom 9  
    Witam,

    Posiadam pianino cyfrowe marki GEM, i mam z nim mały problem. Otóż na wyjściu słychać szum oraz nieco jakby przesterowany dźwięk. Po wciśnięciu klawisza gdy brzmienie pianina zaczyna już cichnąć słychać ten właśnie przester (choć nie do końca chyba to jest przesterowanie). Nagrałem to i można sprawdzić jak to wygląda pod tym linkiem: Link Nagranie jest dosyć ciche dlatego trzeba trochę zwiększyć głośność. Gdzie może leżeć problem? Któryś z wbudowanych wzmacniaczy, sam procesor, zimne luty?
  • REKLAMA
  • #2 15275041
    dzimi
    Moderator
    Zacznij od wzmacniacza. Tu może leżeć problem. Jaki tam pracuje układ jako końcówka mocy?
  • REKLAMA
  • #3 15277844
    myszy9
    Poziom 9  
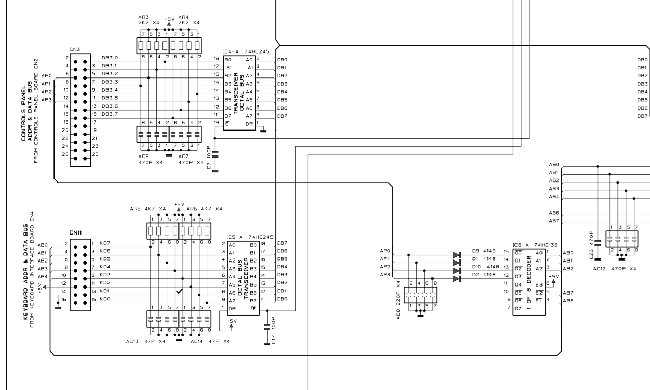
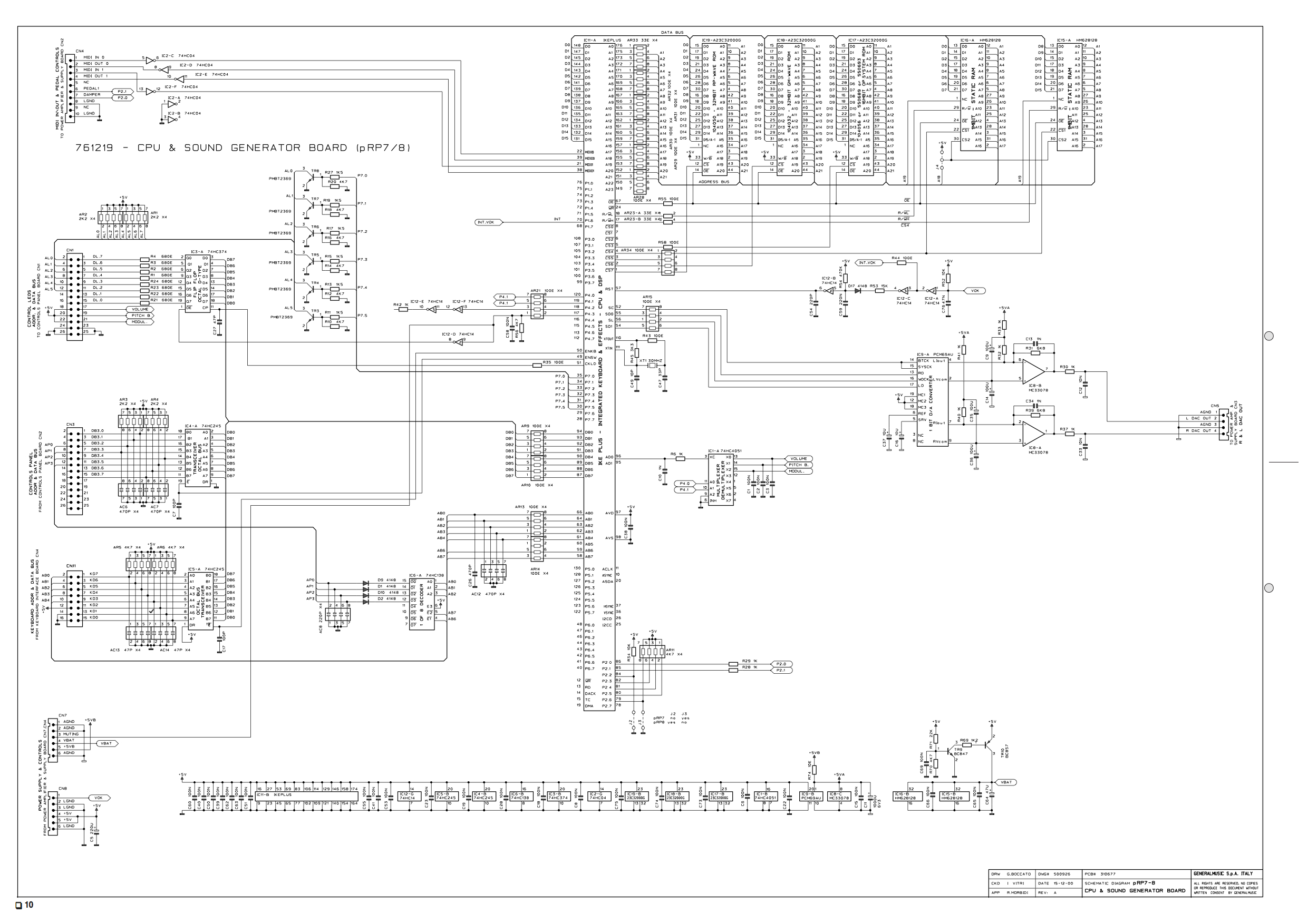
    Ponieważ nie do końca "ogarniam" co z czym do czego tam jest, pozwolę sobie załączyć ekstrakty z instrukcji serwisowej zawierające schemat oraz spis części.

    Piano GEM pRP - Dziwne "przesterowanie" dźwięku i szum na wyjściu Piano GEM pRP - Dziwne "przesterowanie" dźwięku i szum na wyjściu
  • #4 15280089
    dzimi
    Moderator
    Czy odsłuchmasz na głośniki? Czy taki sam problem występuje poprzez słuchawki?
  • REKLAMA
  • #5 15280401
    myszy9
    Poziom 9  
    Występuje zarówno na słuchawkach jak i głośnikach. Na wyjściu słuchawkowym i na wyjściach L i R.
  • #6 15280446
    viayner
    Poziom 43  
    Witam,
    niestety nagranie jest slabe i nic specjalnego nie wylapuje.
    Kilka pytan, postaraj sie opdpowiedziec w miare dokladnie :
    1) od kiedy wystepuje problem, co sie stalo ze sie pojawil
    2) jak i co jest do czego podpiete, jakie wyjscia, kable i jak to wyglada
    3) czy "szum" wystepuje jak dzwiek zanika czy jest takze w przerwach miedzy nimi jak instrument nie gra
    4) czy jestes w stanie odroznic szum cyfrowy od analogowego, i jaki jest u ciebie
    Czy mozesz podeslac nieco lepsze nagranie problemu
    5) procesor efektow, ustawienia czy cos zmieniales ?
    Pozdrawiam
  • #7 15280448
    dzimi
    Moderator
    Do sprawdzenia układ przekaźnika, przedwzmacniacza IC5, oraz sygnał przychodzący ze złącza CN3.
  • REKLAMA
  • #8 15280816
    myszy9
    Poziom 9  
    @viayner
    1) Występuje odkąd mam instrument, a mam go może od miesiąca.
    2) Podpinam słuchawki do wyjścia słuchawkowego sprawdzałem na różnych słuchawkach i problem występuje. Wyjścia L i R sprawdzałem też na słuchawkach, podpinałem pod monitory które mam a także pod interfejs audio, którym nagrywałem problem.
    3) Szum występuje cały czas. Bardziej martwi mnie to co się dzieje z dźwiękiem. Jeśli lekko nacisnę klawisz słychać na brzmieniu piana jakby był nałożony efekt w stylu flanger, phaser lub coś takiego. Oczywiście w systemie nic takiego nie jest włączone, instrument był resetowany do ustawień fabrycznych.
    4) Niestety nie jestem w stanie odróżnić, poczytam, posprawdzam przykłady i wrócę z odpowiedzią.
    5) Jak wspomniałem wyżej instrument był resetowany do ustawień fabrycznych, po tym nic nie było grzebane. (przed resetem problem też występował)

    @dzimi

    Posprawdzam i dam znać jaki wynik.

    Dodano po 15 [minuty]:

    OK rozebrałem sprzęt i dla podglądu sytuacji wrzucam zdjęcie płytki. Ewidentnie było grzebane, pytanie tylko czy ktoś też próbował naprawić ten problem czy działo się coś poważniejszego.
    Zasilacz w sumie też nie jest jakiś super, trochę sfatygowany i ogólnie wydaje się być jakiś lewy, ale czy układ zasilania i sam zasilacz mogą mieć taki wpływ na sprzęt?

    Piano GEM pRP - Dziwne "przesterowanie" dźwięku i szum na wyjściu Piano GEM pRP - Dziwne "przesterowanie" dźwięku i szum na wyjściu Piano GEM pRP - Dziwne "przesterowanie" dźwięku i szum na wyjściu Piano GEM pRP - Dziwne "przesterowanie" dźwięku i szum na wyjściu

    Dodano po 33 [minuty]:

    I na dokładkę jeszcze suwak głośności, profesjonalnie wlutowany.

    Piano GEM pRP - Dziwne "przesterowanie" dźwięku i szum na wyjściu
  • #9 15281716
    dzimi
    Moderator
    Widać że układ przedwzmacniacza był albo wymieniany albo przelutowany. Tak czy inaczej warto sprawdzić, tak samo jeśli chodzi o potencjometr głośności - tu też może być problem związany z dźwiękiem.
  • #10 15282192
    viayner
    Poziom 43  
    Witam,
    no ktos cos dlubal, mam taka sugestie ta plytka ma dodatkowe wejscia zewnetrzne S5 i S6 niepodlaczaj sygnalu z DAC czyli CN3 i zobacz czy bez syganlu wejsciowego jest jakis szum jezeli tak to do naprawy IC5 z przyleglosciami. Dalej podaj na wejscia S5 i S6 jakis sygnal czy efekt wystepuje ? rozwiazanie jak wyzej.
    Jezeli problem nie wystepuje na samej plytce to bedziemy szukac glebiej w DAC. Odbieraj sygnal z S3 S4, wyjscia sluchawkowe sa raczej slabe.
    Dalej, na schemacie nie widze pot glosnosci, kolejne podejscie to zewrzyj go tak jak by byl ustawiony na max czyli pomijamy go w obwodzie, jezeli problem zniknal to pot do naprawy.
    Jeszcze jedno co to za zwora chyba na S6 od strony druku dokladnie nad IC5 ?
    Narazie tyle.
    Pozdrawiam
  • #11 15282808
    myszy9
    Poziom 9  
    Przelutowałem potencjometr głośności na nowy bo akurat miałem, zrobiłem tak jak poradził kolega viayner, włączyłem sprzęt nie podłączając CN3 i szum jest zdecydowanie mniejszy. Tak więc winny znajduje się na drugiej płytce.

    Dodano po 4 [godziny] 28 [minuty]:

    Pojawił się nowy problem. Próbuję w miarę odnowić ten instrument, i wszystkie badziewnie wykonane lutowania poprawiać, i na drugiej płytce zrobiło się już nieprzyjemnie. Układ który odpowiada przekazanie informacji z klawiatury (tak zakładam, bo aktualnie kilka klawiszy przestało grać) okazuje się, że ma wyrwaną ścieżkę i jedną nogę. Nie wiem jakim sposobem to było wcześniej przylutowane, ale jakoś było, z brakującej nogi był mostek do górnego prawego pola z układu AR5. Załączam zdjęcie i schemat, jest jakiś sposób, żeby to obejść bez wymiany układu? Bo domyślam się, że raczej nie łatwo już go kupić.

    Piano GEM pRP - Dziwne "przesterowanie" dźwięku i szum na wyjściu Piano GEM pRP - Dziwne "przesterowanie" dźwięku i szum na wyjściu Piano GEM pRP - Dziwne "przesterowanie" dźwięku i szum na wyjściu
  • #12 15284879
    dzimi
    Moderator
    Kolega będzie nam dawkował "emocje" i schemat ;) ? Napisz co tam jeszcze nie działa...
    Proponuję wymienić układ - koszt około 1zł.
  • #13 15284932
    myszy9
    Poziom 9  
    Hehe, poza wymienionymi usterkami jest sprawny :) a ta druga wyskoczyła nagle. Czy są jakieś zakienniki tego układu, czy musi być identyczny? Bo szukałem w internecie po oznaczeniu i niewiele udało mi się znaleźć.
  • #14 15285417
    viayner
    Poziom 43  
    Witam,
    74245 to zwykly bufor stosowany czesto w komputerach i podobnych, koszt znikomy mozesz podstawic HC, HTC czy nawet LS. Moze jasniej symbol wyglada tak: XX74YYY245ZZZ gdzie XX to firma i moze tu byc SN, DH, UCY nie jest to az tak istotne dalej YYY to rodzaj/technologia ukladu S bedzie najszybszy ale nie potrzebujesz az takiego (nawet nie wiem czy byly produkowane) LS szybki i maly pobor pradu, HC HTC to technologie malego poboru mocy, kazdy bedzie tu dzialal.
    Czy masz oscyloskop ? mozesz pokazac co jest na wyjsciach roznicowych z DAC ? potep po wzmacniaczu operacyjnym/wyjscie z plyty, dalej jak wyglada wej i wyj tej poprzedniej plytki - napisalez ze szum sie zmniejszyl jak bardzo, szym czy te znieksztalcenia ?, zresetuj procesor efektow = wylacz go calkowicie
    Pozdrawiam i Wszystkiego dobrego w nowym roku
  • #15 15285579
    myszy9
    Poziom 9  
    Niestety oscyloskopu nie posiadam, postaram się jednak pożyczyć od kogoś, albo przejść się do kogoś kto ma. Byłem dzisiaj w sklepie z elektroniką ale nie mieli akurat tego układu. Sprawdzę tak jak pisał viayner w jakimś komputerze, może akurat.

    Dodano po 3 [godziny] 44 [minuty]:

    A w ogóle to szczęśliwego nowego roku wszystkim :)
  • #16 15291411
    myszy9
    Poziom 9  
    Mały update: problem nr 2 rozwiązany, wymieniłem rezystor i potrzeba było trochę mostkowania bo część ścieżek była uszkodzona. Ale już gra cała klawiatura. Zauważyłem, że na wyjściu słuchawkowym jest znacznie większy szum, więc może samo gniazdo jest winne, na wyjściach L i R jest lepiej. Ale gniazdo dość nietypowe bo na 9 nogach. Niestety efekt przesterowania pozostał.
  • #17 15294662
    viayner
    Poziom 43  
    Witam,
    Problem nr2 to raczej zostal "zalatany" niz naprawiony, dostales instrument z taka prowizorka i dalej to powielasz, te uklady sa tanie i latwo dostepne ale skoro dziala.
    Wracajac do problemu 1 gniazdo sluchawkowe jak najbardziej typowe, masz poprostu funkcje odlaczania wewnetrznych glosnikow/wzmacniacza po wlozeniu wtyku sluchawek. Swoja droga na tej plytce nie ma tego wzmacniacza. Jak pamietasz prosilem o sygnal z wyjsc linjowych przed wzm. sluchawkowym a to dlatego ze wzm sluchawkowe montowane w instrumentach nie sa najwyzszej jakosci, nigdy nie sprawdzaj jakosci sygnalu zadnego urzadzenia na wyj sluchawkowym.
    Wracajac do problemu, mozesz podeslac nieco lepszy plik z tym znieksztalceniem ? ja obstaje w 60% na procesor efektow, sprawdz czy napewno go wylczyles - reset nie oznacza jego wylaczenia, kazda barwa ma wlasny schemat polaczen i efektow.
    Pozdrawiam
REKLAMA