logo elektroda
logo elektroda
X
logo elektroda
REKLAMA
REKLAMA
Adblock/uBlockOrigin/AdGuard mogą powodować znikanie niektórych postów z powodu nowej reguły.

Jak sprawdzić sprawność wzmacniacza Mark Levinson 86280-0W360 na warsztacie?

zbyszek.camrogroup 12 Sty 2016 11:20 3513 4
REKLAMA
  • #1 15325882
    zbyszek.camrogroup
    Poziom 17  
    Posiadam wzmacniacz jak w tytule. Czy ktoś posiada wiedzę ja sprawdzić jego sprawność na warsztacie.
    Chcę go sprzedać i przed sprzedażą chcę wiedzieć czy jest sprawny, a nie mam możliwości sprawdzenia przez podstawienie do samochodu.

    Jak sprawdzić sprawność wzmacniacza Mark Levinson 86280-0W360 na warsztacie? Jak sprawdzić sprawność wzmacniacza Mark Levinson 86280-0W360 na warsztacie?
  • REKLAMA
  • #2 15326661
    sosarek

    Poziom 43  
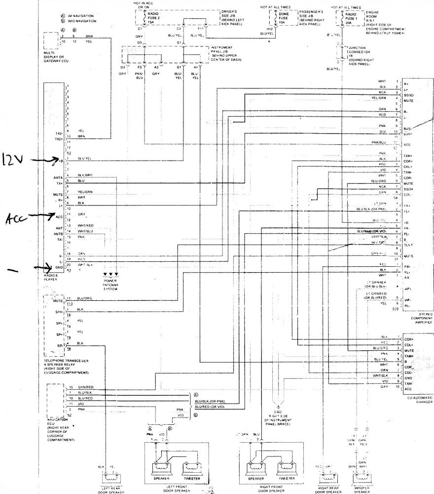
    Może to Ci coś rozjaśni:

    Jak sprawdzić sprawność wzmacniacza Mark Levinson 86280-0W360 na warsztacie? Jak sprawdzić sprawność wzmacniacza Mark Levinson 86280-0W360 na warsztacie?
    Pomogłem? Kup mi kawę.
  • REKLAMA
  • #3 15328650
    zbyszek.camrogroup
    Poziom 17  
    Dzięki sosarek. Co prawda skan nie jest najlepszy ale trochę można odczytać. Jak zauważyłem złącze wzmacniacza znajduje się na drugiej fotce z prawej strony u góry.
    Ma ktoś może numeracje pinów na gniazdach wzmacniacza?
  • REKLAMA
  • #4 15328786
    sosarek

    Poziom 43  
    zbyszek.camrogroup napisał:
    Co prawda skan nie jest najlepszy ale trochę można odczytać.

    Jest to jedyne co udało mi się znaleźć, prócz informacji że to system pochodzący z Lexusa, zawiadujący także nawigacją itd.
    Pomogłem? Kup mi kawę.
  • #5 19013079
    michalekorg
    Poziom 1  
    Witam!

    Czy udało się uruchomić wzmacniacz w warunkach warsztatowych?

    Pozdrawiam!
REKLAMA