Mam problem z sterowaniem silnika prądu stałego za pomocą atmegi.
Jest to układ do tempomatu w aucie. Jest to silnik który za pomocą przekładni wysuwa trzpień który steruje linką przepustnicy. Aczkolwiek problem jest już gdy płytka leży na stole. Atmega resetuje się. Program testujący polega na szybkim poruszaniu silnikiem raz w jedną, raz w drugą stronę z przerwą na "nic nie robienie" około 60ms.
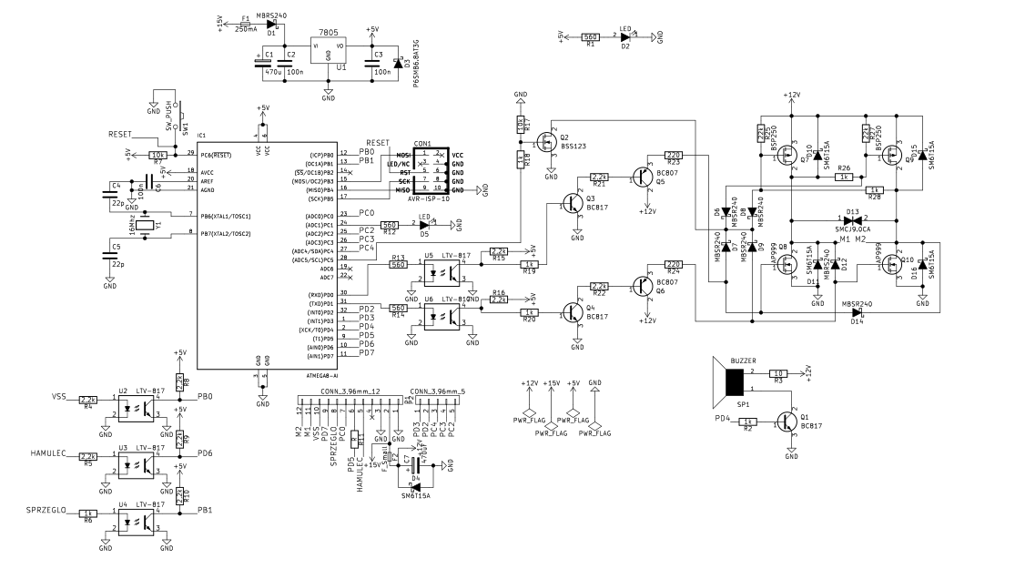
Wszystkie sygnały podane są do atmegi przez transoptory, na wyjściu mostek H z zabezpieczeniami aby nie można było włączyć dwóch sygnałów z atmegi na raz.
W zasilaniu diody transil, równolegle z silnikiem transil dwu-kierunkowy, tranzystory zabezpieczone przez transile, oddzieliłem również zasilanie atmegi przez szeregową diodę i kondensator przed stabilizatorem. Podłączany również był drugi akumulator do zasilania atmegi lub silnika z tranzystorami, zero efektów. Już nie wiem co więcej można wymyślić.
Załączam schemat, jutro prześlę widok 3d płytki.

Jest to układ do tempomatu w aucie. Jest to silnik który za pomocą przekładni wysuwa trzpień który steruje linką przepustnicy. Aczkolwiek problem jest już gdy płytka leży na stole. Atmega resetuje się. Program testujący polega na szybkim poruszaniu silnikiem raz w jedną, raz w drugą stronę z przerwą na "nic nie robienie" około 60ms.
Wszystkie sygnały podane są do atmegi przez transoptory, na wyjściu mostek H z zabezpieczeniami aby nie można było włączyć dwóch sygnałów z atmegi na raz.
W zasilaniu diody transil, równolegle z silnikiem transil dwu-kierunkowy, tranzystory zabezpieczone przez transile, oddzieliłem również zasilanie atmegi przez szeregową diodę i kondensator przed stabilizatorem. Podłączany również był drugi akumulator do zasilania atmegi lub silnika z tranzystorami, zero efektów. Już nie wiem co więcej można wymyślić.
Załączam schemat, jutro prześlę widok 3d płytki.
