logo elektroda
logo elektroda
X
logo elektroda
REKLAMA
REKLAMA
Adblock/uBlockOrigin/AdGuard mogą powodować znikanie niektórych postów z powodu nowej reguły.

Daewoo Espero - Częste awarie zespolonego przełącznika świateł, co robić?

slaszk 18 Sty 2016 13:41 1359 14
REKLAMA
  • #1 15346048
    slaszk
    Poziom 10  
    Witam kolegów. Mam nietypowe powtarzające się usterki.
    Nie wiem czy mam pecha ale kupuję już 4 zespolony przełącznik świateł pod kierownicę i żaden z poprzedników nie działał dłużej niż 3 miesiące (oryginalne koreańskie). Po założeniu jest super aż do pewnego momentu kiedy nagle nie da się włączyć/przełączyć świateł mijania na drogowe lub włączyć/wyłączyć jednych z nich. Kierunkowskazy działają normalnie. Nie wierzę bym mógł trafić 3 wadliwe przełączniki. Co może być przyczyną ich awarii. Podejrzewam że się "podpalają styki", ale dlaczego przedtem ten problem nie występował. Alternator nówka, zakładał elektryk. Ładowanie akumulatora bez zastrzeżeń. Żadnych innych awarii w układach elektrycznych. Proszę o pomoc. Pozdrawiam....
  • REKLAMA
  • #3 15346103
    Konto nie istnieje
    Konto nie istnieje  
  • REKLAMA
  • #4 15346123
    robokop
    VIP Zasłużony dla elektroda
    Januszek73 napisał:
    Robokop,nawet jakby były zamontowane mocniejsze żarówki to prąd zasilający je przepływa przez przekażnik,a przekażnikami steruje przełącznik pod kierownicą.

    A bądź uprzejmy wskazać mi, który przekaźnik w tym wozie odpowiada za światła mijania? Numer i jego umiejscowienie.
    Cytat:

    Może coś z przekażnikami się dzieje?

    Tzn. co konkretnie z nimi ma się dziać?
    Cytat:

    Slaszk te przełaczniki pod kierownicą produkowane są w Elblągu i to nic że jest na nich Made in Korea.Mam dwie koleżanki które tam pracowały i do tych koreańskich wynalazków produkuje się w Elblągu kierownice i przełaczniki.

    No i co to ma wspólnego z tematem?
  • REKLAMA
  • #5 15346127
    slaszk
    Poziom 10  
    żarówek nie zmieniałem, ale zmieniłem alternator jak w temacie czy on może być przyczyną NOWY prosto ze sklepu. sprzedawca ze sklepu przy drugim wyłączniku zapewniał mnie że to oryginał. ale to chyba nie ma znaczenia bo na zamiennikach jeździ się kilka lub kilkanaście lat jak nie więcej

    Dodano po 1 [minuty]:

    przekaźniki...ciekawy temat

    Dodano po 2 [minuty]:

    daewoo espero to 100% opel nie licząc blach
  • #7 15346254
    slaszk
    Poziom 10  
    kamo502 dzięki jest do zrobienia [niestety nie mam warunków by zrobić to pod blokiem o tej porze roku} fajna modernizacja ale nie rozwiązuje jeszcze problemu skąd u mnie bierze się awaria wyłączników mimo że wcześniej było ok?
  • #8 15346265
    kamo502
    Poziom 20  
    Prawdopodobnie za duży pobór prądu. Styki się grzeją.

    Rozbierz stary włącznik i będzie wiadomo w jakim jest stanie

    EDIT:
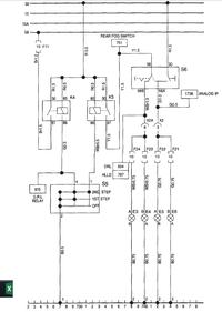
    Tu masz schemat świateł.
    Sprawdź stare przełączniki czy jest przejście pomiędzy 56 a 56A i 56B

    Daewoo Espero - Częste awarie zespolonego przełącznika świateł, co robić?
  • REKLAMA
  • #9 15346414
    Pawel wawa
    VIP Zasłużony dla elektroda
    Tylko, że w tym aucie przekaźnik nie odciąża wyłącznika przy kierownicy. Takie sobie idiotyczne rozwiązanie. A Kolegi problem to żarówki, zżerające dwa razy więcej prądu. Więc trzeba dać przekaźniki odciążające wyłącznik.
  • #10 15346421
    andrzej20001
    Poziom 43  
    robokop napisał:
    który przekaźnik w tym wozie odpowiada za światła mijania

    Przy nogach kierowcy za małą klapką po lewej masz mijania , w skrzynce pod maską drogowe.
  • #11 15346425
    kamo502
    Poziom 20  
    Zobacz że według schematu zasilający styki wykonawcze przekaźników to przewód aż 0,5mm2

    Tak jak napisał @Pawel wawa i tak cały prąd idzie przez przełącznik
  • #12 15346491
    slaszk
    Poziom 10  
    też myślałem o żarówkach ale przecież wszystko funkcjonowało dobrze przez tyle lat a w ostatnim okresie wymieniłem tylko żarówki na postojowych światłach przednich lamp

    Dodano po 2 [minuty]:

    żarówek mijania i długich nie ruszałem. czy może być wina złych postojowych
  • #13 15346516
    kamo502
    Poziom 20  
    Nie. Postojowe idą inaczej. Może być wina słabych łączy. Zasniedziale konektory, małe przekroje przewodów, słaba masa.
  • #14 15346529
    slaszk
    Poziom 10  
    przełącznik zdjęty (wygląda na oryginał)

    56 ---> 56a brak przejścia
    56 ---> 56b brak przejścia

    na ostatnim wyłączniku gdzie nie mogłem zapalić drogowych i mijania kierunki i postój był
    na 2 uszkodzonym pewnie było inaczej bo nie mogłem zgasić długich

    założyłem teraz nowiutki przełącznik (48 zeta) firmy RAON i wszystko gra
    PEWNIE DO CZASU
  • #15 15346568
    Pawel wawa
    VIP Zasłużony dla elektroda
    Zastosuj dwa przekaźniki i będzie na długo.
REKLAMA