logo elektroda
logo elektroda
X
logo elektroda
REKLAMA
REKLAMA
Adblock/uBlockOrigin/AdGuard mogą powodować znikanie niektórych postów z powodu nowej reguły.

Schemat miernika samochodowego 43102-M1 - poszukiwany diagram

Ollek 20 Sty 2016 13:50 2067 3
REKLAMA
  • #1 15352738
    Ollek
    Poziom 2  
    Witam !
    Potrzebny schemat do miernika samochodowego typu 43102-M1 .
    Pozdrowienia !
  • REKLAMA
  • #2 15353365
    aksakal
    Specjalista - urządzenia lampowe
    Schemat miernika samochodowego 43102-M1 - poszukiwany diagram
  • REKLAMA
  • #3 15355169
    Ollek
    Poziom 2  
    Dziękuje z odpowiedź i za schemat.
    A czy masz może wartości elektryczne poszczególnych elementów
  • #4 15355220
    aksakal
    Specjalista - urządzenia lampowe
    Zawiadom który twój problem z miernikiem. Ogólnego spisu nominałów elementów na potoczny czas nie mam, lecz na stronach internetowych znajdują się pytania po remoncie miernika, gdzie są nominały niektórych uszkodzonych elementów.

    Dodano po 1 [godziny] 53 [minuty]:

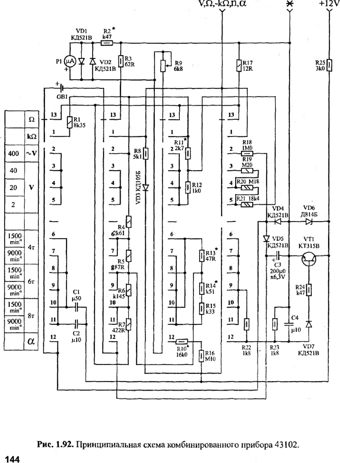
    Przedstawiam dla orientacji schemat miernika 43102, który jest pierwowzorem miernika 43102-М1. Schematy podobne, lecz różnią się zasięgami wymiaru napięcia. Schemat miernika samochodowego 43102-M1 - poszukiwany diagram
REKLAMA