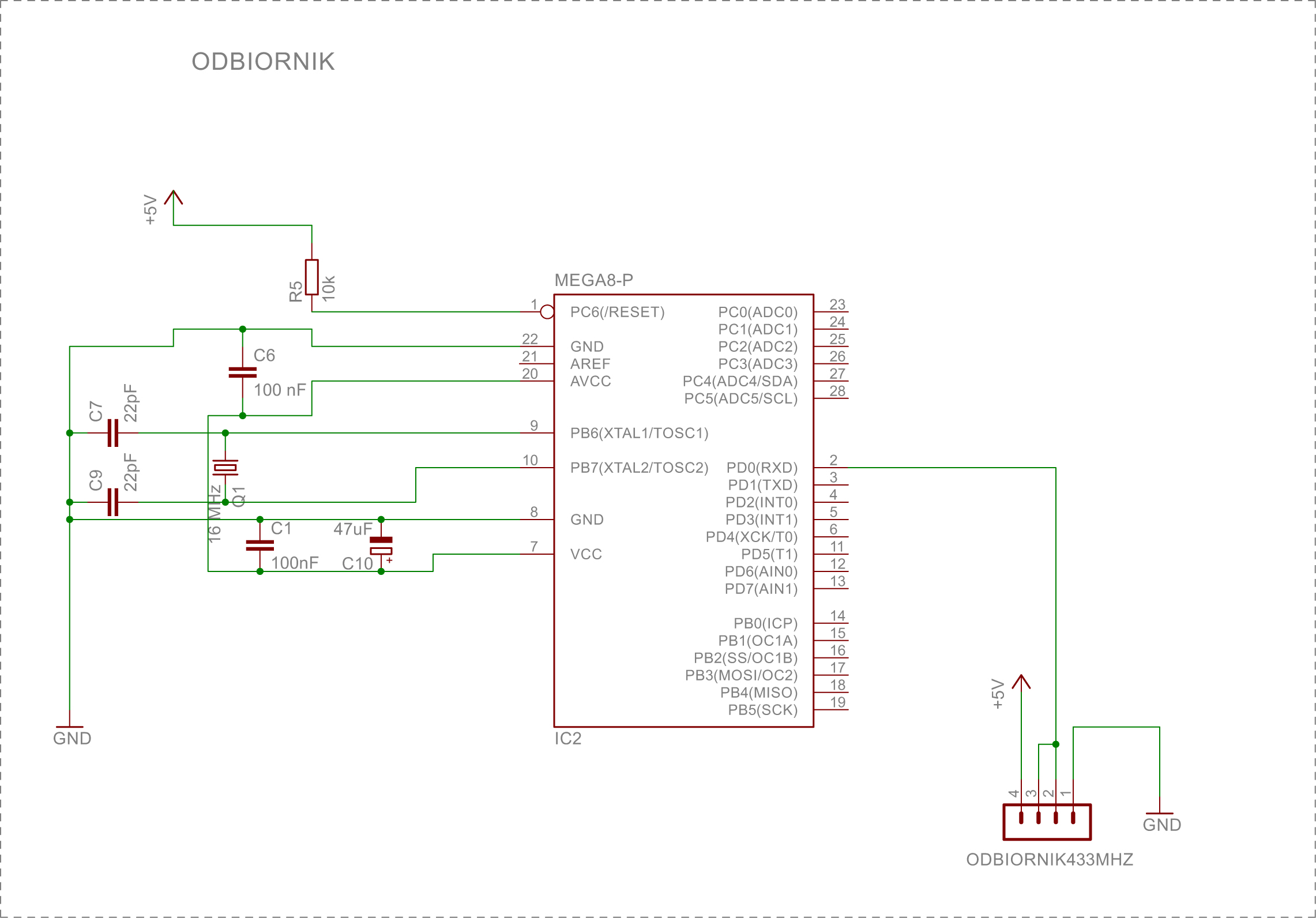
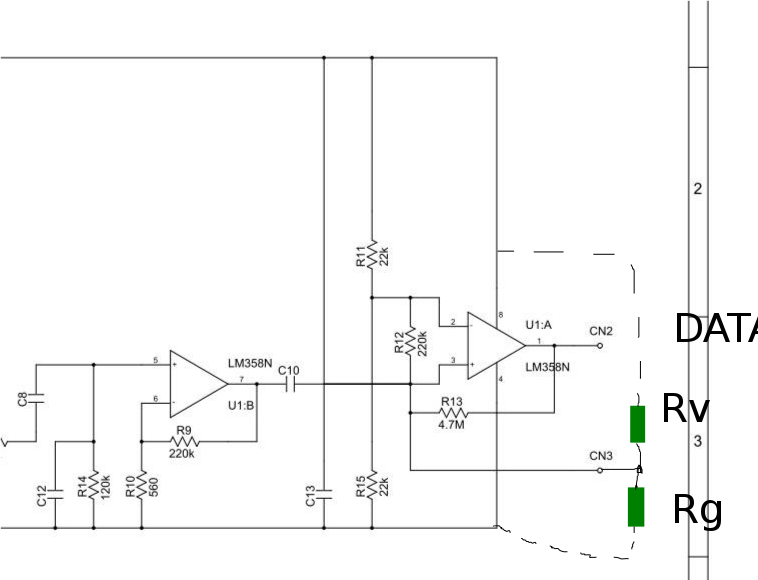
Witam. Mam pewien problem z nadajnikiem/odbiornikiem 433 MHz. Polega on na tym, że nie jestem w stanie nic nadać, albo odebrać za pomocą tych modułów. Nie wiem gdzie jest błąd. Myślę, że wszystko pokazałem na filmiku zamieszczonym poniżej. Mam dwie pary tych modułów i oba zachowują się identycznie. Dodam że próbowałem już różnych kombinacji z antenkami lub bez nich efekt zawsze ten sam - same śmieci na odbiorniku.
