logo elektroda
logo elektroda
X
logo elektroda
REKLAMA
REKLAMA
Adblock/uBlockOrigin/AdGuard mogą powodować znikanie niektórych postów z powodu nowej reguły.

Mazda 323f Bj 2.0 D v8 71 km - Kiepskie odpalanie po nocy

Wodzu1983 17 Lut 2016 16:51 1449 6
REKLAMA
  • #1 15445080
    Wodzu1983
    Poziom 10  
    Witajcie
    Silnik RF1G montowany w BA i BJ pompa Zexel
    Mam problem ze swoim dieslem. Mianowicie po nocy auto odpala od strzała ale pracuje bardzo nie rowno najpierw puszczajac chmurę bialego dymu (zapłon za późny) a po chwili wystepuje spalanie stukowe ( zapłon za wczesny). Całość ustaje po ok 1min. Objawy nie wystepuja gdy slinki jest ciepły. Dodatkowo falują bardzo lekko obroty oraz po dluższej jeździe wolne obroty zostają na ok 950. Auto ma moc i nic niepokojącego sie nie dzieje oprócz porannych problemów. Wymienione zostaly swiece, wyczyszczone wtryski, całość złożona na nowych oem uszczelkach. Komputer pokazuje błąd p0510 - wymienilem caly zestaw pedalu gazu bez rezultatu. Nie wiem gdzie szukać przyczyny. Podejrzewam ze zawiesza sie nastawnik ale na 100% nie jestem pewny. Mam drugą kompletna pompę i moge podmienic nastawnik ale nie mam do tego silnika komputera zeby ustawic pozniej dawke.
    Nastawnik

    Mazda 323f Bj 2.0 D v8 71 km - Kiepskie odpalanie po nocy
    Poradzcie cos koledzy!
  • REKLAMA
  • REKLAMA
  • #3 15490328
    Wodzu1983
    Poziom 10  
    żałosna udręka napisał:
    Problem raczej powoduje nastawnik, ale kąta nie dawki.

    Chodzi ci o zawor tcv? Jesli tak to podmienialem z drugiej pompy bez rezultatu.
  • REKLAMA
  • #4 15494249
    żałosna udręka
    Poziom 34  
    Podmieniałeś tylko sterowanie zaworu. Tłok jest w środku i nie przesuwa się na pozycję zimnego rozruchu, czyli mocno wczesny. Potem sprężyna nie przesuwa go z powrotem. Wszystko z powodu przycierania się owego tłoka z powodu zabrudzeń na dnie pompy.
  • REKLAMA
  • #5 15494849
    Wodzu1983
    Poziom 10  
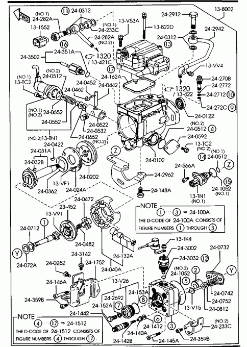
    Z gory przepraszam za pytania ale jestem laikiem w sprawach budowy pompy wtryskowej. Proszę zaznacz mi na załączniku jaki element się zaciera i czy da sie go wyczyścić bez sciagania pompy. Chodzi o ten pierścień w ktory wchodzi główka nastawnika? Czy może TPS timming position sensor? Cały przekrój pompy w załączniku wraz z serwisówką do pompy zexel.. Dzieki za odpowiedź.
  • #7 15498554
    Wodzu1983
    Poziom 10  
    Dzieki za odpowiedź. Zajmę się tematem. Pozdrawiam
REKLAMA