logo elektroda
logo elektroda
X
logo elektroda
REKLAMA
REKLAMA
Adblock/uBlockOrigin/AdGuard mogą powodować znikanie niektórych postów z powodu nowej reguły.

Fiat Stilo - Wentylator chłodnicy po zmianie BCM i ECU

kamil1555 27 Lut 2016 17:04 2469 6
REKLAMA
  • #1 15476204
    kamil1555
    Poziom 11  
    Witam. Auto jest po wymianie ECU i BCM. Niestety po zakodowaniu wszystkiego okazało się, że wentylator chłodnicy w aucie miałem podłączony poprzez sterownik wentylatorów, a w nowym module jest poprzez przekaźniki i teraz pytanie do Was. Czy posiada ktoś dobrze opisany schemat dla 1.9JTD 2003r. w wersji z sterownikiem wentylatorów i w wersji z przekaźnikami, aby to jakoś przerobić. Znalazłem coś takiego, lecz wersja na przekaźniki jest dla motoru 1.4 i pewnie pinout sterownika silnika się różni. Mógłby ktoś nakierować?
  • REKLAMA
  • Pomocny post
    #2 15478308
    rafal.jaro
    Specjalista grupy V.A.G.
    Masz na PW. oba schematy.
  • REKLAMA
  • #3 15478713
    kamil1555
    Poziom 11  
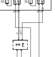
    Dziękuję bardzo za pomoc i schematy, lecz niestety na schemacie nie ma podanych nr pin przy ECU. Schematy na którym jest pokazane ECU są od wersji z modułem wentylatorów więc wychodzi tylko jeden przewód, a dla wersji z przekaźnikami nie ma schematu z rozrysowanymi pinami ECU. Dla zrozumienia problemu dodaję załącznik( jakie piny przy A35 ).
  • #4 15480654
    rafal.jaro
    Specjalista grupy V.A.G.
    Dobrze powiedz mi która wersja silnika szła po przekaźnikach to Ci podeśle, bo wszystkie przejrzałem i nie znalazłem.. podaj oznaczenie z tego silnika na przekaźnikach.
  • REKLAMA
  • #5 15481094
    kamil1555
    Poziom 11  
    Nie mam dostępu do tego silnika, bo mam tylko ecu i bcm od niego, które nie ja załatwiałem. Z tego co wyczytałem to do 06/2003r. w stilo była instalacja na module wentylatorów , a od 07/2003 na przekaźnikach.
  • REKLAMA
  • #6 15481116
    ociz
    VIP Zasłużony dla elektroda
    Ala numer na ECU masz.
  • #7 15482124
    kamil1555
    Poziom 11  
    Udało mi się znaleźć, które to przewody. Dla potomnych ( rs - to pin 30 ECU, a ge/rt - to pin 14 ECU). Dziękuję za pomoc.
REKLAMA