logo elektroda
logo elektroda
X
logo elektroda
REKLAMA
REKLAMA
Adblock/uBlockOrigin/AdGuard mogą powodować znikanie niektórych postów z powodu nowej reguły.

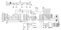
AVR ISP na złączu DB9 - Potrzebny ISP Programmer v1.0 lub inny obsługujący DB9

elktrod 28 Lut 2016 14:39 1425 3
REKLAMA
  • #1 15478957
    elktrod
    Poziom 36  
    Potrzebny mi program "ISP Programmer v1.0" lub inny obsługujący DB9 a dokładniej programator NE049 produkcji Nord Elektronik PLUS a nie mogę znaleźć w internecie, czy ktoś mi pomoże znaleźć?
    AVR ISP na złączu DB9 - Potrzebny ISP Programmer v1.0 lub inny obsługujący DB9 AVR ISP na złączu DB9 - Potrzebny ISP Programmer v1.0 lub inny obsługujący DB9
  • REKLAMA
  • Pomocny post
    #2 15479000
    vania
    Poziom 24  
    elktrod napisał:
    Potrzebny mi program "ISP Programmer v1.0" lub inny obsługujący DB9 a dokładniej programator NE049 produkcji Nord Elektronik PLUS a nie mogę znaleźć w internecie, czy ktoś mi pomoże znaleźć?
    Program do NE049
  • REKLAMA
  • #4 15479055
    elktrod
    Poziom 36  
    Wielkie dzięki....
REKLAMA