logo elektroda
logo elektroda
X
logo elektroda
REKLAMA
REKLAMA
Adblock/uBlockOrigin/AdGuard mogą powodować znikanie niektórych postów z powodu nowej reguły.

Rieju MRX 50 2001/2010 - Jak podłączyć rozrusznik do schematu elektryki?

ZiomekBezButow 04 Mar 2016 00:45 6189 0
REKLAMA
  • #1 15492596
    ZiomekBezButow
    Poziom 1  
    Siema.
    Krótko i zwięźle:
    Robię nową elektryke do mojej Renatki, znalazłem schemat do tego modelu moto, ale bez rozrusznika.
    Teraz moja prośba: Mógł by ktoś przerobić mi schemat i podłączyć do niego rozrusznik?
    Pozdrawiam Marcin
    LWG!
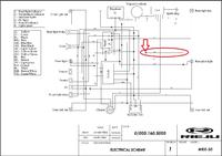
    Rieju MRX 50 2001/2010 - Jak podłączyć rozrusznik do schematu elektryki?
    PS: Gdzie podpiąć zaznaczony kabel?
    Edit: Orginalnie ma rozrusznik i akumulator.
  • REKLAMA
REKLAMA