logo elektroda
logo elektroda
X
logo elektroda
REKLAMA
REKLAMA
Adblock/uBlockOrigin/AdGuard mogą powodować znikanie niektórych postów z powodu nowej reguły.
REKLAMA
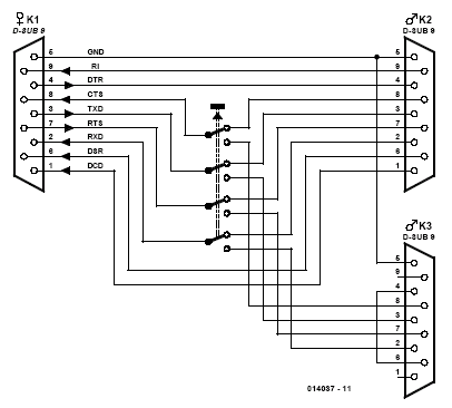
  • Sposób przełączania mechanicznego dwóch urządzeń podpiętych pod RS232. Warto jedynie zwrócić uwagę na to, które wyprowadzenia powinny być wspólne a które należy w rzeczywistości przełączać. Idealne rozwiązanie jeżeli posiadamy np. kilka programatorów zamontowanych stacjonarnie.

    Fajne? Ranking DIY
    O autorze
    zasoby
    Poziom 23  
    Offline 
    zasoby napisał 784 postów o ocenie 432, pomógł 4 razy. Jest z nami od 2002 roku.
  • REKLAMA
REKLAMA