logo elektroda
logo elektroda
X
logo elektroda
REKLAMA
REKLAMA
Adblock/uBlockOrigin/AdGuard mogą powodować znikanie niektórych postów z powodu nowej reguły.

Samsung LS22A300NS/EN - Brak obrazu, brak podświetlenia, płyta BN94-04881H

kazikszach 11 Mar 2016 10:25 9741 14
REKLAMA
  • #1 15513446
    kazikszach
    Poziom 38  
    Witam
    brak obrazu, nie ma podświetlenia
    płyta BN94-04881H, na procesorze kartka z oznaczeniem A322N0GLA.
    Po dotknięciu sensora włącz, niebieska dioda sygnalizuje, że monitor jest włączony, po kilku sekundach procesor załącza napięcie zasilające T-Con i to wszystko, na szynach LVDS są różne napięcia, na 1 jest 1,35V, a 2 z pary 0,97V i tak na wszystkich parach, odłączenie go nic nie zmienia.
    Procesor nie daje sygnałów do sterowania przetwornicy zasilającej diody w podświetleniu, same diody dobre, pamięć IC402 też podstawiałem czystą.
    Wgrywałem do pamięci SPI W25X40 różne wsady i na wszystkich zachowuje się tak samo, nawet od LS22A100 i wyczerpały się moje pomysły, może ktoś rozwiązał taki przypadek i pomoże.
  • REKLAMA
  • #2 15515114
    lisek
    Serwisant RTV
    To masz
    CPU/MCU: Samsung MagicColor SE1059LMHL-NT
    EEPROM/FLASH: S24CS08A/Winb25X40
    IC401 25X40BVC / IC402 S-24CS01
    matrix: M215HW01
    main np. (BN94-04881J)

    To z M215HW01 v0.0
    *były tam dwa /lub trzy rodzaje matryc
    Zobacz co masz u siebie
    Samsung LS22A300NS/EN - Brak obrazu, brak podświetlenia, płyta BN94-04881H

    Raczej z logiką matrycy.
    dławilki, pojemnośći (ceramiki)
    Samsung LS22A300NS/EN - Brak obrazu, brak podświetlenia, płyta BN94-04881H
    _________________
    Samsung SyncMaster SA300
    * SAMSUNG S22A300N (LS22A300NS/ ...) LS22A300NS/EN
    main: CODE: BN41-01592D

    Lista spotykanych uszkodzeń

    - monitor nie widzi karty graficznej, po podłączeniu do komputera monitor przechodzi w stand-by - leczy wsad
    - nie załącza się w ogóle, dioda zasilania nie świeci się;
    - nie włącza się, ale dioda zasilania świeci lub miga;
    - wszystko działa, ale menu jest zablokowane - leczy wsa
    - nie ma podświetlenia, obraz jest ledwo widoczny, itp.

    Typowe to :
    - zwarcie w lini zasilania (+14V), uszkodzenie IC600 BD9329 (+5V)
    - ZD600 5,6V, IC601 +3.3V lub IC602 +1.8V
  • REKLAMA
  • #3 15515853
    kazikszach
    Poziom 38  
    Zapomniałem dodać, że napięcia 1,8V, 3,3V i 5V są prawidłowe.
    Matryca AUO M215HW01 V.B.
    Podłączałem też matrycę BOE HM215WU1-500, zmieniając zworkę na druku do wyboru rodzaju matrycy, ale też nic się nie pojawiło.
    Jest pytanie, czy procesor powinien załączyć podświetlenie przy rozłączonym kablu od logiki matrycy?
  • REKLAMA
  • #4 15516003
    lisek
    Serwisant RTV
    Nie.

    Twoja matryca Link_datasheet jeśli ma uszkodzenie w podswietleniu
    -zasilanie girland LED 53V, 16SS4P WLED
    to nie zadziała, na 6-pin.złazcu Led masz sygnały
    Cytat:
    7.2.1 Signal for LED light bar connector
    Pin no. Signal name
    1 ILED (current out)
    2 ILED (current out)
    3 VLED (voltage in)
    4 VLED (voltage in)
    5 ILED (current out)
    6 ILED (current out)

    z Link_ze strony panelook
  • #5 15516078
    kazikszach
    Poziom 38  
    Według opisu matrycy na diodach ma być około 53V, ja mam tylko 14V, bo przetwornica podwyższająca napięcie do nich na Q802 nie dostaje impulsów sterujących z procesora.
    Same diody sprawne, każda girlanda zaczyna świecić przy napięciu 44V podanym z zasilacza zewnętrznego.
    Z opisu wynika też, że logika matrycy ma tylko wejścia, więc bez niej procesor powinien załączyć podświetlenie.
  • REKLAMA
  • #6 15516132
    lisek
    Serwisant RTV
    Jaki driver masz w podświetleniu LED.?
  • #7 15516191
    kazikszach
    Poziom 38  
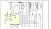
    Jest przetwornica podwyższająca napięcie na Q802 ( wyraźnie go widać na zdjęciu, które podałeś, ten największy) i z niej napięcie jest podawane na anody 4 girland, katody girland podłączone są do tranzystorów pomiarowych dających sygnał do procesora, który wszystkim steruje.
  • #8 15516234
    lisek
    Serwisant RTV
    A co pisze na scalaku?
  • #9 15516646
    kazikszach
    Poziom 38  
    Na scalaku jest naklejona kartka z napisem A322N0GLA, niżej data i chyba seria.
    W poniedziałek ją zerwę i podam typ tego procesora.
  • #10 15517430
    lisek
    Serwisant RTV
    Nie na tym!
    Od scalonego w driverze LED (podświetlenia) *przed Q802
    Napis potrzebny
  • #11 15521971
    kazikszach
    Poziom 38  
    Nie ma żadnego scalaka drivera LED, jest tylko ten procesor IC400, pamięci IC401, IC402, zasilacze IC600, IC601, IC602.
    Na procesorze oznaczenie:
    SE1059LMHL-NT
    1133-BS
    ARWKA
    Według mnie w tym procesorze musi być też driver LED.
    Laminat oznaczony BN41-01592D.
  • Pomocny post
    #12 15522457
    lisek
    Serwisant RTV
    Wer. 20"- 22"-24" robione na tej samej płycie BN41-01592B (2010.12.17) Rev № MP1.0

    Zasilanie matryc +5V
    VLed +12V
    Tam z UPC poprzez tranzystory (Q820) daje amplitudę sygnału z uPC, potem invertor sygnału na p-n-p (Q821), i dalej poprzez (Q822,823). .. na bramkę Q802 (AP9997GH),ten daje napięcie do zasilania 3-(?4) girland > girlandy połaczone równolegle z polowymi w ukł. pomiarowym (Q811-818/ dla wyrównania wartośći prądu płynącego przez LED)od strony "zimnej" / po 10-LED w girlandzie (prąd 20-30 mA).

    Sprawdz te polowe, część (3 polowe ) nie wykorzystane > tylko 3-channel LED
    Czytaj datasheet na matrycę,opisano.

    Driver podświetlenia tam wbudowany w scaler upC SE1059LMHL-NT
    ________________________________
    model 24" LS24A300(model LS24A300BL/CI )
    matrica M236HGE-L10
    Róznica ? jest w flash 25X40BVS, zaś EEprom 24С08 pasuje podobno do wszystkich

    W zał. masz flash od 22"/24" oraz eeprom 20"
    Na czystym (FF) EEprom podobno pójdzie?!

    Popatrz w Link_zzachińskiego muru

    Rozwiązanie "podobne " do tego poniżej (MAX16834)
    Samsung LS22A300NS/EN - Brak obrazu, brak podświetlenia, płyta BN94-04881H
  • #13 15525128
    kazikszach
    Poziom 38  
    Sprawdziłem wsady, nic nie dało.
    Rozwiązanie podobne jak w załączonym schemacie, tylko brak impulsów na Q820, którego emiter jest podłączony do pina 96 procesora, a dokąd baza tego nie udało mi się ustalić, na bazie mam 3,3V, a emiterze 2,8V.
    Impulsy nie pojawiają się nawet na chwilę, więc procesor nie może sprawdzić podświetlenia.
  • #14 15525262
    lisek
    Serwisant RTV
    Raczej tak .
    To rozwiązanie b.chybione >połaczenie scalera z driverem LED podswietlenia.
    Rozglądnij sie za caym modułem jest łatwiej kupić jak procesor
  • #15 15533831
    kazikszach
    Poziom 38  
    Klient odebrał nienaprawiony monitor.
    Dziękuję za podpowiedzi i zamykam temat.
REKLAMA