logo elektroda
logo elektroda
X
logo elektroda
REKLAMA
REKLAMA
Adblock/uBlockOrigin/AdGuard mogą powodować znikanie niektórych postów z powodu nowej reguły.

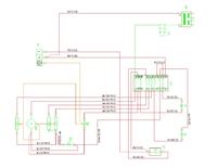
Amica 508GE2 33HZpW - Schemat podłączenia kabli do przełącznika krzywkowego

Mathev 17 Mar 2016 20:29 10692 2
REKLAMA
  • #1 15532565
    Mathev
    Poziom 2  
    Witam.

    Mama problem z kuchenką gazowo-elekrryczną firmy Amica 508GE2 33HZpW. Otóż piekarnik przestał działać ;( kontrolki się świecą lecz piekarnik nie reaguje, termo świtało nic... Po przestudiowaniu kilku tematów doszedłem do wniosku że to musi być przełącznik krzywkowy (7LA-Gottak). I faktycznie jeden styk był przypalony. Wypiąłem wszystkie kable, wyczyściłem styk zmontowałem w całość i... nie zrobiłem zdjęcia jak kable były wpięte :cry: . Jeżeli miał by ktoś schemat jak powpinać dane kable w ten przełącznik byłbym wdzięczny (a jak z kolorami to zbieram się i jadę z piwem do niego :D ) .
  • REKLAMA
  • Pomocny post
    #2 15537647
    Konto nie istnieje
    Poziom 1  
  • #3 15537667
    Mathev
    Poziom 2  
    o bracie uratowałeś moje święta :D
REKLAMA