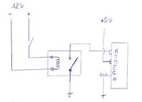
Witam. Chciałbym zastosować w uC zamiast przycisku podającego masę na dowolny pin tranzystor np BC548. Jak to połączyć jeżeli Baza tranzystora ma dostać prąd z innego obwodu zasilania niż ten co zasila Atmegę.Najlepiej pokaże to rysunek , na którym zamiast tranzystora zastosowałem przekaźnik, ale dokładnie o taką zasadę działania mi chodzi.
